PRODUCTS


FAG
51422-MP
Axial deep groove ball bearing 51422-MP
Add item
Main Dimensions & Performance Data
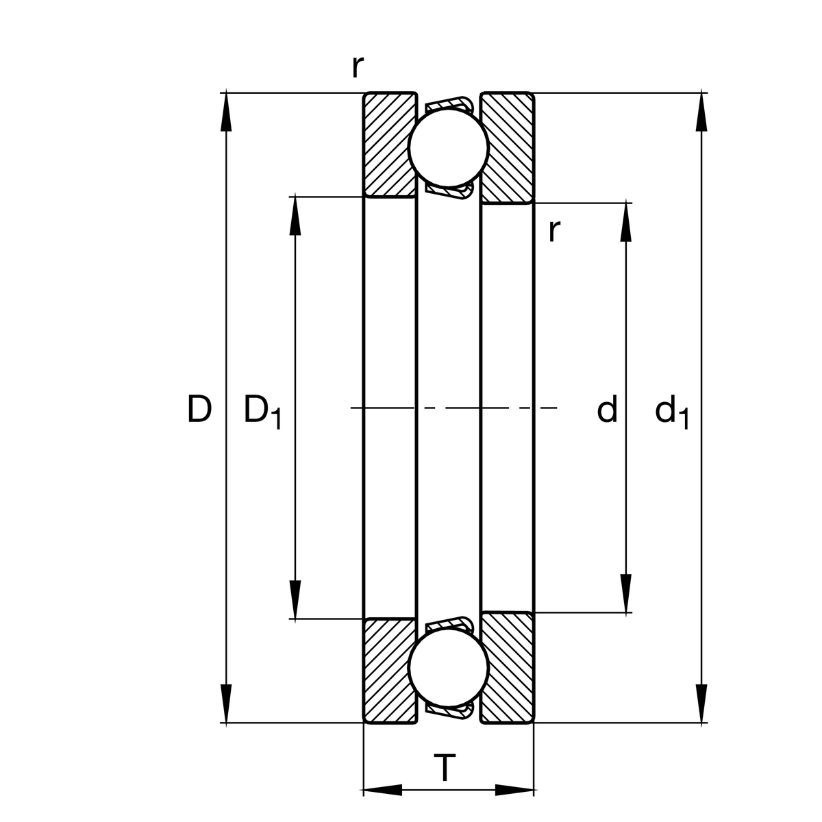
d
110 mm
Inner diameter shaft washer
D
230 mm
Outer diameter housing washer
T
95 mm
Height
Ca
435,000 N
Basic dynamic load rating, axial
C0a
1,240,000 N
Basic static load rating, axial
Cua
43,500 N
Fatigue load limit, axial
nG
1,240 1/min
Limiting speed
nϑr
3,300 1/min
Reference speed
≈m
20.02 kg
Weight

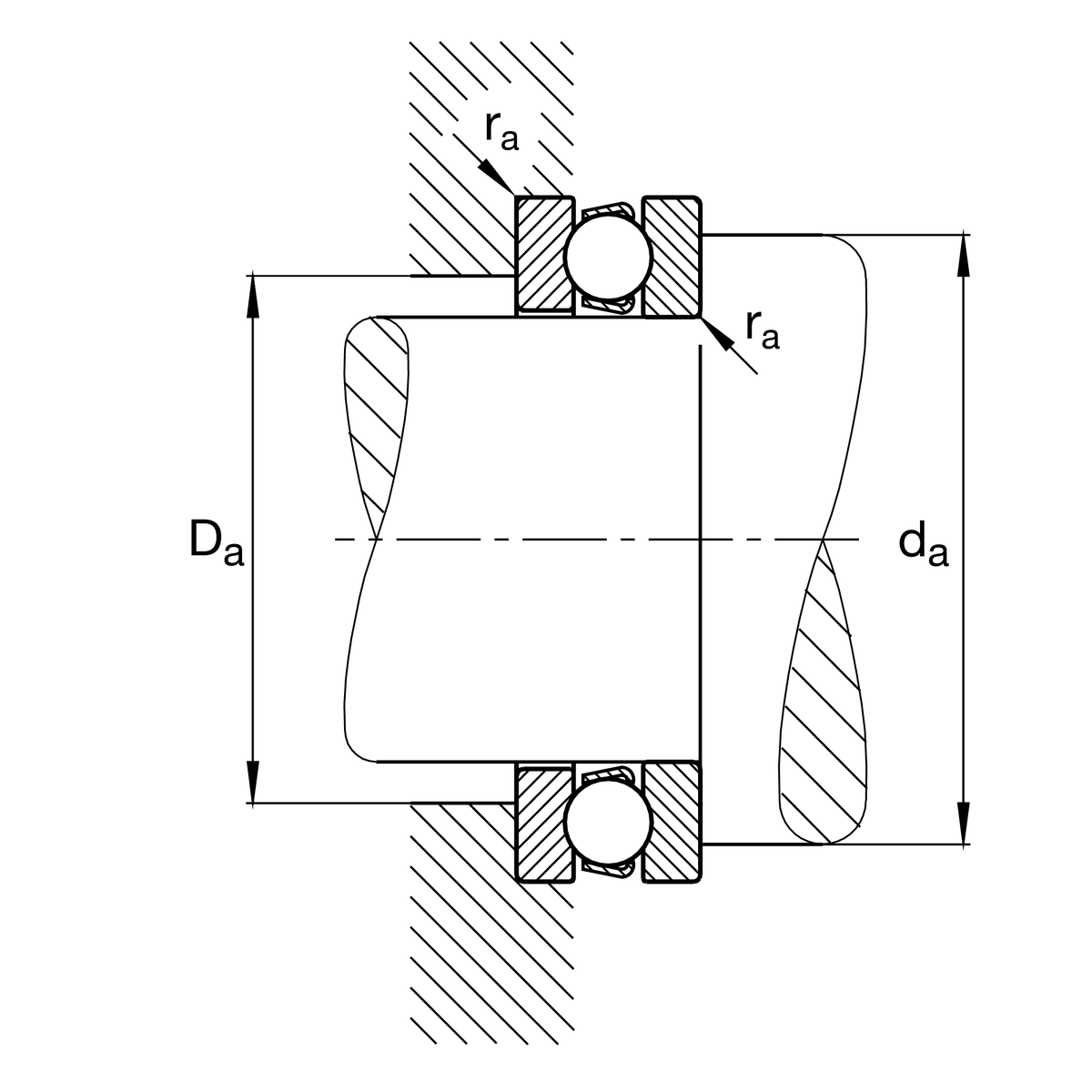
Mounting dimensions
da min
182 mm
Minimum diameter shaft shoulder
Da max
158 mm
Maximum diameter of housing shoulder
ra max
2.5 mm
Maximum filled radius

Dimensions
rmin
3 mm
Minimum chamfer dimension
D1
113 mm
Inner diameter housing washer
d1
225 mm
Outer diameter shaft washer

Temperature range
Tmin
-30 °C
Operating temperature min.
Tmax
150 °C
Operating temperature max.

Calculation factors
A
8.2
Minimum load factor

Your current product variant
CageMPsolid brass cage, rolling element guided
Tolerance classPNNormal (PN)
Add item