PRODUCTS


FAG
51426-MP
Axial deep groove ball bearing 51426-MP
Add item
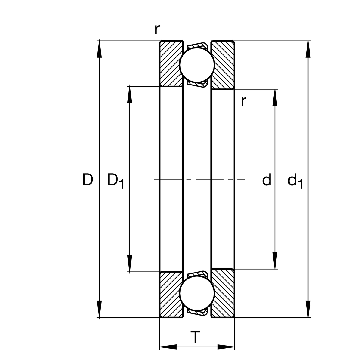
Main Dimensions & Performance Data
d
130 mm
Inner diameter shaft washer
D
270 mm
Outer diameter housing washer
T
110 mm
Height
Ca
560,000 N
Basic dynamic load rating, axial
C0a
1,750,000 N
Basic static load rating, axial
Cua
57,000 N
Fatigue load limit, axial
nG
1,030 1/min
Limiting speed
nϑr
2,650 1/min
Reference speed
≈m
32.02 kg
Weight

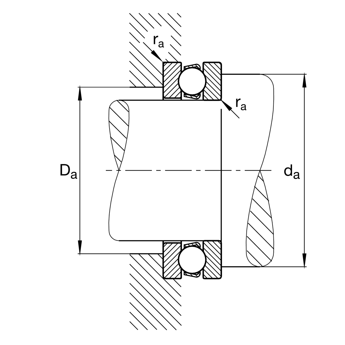
Mounting dimensions
da min
214 mm
Minimum diameter shaft shoulder
Da max
186 mm
Maximum diameter of housing shoulder
ra max
3 mm
Maximum filled radius

Dimensions
rmin
4 mm
Minimum chamfer dimension
D1
134 mm
Inner diameter housing washer
d1
265 mm
Outer diameter shaft washer

Temperature range
Tmin
-30 °C
Operating temperature min.
Tmax
200 °C
Operating temperature max.

Calculation factors
A
16
Minimum load factor

Your current product variant
CageMPsolid brass cage, rolling element guided
Tolerance classPNNormal (PN)
Add item