PRODUCTS


FAG
51420-MP
Axial deep groove ball bearing 51420-MP
Add item
Main Dimensions & Performance Data
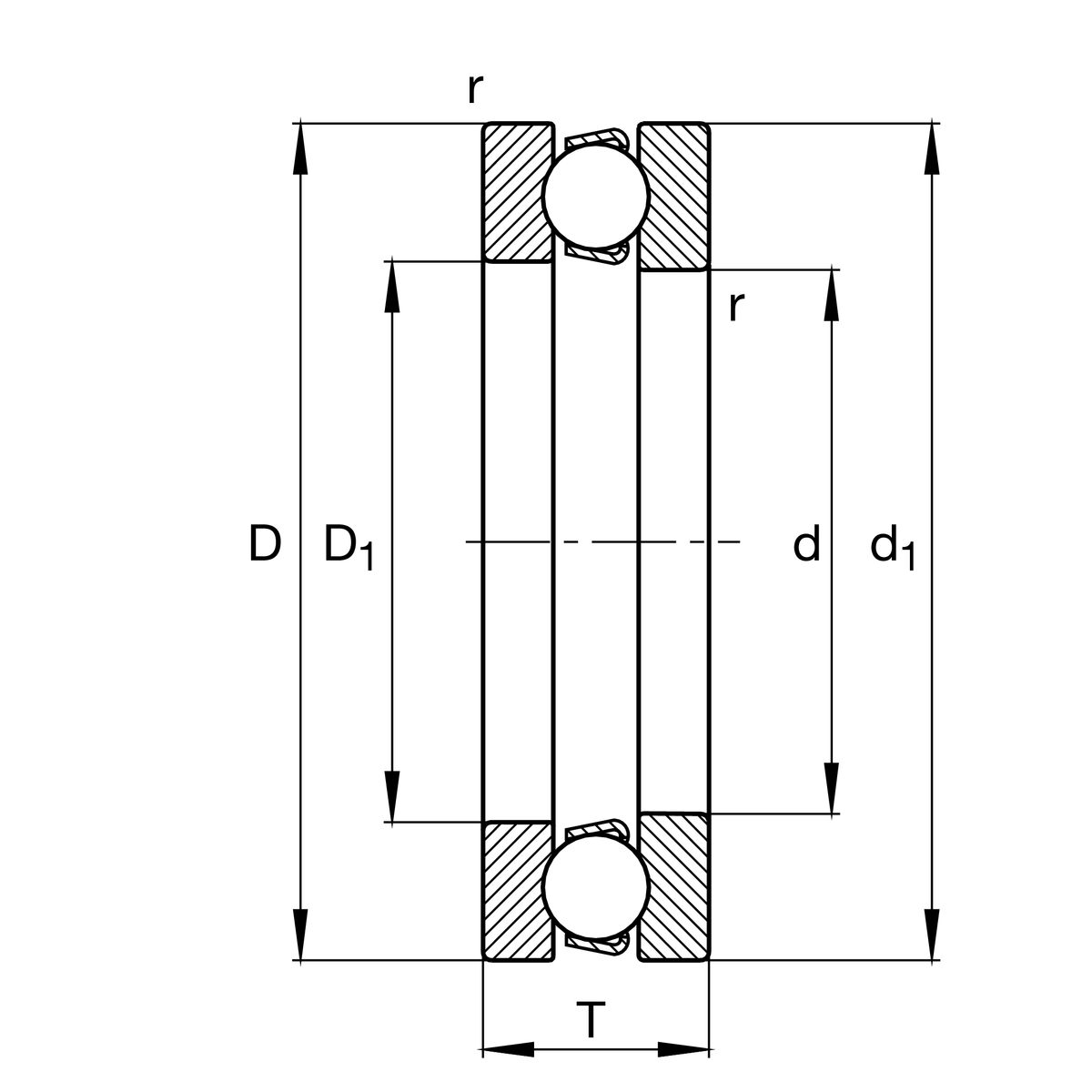
d
100 mm
Inner diameter shaft washer
D
210 mm
Outer diameter housing washer
T
85 mm
Height
Ca
375,000 N
Basic dynamic load rating, axial
C0a
1,060,000 N
Basic static load rating, axial
Cua
38,500 N
Fatigue load limit, axial
nG
1,350 1/min
Limiting speed
nϑr
3,650 1/min
Reference speed
≈m
14.681 kg
Weight

Mounting dimensions
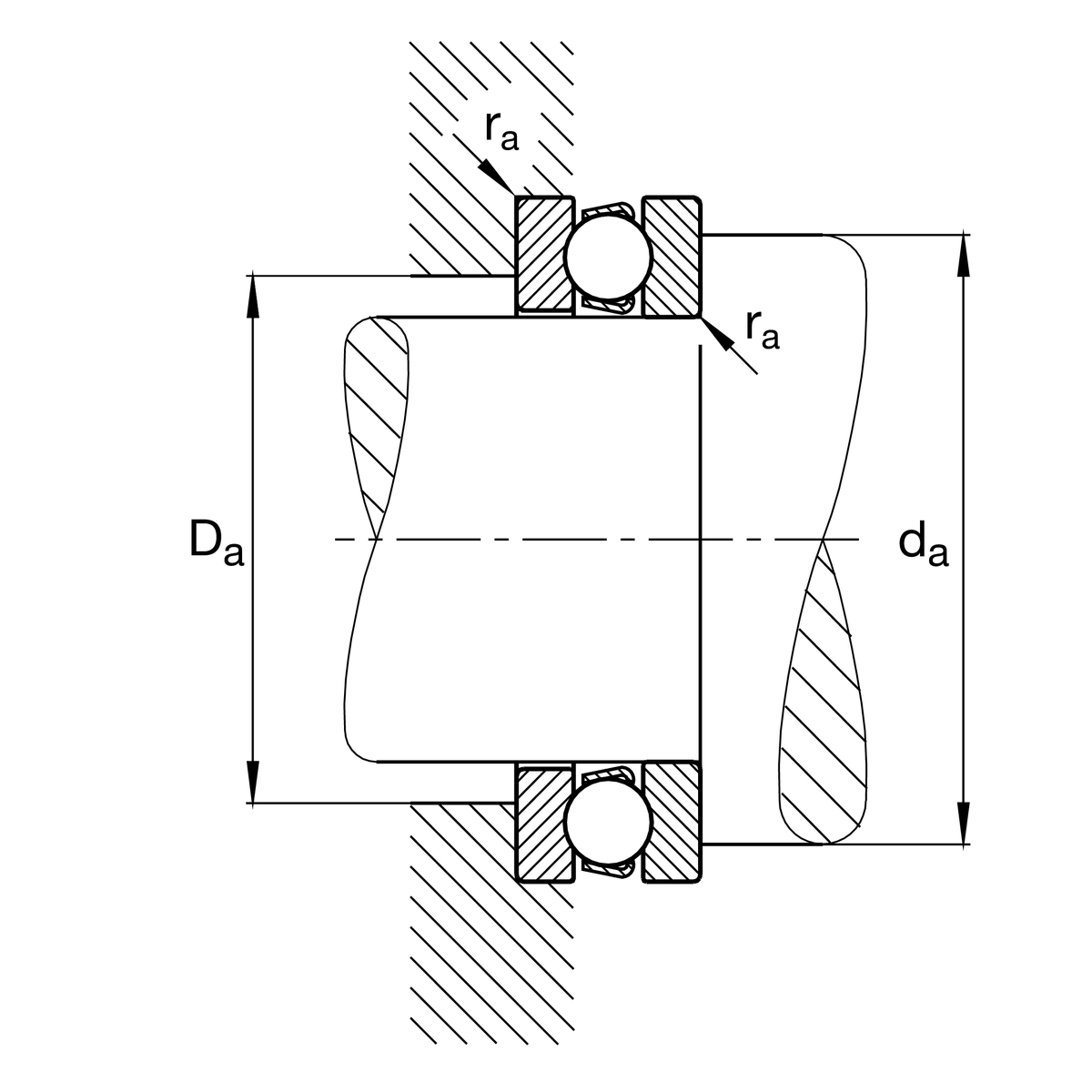
da min
166 mm
Minimum diameter shaft shoulder
Da max
144 mm
Maximum diameter of housing shoulder
ra max
2.5 mm
Maximum filled radius

Dimensions
rmin
3 mm
Minimum chamfer dimension
D1
103 mm
Inner diameter housing washer
d1
205 mm
Outer diameter shaft washer

Temperature range
Tmin
-30 °C
Operating temperature min.
Tmax
150 °C
Operating temperature max.

Calculation factors
A
6
Minimum load factor

Your current product variant
CageMPsolid brass cage, rolling element guided
Tolerance classPNNormal (PN)
Add item