PRODUCTS


FAG
52324-MP
Axial deep groove ball bearing 52324-MP
Add item
Main Dimensions & Performance Data
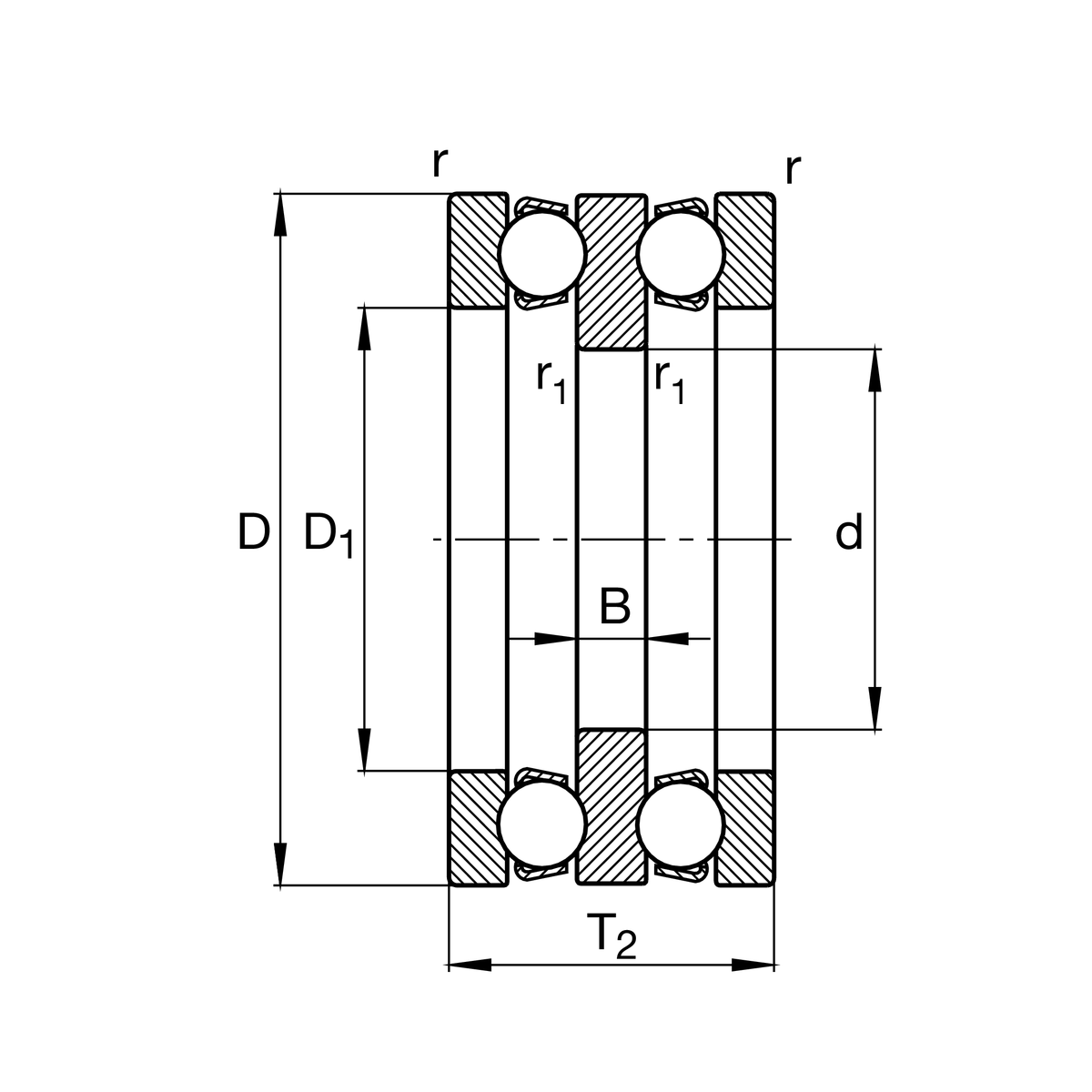
d
100 mm
Inner diameter shaft washer
D
210 mm
Outer diameter housing washer
T2
123 mm
Height
Ca
325,000 N
Basic dynamic load rating, axial
C0a
910,000 N
Basic static load rating, axial
Cua
32,500 N
Fatigue load limit, axial
nG
1,610 1/min
Limiting speed
nϑr
3,100 1/min
Reference speed
≈m
19.344 kg
Weight

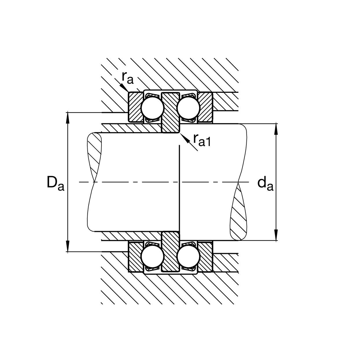
Mounting dimensions
da max
120 mm
Maximum diameter shaft shoulder
Da max
156 mm
Maximum diameter of housing shoulder
ra max
2.1 mm
Maximum filled radius
ra1 max
1 mm
Maximum filled radius

Dimensions
D1
123 mm
Inner diameter housing washer
B
27 mm
Height shaft washer
rmin
2.1 mm
Minimum chamfer dimension
r1 min
1.1 mm
Minimum chamfer dimension

Temperature range
Tmin
-30 °C
Operating temperature min.
Tmax
150 °C
Operating temperature max.

Calculation factors
A
4.4
Minimum load factor

Your current product variant
CageMPsolid brass cage, rolling element guided
Tolerance classPNNormal (PN)
Add item