PRODUCTS


FAG
52322-MP
Axial deep groove ball bearing 52322-MP
Add item
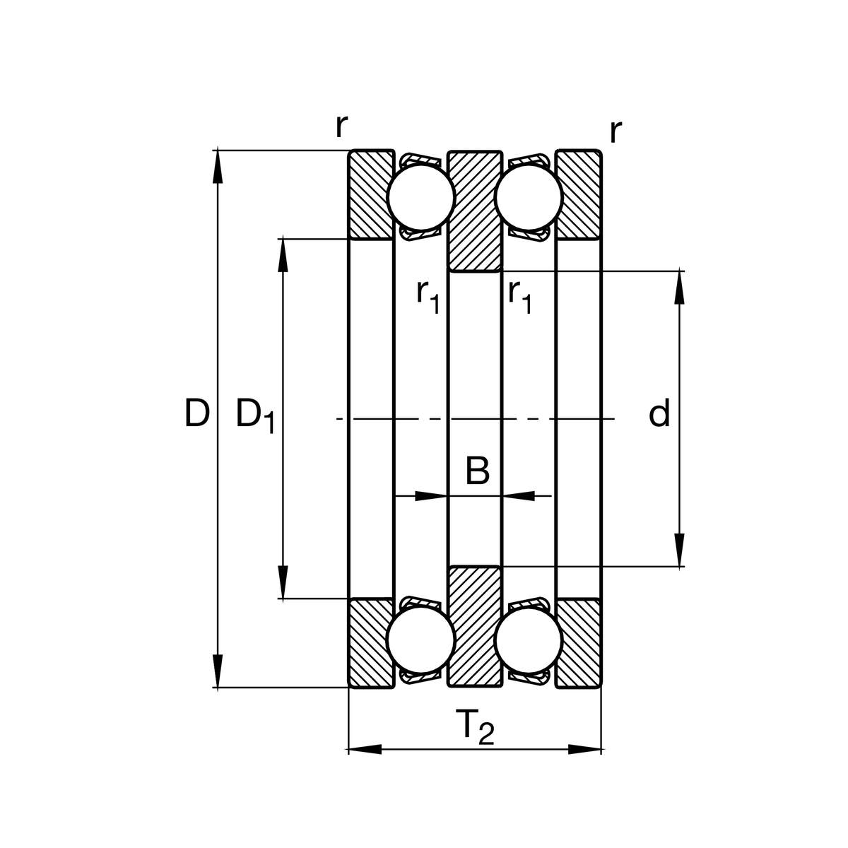
Main Dimensions & Performance Data
d
95 mm
Inner diameter shaft washer
D
190 mm
Outer diameter housing washer
T2
110 mm
Height
Ca
280,000 N
Basic dynamic load rating, axial
C0a
740,000 N
Basic static load rating, axial
Cua
28,000 N
Fatigue load limit, axial
nG
1,790 1/min
Limiting speed
nϑr
3,300 1/min
Reference speed
≈m
13.806 kg
Weight

Mounting dimensions
da max
110 mm
Maximum diameter shaft shoulder
Da max
142 mm
Maximum diameter of housing shoulder
ra max
2 mm
Maximum filled radius
ra1 max
1 mm
Maximum filled radius

Dimensions
D1
113 mm
Inner diameter housing washer
B
24 mm
Height shaft washer
rmin
2 mm
Minimum chamfer dimension
r1 min
1 mm
Minimum chamfer dimension

Temperature range
Tmin
-30 °C
Operating temperature min.
Tmax
150 °C
Operating temperature max.

Calculation factors
A
3
Minimum load factor

Your current product variant
CageMPsolid brass cage, rolling element guided
Tolerance classPNNormal (PN)
Add item