PRODUCTS


FAG
52328-MP
Axial deep groove ball bearing 52328-MP
Add item
Main Dimensions & Performance Data
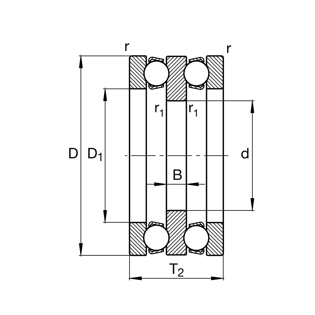
d
120 mm
Inner diameter shaft washer
D
240 mm
Outer diameter housing washer
T2
140 mm
Height
Ca
385,000 N
Basic dynamic load rating, axial
C0a
1,240,000 N
Basic static load rating, axial
Cua
41,000 N
Fatigue load limit, axial
nG
1,360 1/min
Limiting speed
nϑr
2,550 1/min
Reference speed
≈m
28.3 kg
Weight

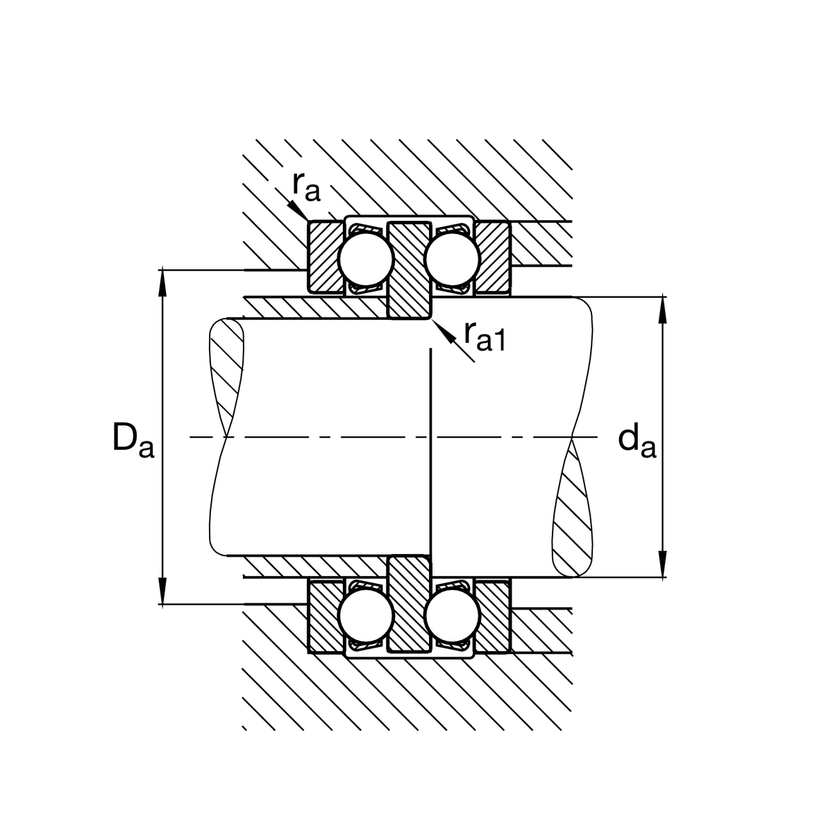
Mounting dimensions
da max
140 mm
Maximum diameter shaft shoulder
Da max
180 mm
Maximum diameter of housing shoulder
ra max
2.1 mm
Maximum filled radius
ra1 max
1 mm
Maximum filled radius

Dimensions
D1
144 mm
Inner diameter housing washer
B
31 mm
Height shaft washer
rmin
2.1 mm
Minimum chamfer dimension
r1 min
1.1 mm
Minimum chamfer dimension

Temperature range
Tmin
-30 °C
Operating temperature min.
Tmax
150 °C
Operating temperature max.

Calculation factors
A
8.2
Minimum load factor

Your current product variant
CageMPsolid brass cage, rolling element guided
Tolerance classPNNormal (PN)
Add item