PRODUCTS


FAG
51418-MP
Axial deep groove ball bearing 51418-MP
Add item
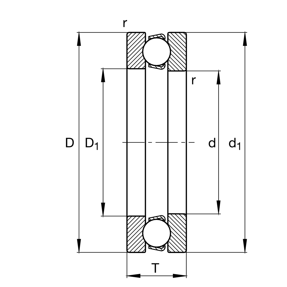
Main Dimensions & Performance Data
d
90 mm
Inner diameter shaft washer
D
190 mm
Outer diameter housing washer
T
77 mm
Height
Ca
325,000 N
Basic dynamic load rating, axial
C0a
830,000 N
Basic static load rating, axial
Cua
32,000 N
Fatigue load limit, axial
nG
1,540 1/min
Limiting speed
nϑr
4,100 1/min
Reference speed
≈m
11.176 kg
Weight

Mounting dimensions
da min
150 mm
Minimum diameter shaft shoulder
Da max
130 mm
Maximum diameter of housing shoulder
ra max
2.1 mm
Maximum filled radius

Dimensions
rmin
2.1 mm
Minimum chamfer dimension
D1
93 mm
Inner diameter housing washer
d1
187 mm
Outer diameter shaft washer

Temperature range
Tmin
-30 °C
Operating temperature min.
Tmax
150 °C
Operating temperature max.

Calculation factors
A
3.7
Minimum load factor

Your current product variant
CageMPsolid brass cage, rolling element guided
Tolerance classPNNormal (PN)
Add item