PRODUCTS


FAG
51417-MP
Axial deep groove ball bearing 51417-MP
Add item
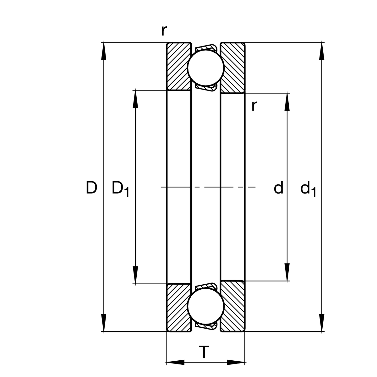
Main Dimensions & Performance Data
d
85 mm
Inner diameter shaft washer
D
180 mm
Outer diameter housing washer
T
72 mm
Height
Ca
305,000 N
Basic dynamic load rating, axial
C0a
750,000 N
Basic static load rating, axial
Cua
30,000 N
Fatigue load limit, axial
nG
1,620 1/min
Limiting speed
nϑr
4,250 1/min
Reference speed
≈m
9.231 kg
Weight

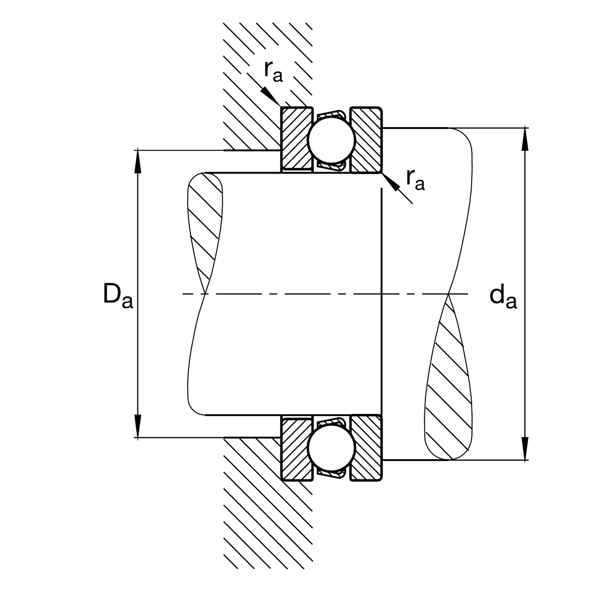
Mounting dimensions
da min
142 mm
Minimum diameter shaft shoulder
Da max
123 mm
Maximum diameter of housing shoulder
ra max
2.1 mm
Maximum filled radius

Dimensions
rmin
2.1 mm
Minimum chamfer dimension
D1
88 mm
Inner diameter housing washer
d1
177 mm
Outer diameter shaft washer

Temperature range
Tmin
-30 °C
Operating temperature min.
Tmax
150 °C
Operating temperature max.

Calculation factors
A
3
Minimum load factor

Your current product variant
CageMPsolid brass cage, rolling element guided
Tolerance classPNNormal (PN)
Add item