PRODUCTS


FAG
51416-MP
Axial deep groove ball bearing 51416-MP
Add item
Main Dimensions & Performance Data
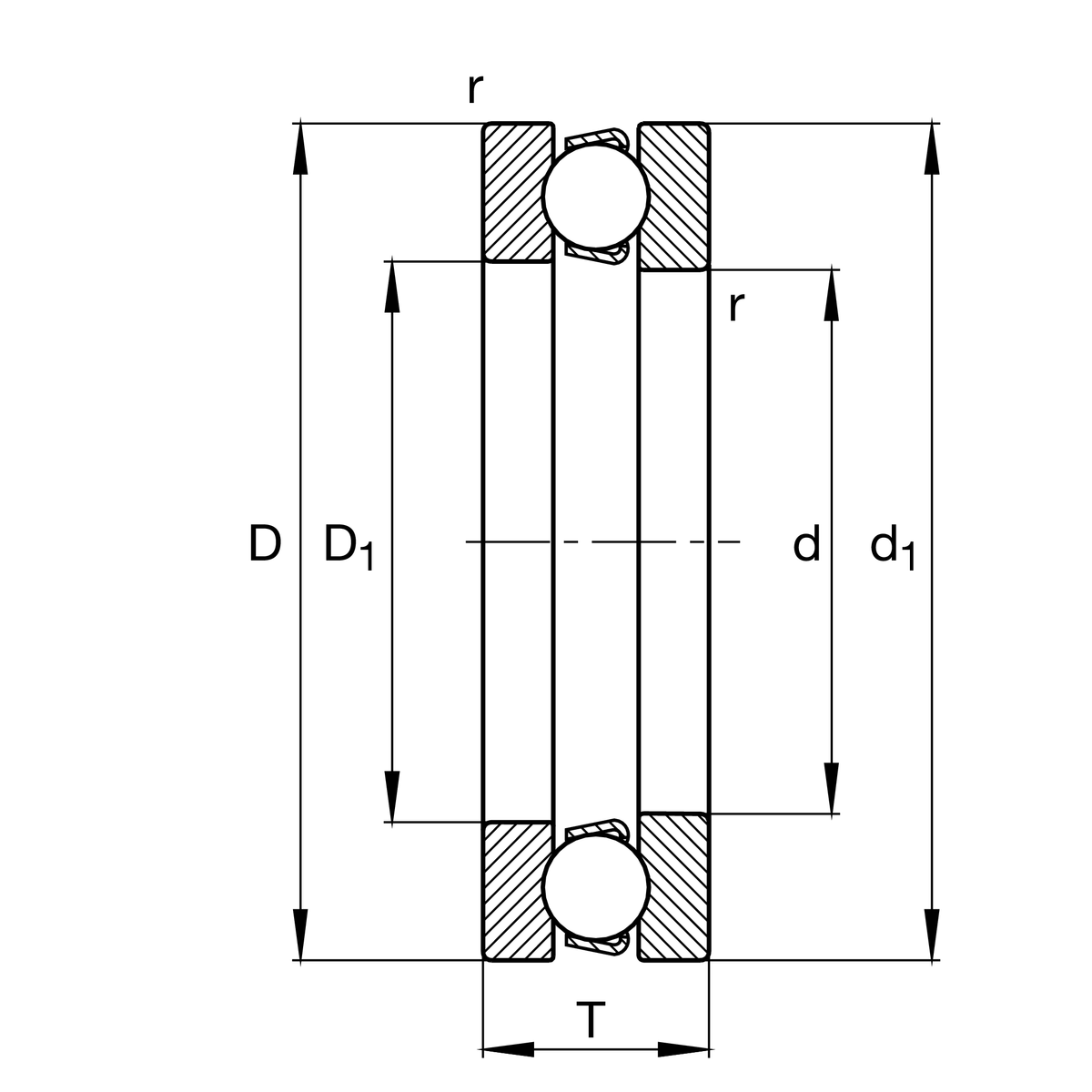
d
80 mm
Inner diameter shaft washer
D
170 mm
Outer diameter housing washer
T
68 mm
Height
Ca
270,000 N
Basic dynamic load rating, axial
C0a
620,000 N
Basic static load rating, axial
Cua
25,500 N
Fatigue load limit, axial
nG
1,710 1/min
Limiting speed
nϑr
4,550 1/min
Reference speed
≈m
8.028 kg
Weight

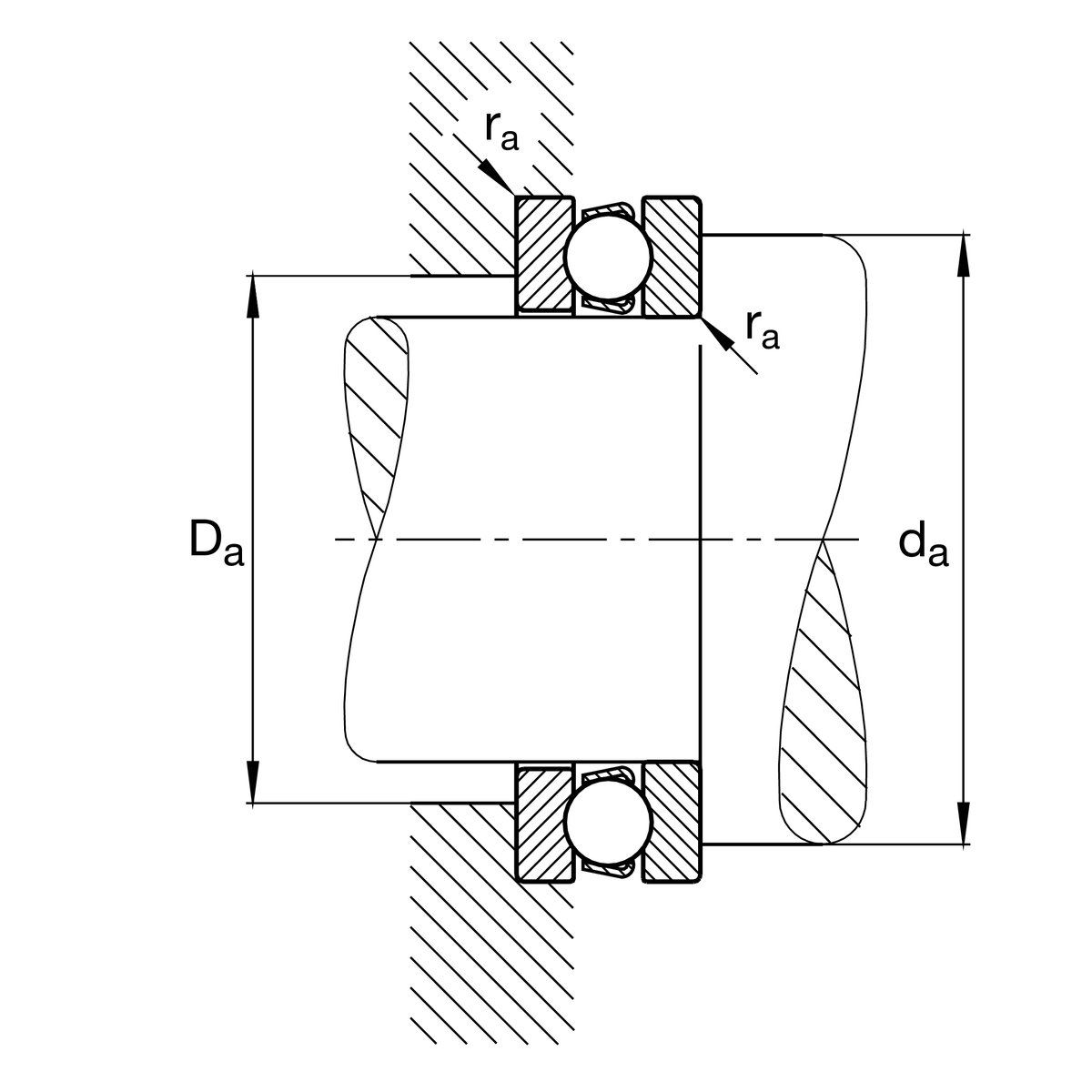
Mounting dimensions
da min
134 mm
Minimum diameter shaft shoulder
Da max
116 mm
Maximum diameter of housing shoulder
ra max
2.1 mm
Maximum filled radius

Dimensions
rmin
2.1 mm
Minimum chamfer dimension
D1
83 mm
Inner diameter housing washer
d1
170 mm
Outer diameter shaft washer

Temperature range
Tmin
-30 °C
Operating temperature min.
Tmax
150 °C
Operating temperature max.

Calculation factors
A
2.2
Minimum load factor

Your current product variant
CageMPsolid brass cage, rolling element guided
Tolerance classPNNormal (PN)
Add item