PRODUCTS


FAG
51415-MP
Axial deep groove ball bearing 51415-MP
Add item
Main Dimensions & Performance Data
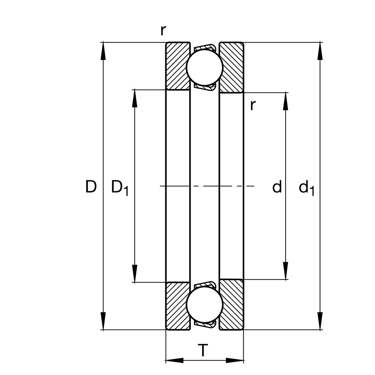
d
75 mm
Inner diameter shaft washer
D
160 mm
Outer diameter housing washer
T
65 mm
Height
Ca
238,000 N
Basic dynamic load rating, axial
C0a
560,000 N
Basic static load rating, axial
Cua
23,400 N
Fatigue load limit, axial
nG
1,810 1/min
Limiting speed
nϑr
4,750 1/min
Reference speed
≈m
6.81 kg
Weight

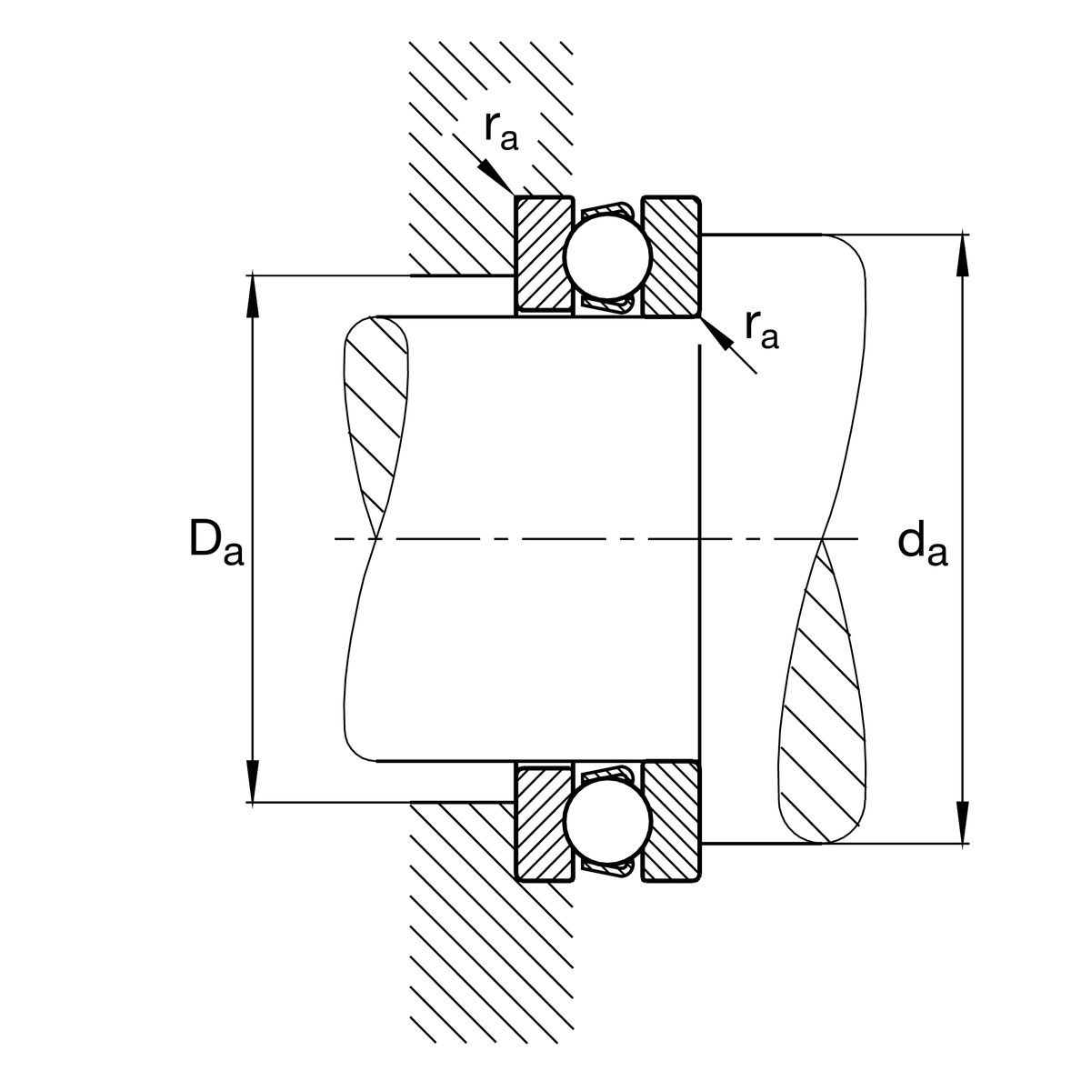
Mounting dimensions
da min
126 mm
Minimum diameter shaft shoulder
Da max
109 mm
Maximum diameter of housing shoulder
ra max
2 mm
Maximum filled radius

Dimensions
rmin
2 mm
Minimum chamfer dimension
D1
78 mm
Inner diameter housing washer
d1
160 mm
Outer diameter shaft washer

Temperature range
Tmin
-30 °C
Operating temperature min.
Tmax
150 °C
Operating temperature max.

Calculation factors
A
1.8
Minimum load factor

Your current product variant
CageMPsolid brass cage, rolling element guided
Tolerance classPNNormal (PN)
Add item