PRODUCTS
- Home
- Product Info
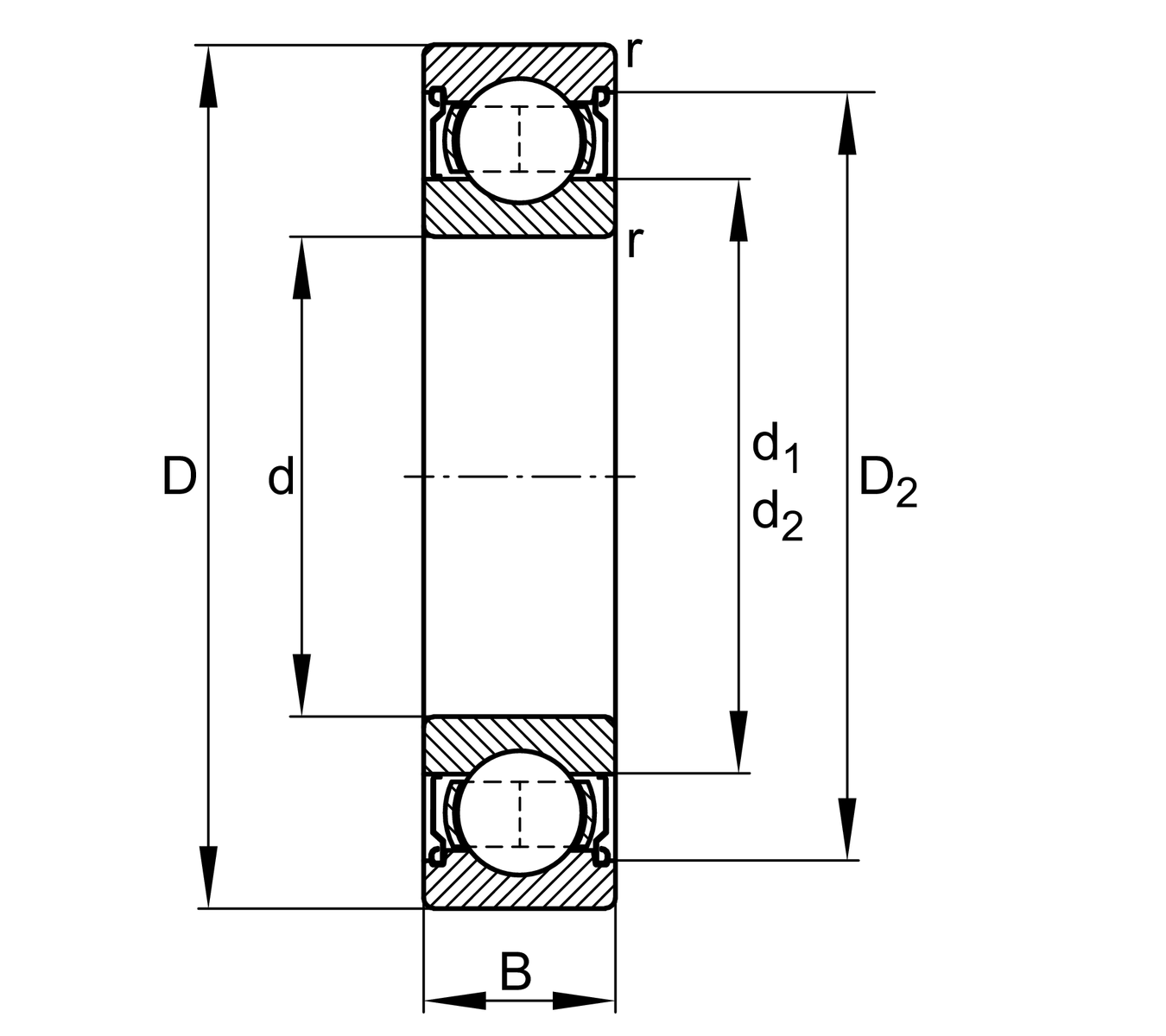
| d | 6 mm | Bore diameter |
| D | 17 mm | Outside diameter |
| B | 6 mm | Width |
| Cr | 2,260 N | Basic dynamic load rating, radial |
| C0r | 838 N | Basic static load rating, radial |
| Cur | 52 N | Fatigue load limit, radial |
| nG | 48,000 1/min | Limiting speed |
| nϑr | 41,000 1/min | Reference speed |
| ≈m | 7.42 g | Weight |
| rmin | 0.3 mm | Minimum chamfer dimension |
| D1 | 13.75 mm | Shoulder diameter outer ring |
| D2 | 14.8 mm | Caliber diameter outer ring |
| d1 | 8.92 mm | Shoulder diameter inner ring |
| d2 | 8.2 mm | Caliber diameter inner ring |
| Bf | 1.2 mm | Width flange |
| Df | 19 mm | Outer diameter flange |
| Tmin | -30 °C | Operating temperature min. |
| Tmax | 120 °C | Operating temperature max. |
| f0 | 11.4 | Calculation factor |
| Logistical code | HLC | - |
| Design, bearing outer ring | F | Flange |
| Sealing | 2Z | Non-contact shield on both sides |
| Cage | JN | steel sheet metal |
| Tolerance class | PN | Normal (PN) |
| Dimensional / heat stabilization | SN | Rings dimensional stabilized up to 120° |
| Lubricant | L138 | Grease (L138/customer specific) |
| Radial internal clearance | CN (Group N) | Normal internal clearance |