PRODUCTS


FAG
51414-MP
Axial deep groove ball bearing 51414-MP
Add item
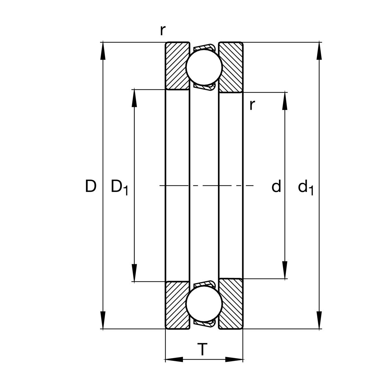
Main Dimensions & Performance Data
d
70 mm
Inner diameter shaft washer
D
150 mm
Outer diameter housing washer
T
60 mm
Height
Ca
222,000 N
Basic dynamic load rating, axial
C0a
500,000 N
Basic static load rating, axial
Cua
21,700 N
Fatigue load limit, axial
nG
1,920 1/min
Limiting speed
nϑr
5,000 1/min
Reference speed
≈m
5.524 kg
Weight

Mounting dimensions
da min
118 mm
Minimum diameter shaft shoulder
Da max
102 mm
Maximum diameter of housing shoulder
ra max
2 mm
Maximum filled radius

Dimensions
rmin
2 mm
Minimum chamfer dimension
D1
73 mm
Inner diameter housing washer
d1
150 mm
Outer diameter shaft washer

Temperature range
Tmin
-30 °C
Operating temperature min.
Tmax
150 °C
Operating temperature max.

Calculation factors
A
1.4
Minimum load factor

Your current product variant
CageMPsolid brass cage, rolling element guided
Tolerance classPNNormal (PN)
Add item