PRODUCTS
- 首頁
- 產品介紹
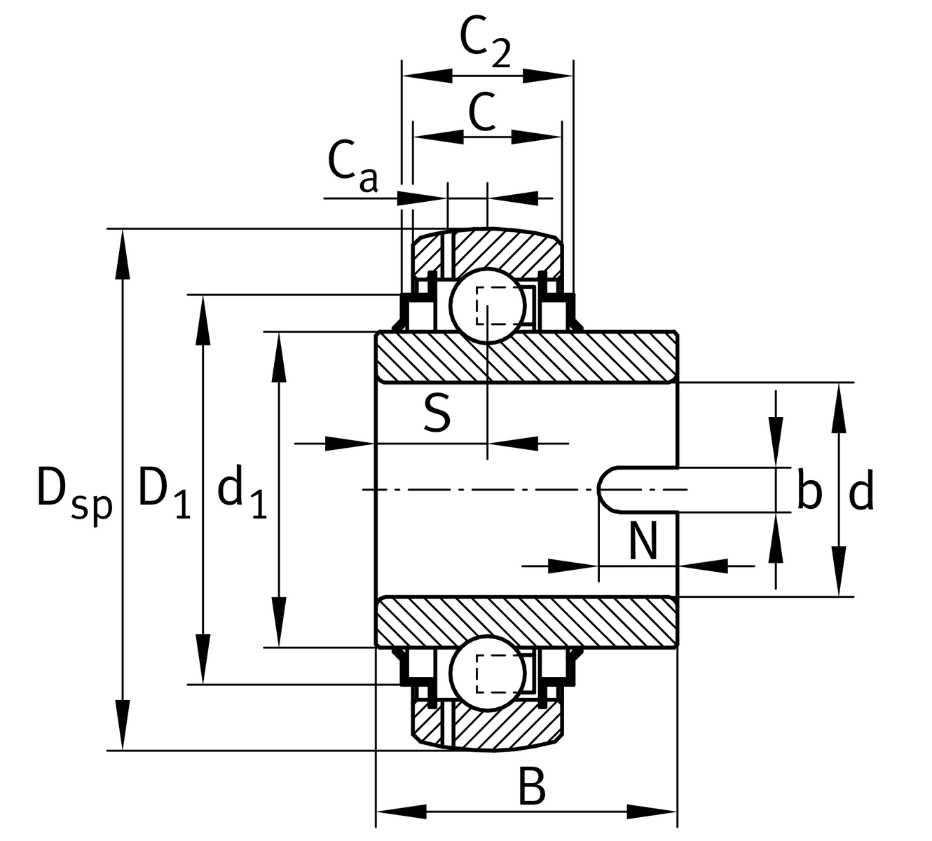
| d | 40 mm | 內徑 |
| DSP | 80 mm | 外徑 |
| B | 42.9 mm | 寬度 |
| Cur | 910 N | 疲勞負載極限,徑向 |
| Cr | 34,500 N | 基本額定動載荷,徑向 |
| C0r | 19,800 N | 基本額定靜態負荷,徑向 |
| ≈m | 0.56 kg | 重量 |
| C | 21 mm | 外圈寬度 |
| C2 | 23.5 mm | 封口總寬度 |
| S | 15.9 mm | 滾道距離 |
| d1 | 52.3 mm | 內圈擋邊直徑 |
| D1 | 68.3 mm | 外徑密封 |
| Ca | 6.4 mm | 至潤滑孔距離 |
| N | 9 mm | 固定槽高度 |
| b | 7 mm | 固定槽寬度 |
H11 | 固定槽寬度 clearance |
| f0 | 13.6 | 計算參數 |
| Sealing | KRR | 兩側唇形密封 |
| Shape of outer surface | B |