PRODUCTS
- 首頁
- 產品介紹
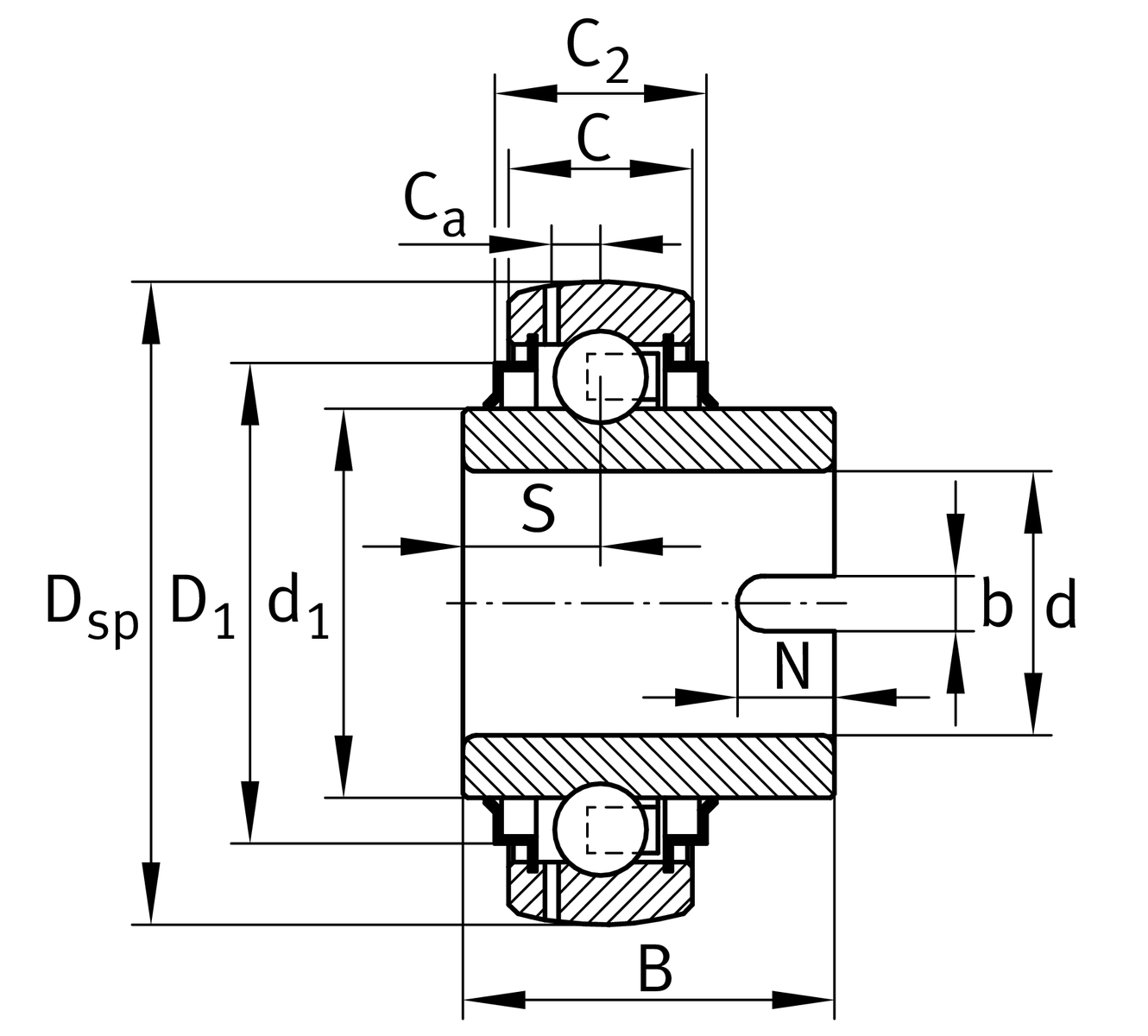
| d | 60 mm | 內徑 |
| DSP | 110 mm | 外徑 |
| B | 61.9 mm | 寬度 |
| Cur | 1,870 N | 疲勞負載極限,徑向 |
| Cr | 52,000 N | 基本額定動載荷,徑向 |
| C0r | 36,000 N | 基本額定靜態負荷,徑向 |
| ≈m | 1.38 kg | 重量 |
| C | 24 mm | 外圈寬度 |
| C2 | 29 mm | 封口總寬度 |
| S | 24.6 mm | 滾道距離 |
| d1 | 76.5 mm | 內圈擋邊直徑 |
| D1 | 95.9 mm | 外徑密封 |
| Ca | 7.2 mm | 至潤滑孔距離 |
| N | 12 mm | 固定槽高度 |
| b | 9 mm | 固定槽寬度 |
H11 | 固定槽寬度 clearance |
| f0 | 14.3 | 計算參數 |
| Sealing | KRR | 兩側唇形密封 |
| Shape of outer surface | B |