PRODUCTS
- 首頁
- 產品介紹
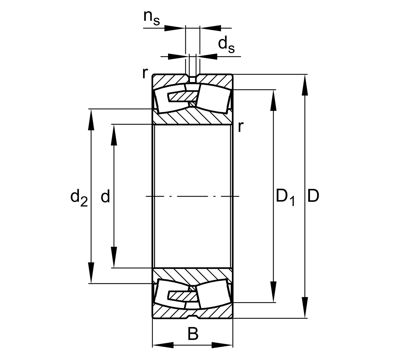
| d | 420 mm | 內徑 |
| D | 700 mm | 外徑 |
| B | 224 mm | 寬度 |
| Cr | 6,000,000 N | 基本額定動載荷,徑向 |
| C0r | 9,600,000 N | 基本額定靜態負荷,徑向 |
| Cur | 660,000 N | 疲勞負載極限,徑向 |
| nG | 860 1/min | 極限轉速 |
| nϑr | 455 1/min | 參考轉速 |
| ≈m | 344.5 kg | 重量 |
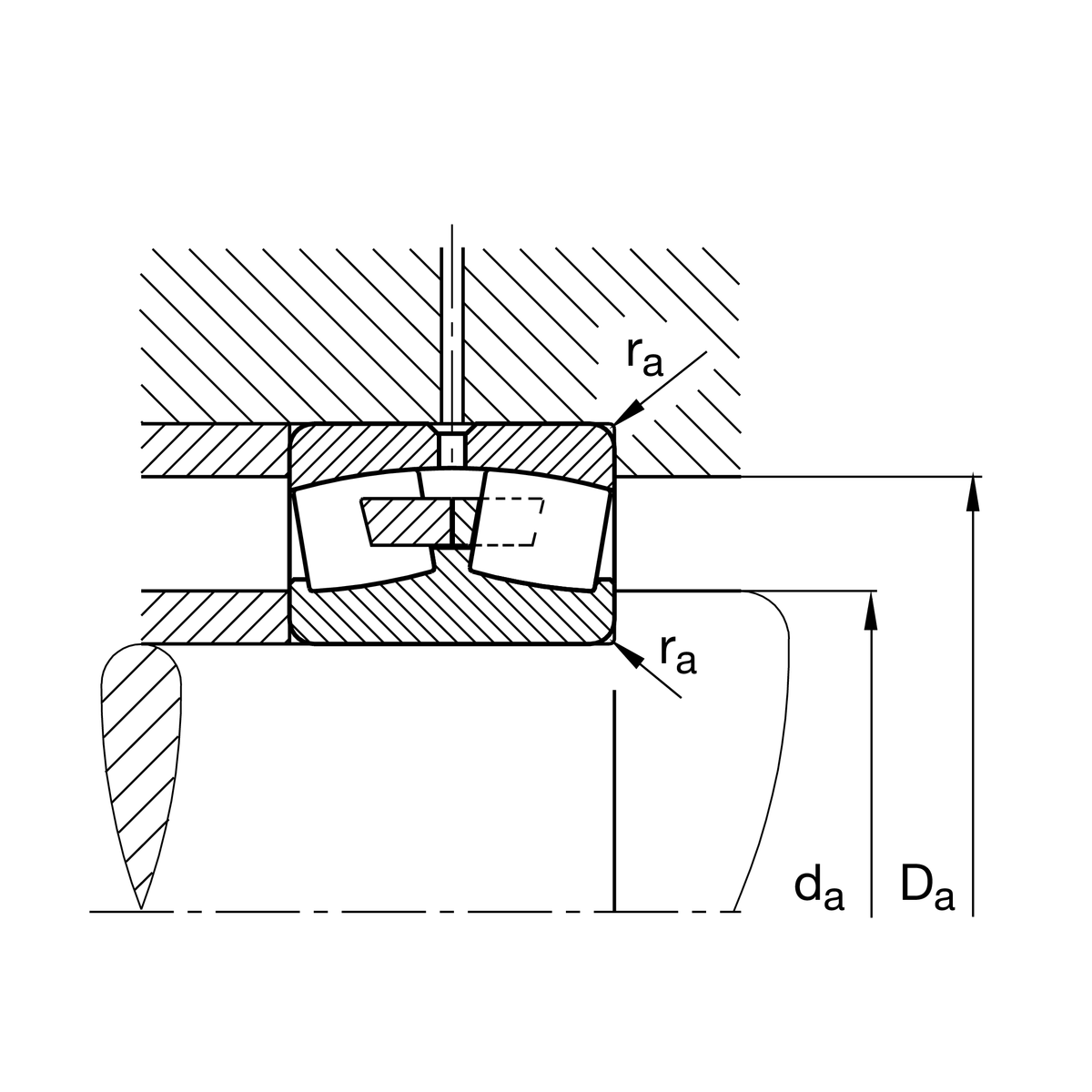
| da min | 446 mm | 軸肩最小直徑 |
| Da max | 674 mm | 殼肩最大直徑 |
| ra max | 5 mm | 最大凹槽半徑 |
| rmin | 6 mm | 最小倒角尺寸 |
| D1 | 609.8 mm | 外圈內徑 |
| ds | 12.5 mm | 潤滑孔直徑 |
| ns | 23.5 mm | 潤滑溝寬度 |
| Tmin | -30 °C | 最低工作溫度 |
| Tmax | 200 °C | 最高操作溫度 |
| e | 0.31 | Fa/Fr對於差分的適用性的限制值。 X 和 Y 參數 |
| Y1 | 2.18 | 動態軸向負載係數 |
| Y2 | 3.24 | 動態軸向負載係數 |
| Y0 | 2.13 | 靜態軸向負荷係數 |
| Design | BEA | 無中心唇環 |
| Bore type | Z | 圓柱 |
| Cage | MB1 | 黃銅實體保持架 |
| Radial internal clearance | C2 (Group 2) | 內部間隙小於CN |
| Relubrication feature | Standard |