PRODUCTS


FAG
23184-BEA-XL-MB1
Spherical Roller Bearing 23184-BEA-XL-MB1
加入詢價
主要尺寸與性能資料
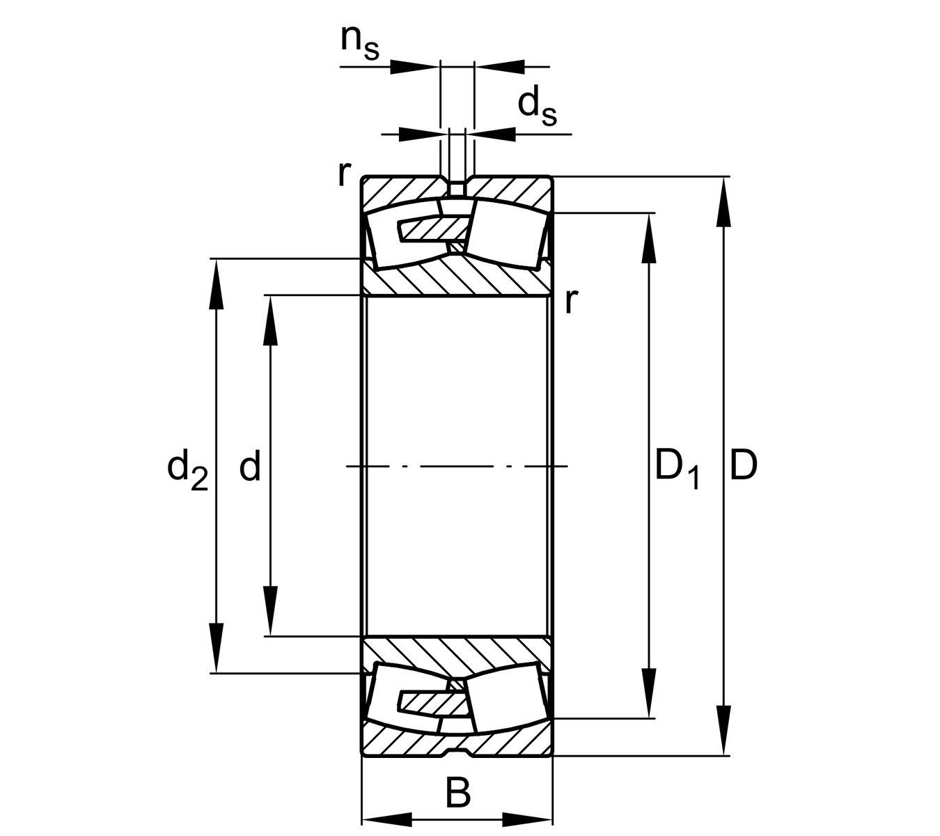
d
420 mm
內徑
D
700 mm
外徑
B
224 mm
寬度
Cr
6,000,000 N
基本額定動載荷,徑向
C0r
9,600,000 N
基本額定靜態負荷,徑向
Cur
660,000 N
疲勞負載極限,徑向
nG
860 1/min
極限轉速
nϑr
455 1/min
參考轉速
≈m
344 kg
重量

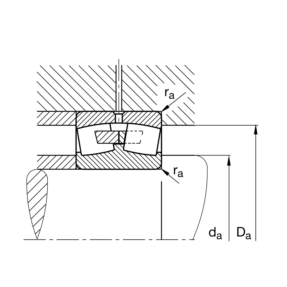
安裝尺寸
da min
446 mm
軸肩最小直徑
Da max
674 mm
殼肩最大直徑
ra max
5 mm
最大凹槽半徑

尺寸
rmin
6 mm
最小倒角尺寸
D1
609.8 mm
外圈內徑
ds
12.5 mm
潤滑孔直徑
ns
23.5 mm
潤滑溝寬度

溫度範圍
Tmin
-30 °C
最低工作溫度
Tmax
200 °C
最高操作溫度

計算參數s
e
0.31
Fa/Fr對於差分的適用性的限制值。 X 和 Y 參數
Y1
2.18
動態軸向負載係數
Y2
3.24
動態軸向負載係數
Y0
2.13
靜態軸向負荷係數

您目前的產品型號
DesignBEA無中心唇環
Bore typeZ圓柱
CageMB1黃銅實體保持架
Radial internal clearanceCN (Group N)正常內部間隙
Relubrication featureStandard
Handling thread holesH78CHandling thread holes, outer ring
加入詢價