PRODUCTS


INA
RSL30x49,6x25-XL-RV
Cylindrical roller bearing RSL30x49,6x25-XL-RV
加入詢價
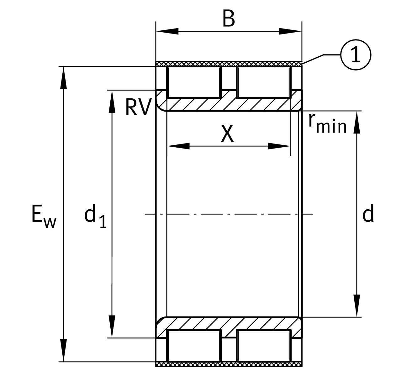
主要尺寸與性能資料
d
30 mm
內圈擋邊直徑
Ew
49.6 mm
B
25 mm
寬度
Cr
56,000 N
基本額定動載荷,徑向
C0r
55,000 N
基本額定靜態負荷,徑向
Cur
9,800 N
疲勞負載極限,徑向
nG
8,100 1/min
極限轉速
nϑr
4,050 1/min
參考轉速
≈m
0.16 kg
重量

安裝尺寸
da min
40 mm
軸肩最小直徑

尺寸
rmin
1 mm
最小倒角尺寸
X
19.3 mm
raceway width

溫度範圍
Tmin
-30 °C
最低工作溫度
Tmax
120 °C
最高操作溫度

您目前的產品型號
Number of rolling element rows2雙列設計
加入詢價