PRODUCTS


INA
RSL30x43,5x30-XL-RV-DP
Cylindrical roller bearing RSL30x43,5x30-XL-RV-DP
加入詢價
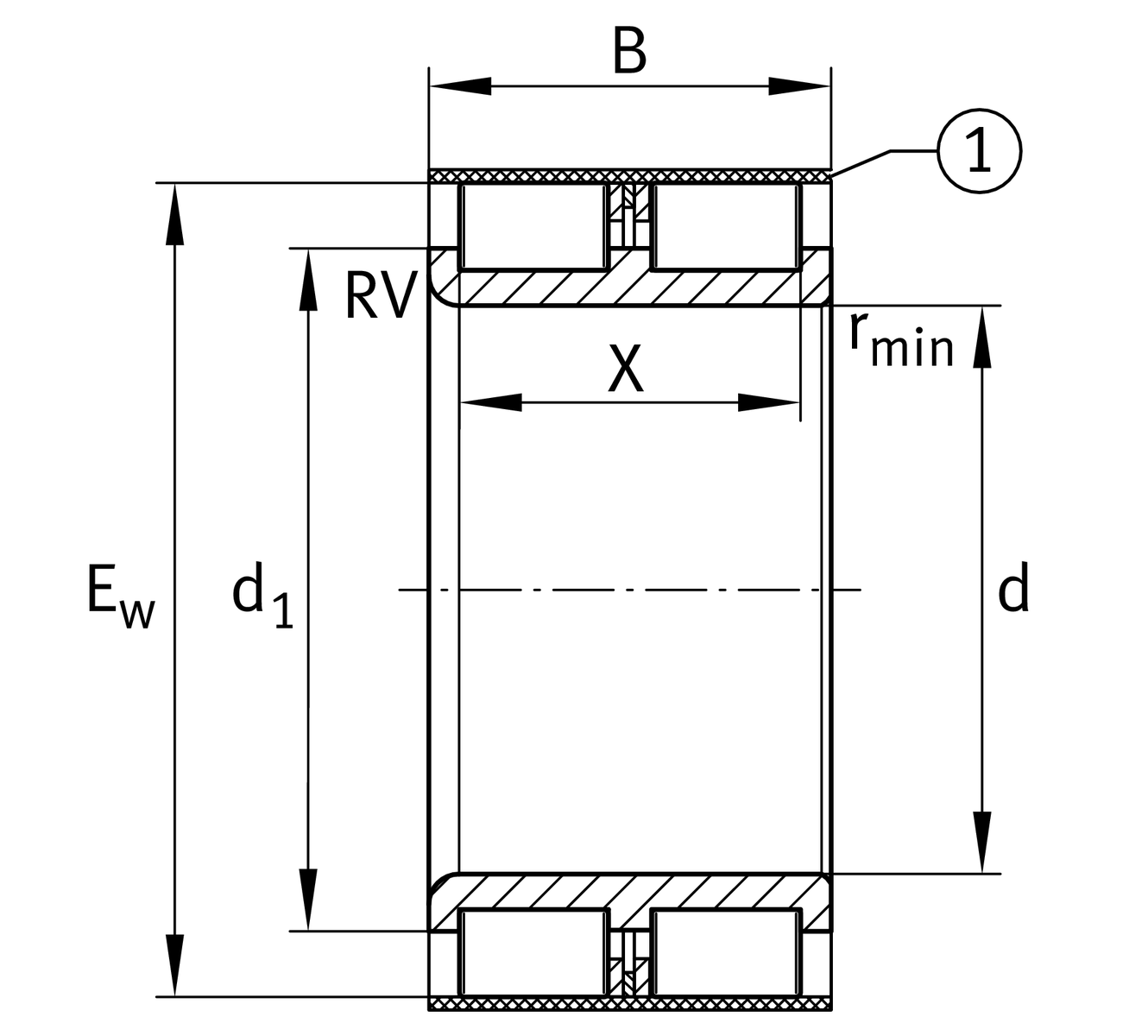
主要尺寸與性能資料
d
30 mm
內圈擋邊直徑
Ew
43.5 mm
B
30 mm
寬度
Cr
59,000 N
基本額定動載荷,徑向
C0r
73,000 N
基本額定靜態負荷,徑向
Cur
12,600 N
疲勞負載極限,徑向
nG
9,000 1/min
極限轉速
nϑr
4,500 1/min
參考轉速
≈m
0.13 kg
重量

安裝尺寸
da min
37 mm
軸肩最小直徑

尺寸
rmin
0.3 mm
最小倒角尺寸
X
23.2 mm
raceway width

溫度範圍
Tmin
-30 °C
最低工作溫度
Tmax
120 °C
最高操作溫度

您目前的產品型號
Number of rolling element rows2雙列設計
加入詢價