PRODUCTS
- 首頁
- 產品介紹
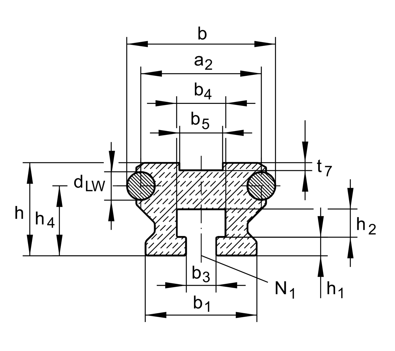
| h | 34 mm | 高度 |
| b | 52 mm | 寬度 |
| lmax | 8,000 mm | Length maximum 1 |
| ly | 170,350 mm⁴ | Second moment of area |
| lz | 82,786 mm⁴ | Second moment of area |
| LFQ | 994 mm² | Cross-sectional area 2 |
| Wy | 7,327 mm³ | Wider resistance torque |
| Wz | 4,927 mm³ | Wider resistance torque |
| N1 | 10 mm | 內徑 3 |
| a2 | 42 mm | Distance |
| b1 | 46.5 mm | 寬度 |
| b3 | 11 mm | Width 4 |
| b4 | 18.5 mm | 寬度 |
| b5 | 18.5 mm | 寬度 |
| dLW | 10 mm | Diameter |
| eZ | 16.8 mm | Distance |
| h1 | 6.4 mm | Height 5, 6 |
| h2 | 9 mm | 高度 |
| h4 | 25.1 mm | 高度 |
| jL | 250 mm | Increment 7 |
| t7 | 5 mm | 深度 |
| Size code | 52 | |
| Design | NZZ | solid profile, with T-slot and lateral slots |