PRODUCTS
- 首頁
- 產品介紹
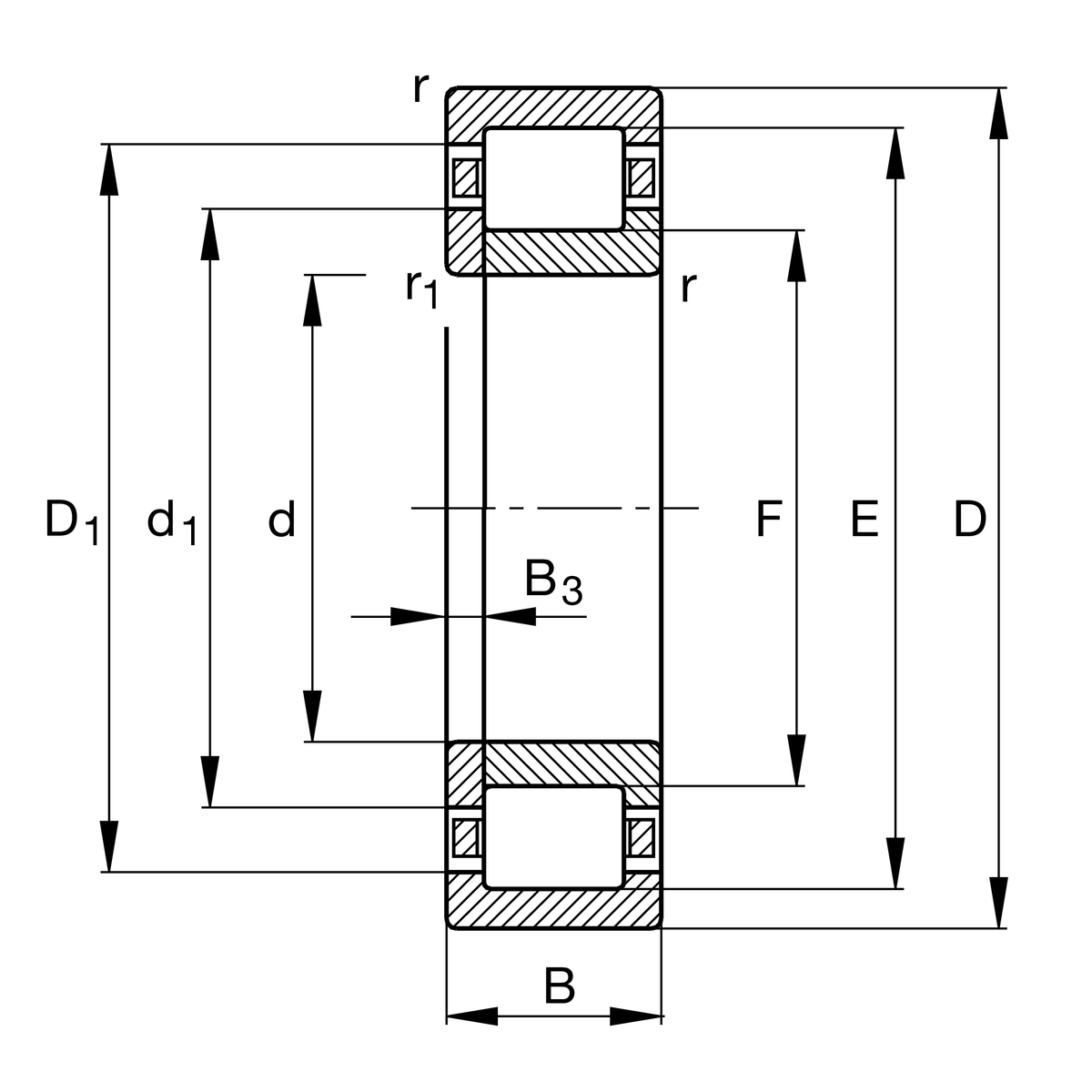
| d | 35 mm | 內徑 |
| D | 72 mm | 外徑 |
| B | 17 mm | 寬度 |
| Cr | 59,000 N | 基本額定動載荷,徑向 |
| C0r | 50,000 N | 基本額定靜態負荷,徑向 |
| Cur | 7,800 N | 疲勞負載極限,徑向 |
| nG | 14,100 1/min | 極限轉速 |
| nϑr | 8,100 1/min | 參考轉速 |
| ≈m | 0.302 kg | 重量 |
| d1 | 48 mm | 內圈最大擋邊直徑 |
| D1 min | 61 mm | 外圈最小擋邊直徑 |
| da min | 39 mm | 軸肩最小直徑 |
| dc min | 50 mm | 最小軸肩 |
| Da max | 65 mm | 殼肩最大直徑 |
| ra max | 1 mm | 最大凹槽半徑 |
| rmin | 1.1 mm | 最小倒角尺寸 |
| r1 min | 0.6 mm | 最小倒角尺寸 |
| E | 64 mm | 外圈滾道直徑 |
| F | 44 mm | 內圈滾道直徑 |
| B3 | 3 mm | 鬆配肋寬度 |
| Tmin | -30 °C | 最低工作溫度 |
| Tmax | 120 °C | 最高操作溫度 |
| Design | E | 增加額定載荷設計 |
| Cage | TVP2 | Solid Window Cage made from PA66 |
| Radial internal clearance | CN (Group N) | 正常內部間隙 |
| Tolerance class | PN | 正常(PN) |
| Number of rolling element rows | 1 | 單列設計 |