PRODUCTS
- 首頁
- 產品介紹
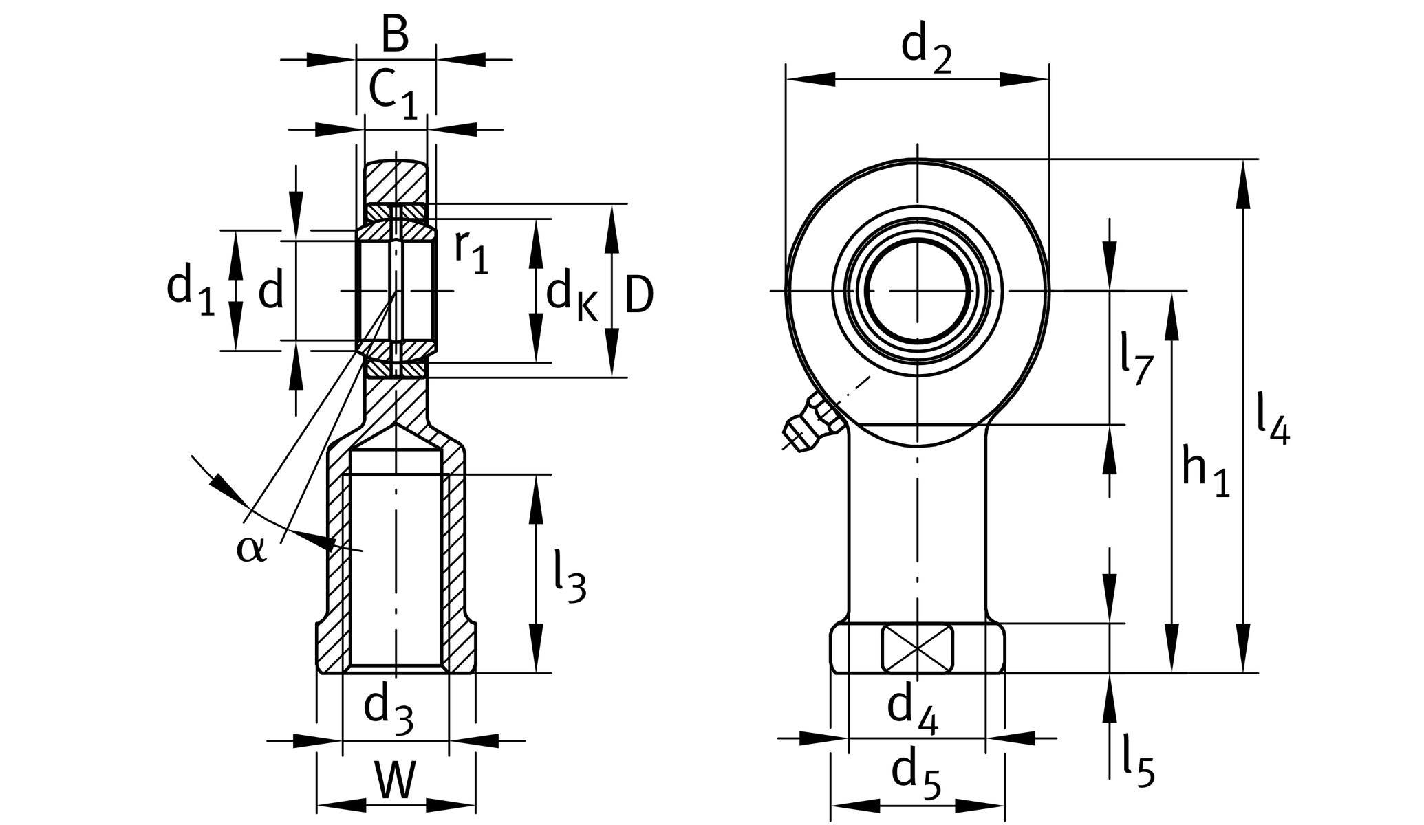
| d | 35 mm | 內徑 bearing |
| D | 55 mm | 外徑 bearing |
| B | 25 mm | 內圈寬度, |
| Cr | 101,000 N | 基本額定動載荷,徑向 |
| C0r | 134,000 N | 基本額定靜態負荷,徑向 |
| ≈m | 1.9 kg | 重量 |
| dK | 47 mm | 球直徑 |
| d1 | 39.7 mm | 外法蘭直徑 內圈 |
| d2 | 82 mm | 外眼徑 |
| d4 | 47 mm | 柄徑 |
| h1 | 126.5 mm | 柄長 內螺紋頭 |
| C1 | 21 mm | 桿端寬度 |
| α | 6 ° | 傾斜角度 |
| l4 | 167.5 mm | 內螺紋頭總長度 |
| l7 | 42 mm | 軸心鑽孔起始距離 |
| d5 | 58 mm | 柄直徑,大 |
| r1smin | 0.6 mm | 邊緣間距 |
| Gr | 0,037 - 0,100 | 徑向間隙 |
| dOT | 0 mm | 內徑 bearing, 公差上限 |
| dUT | -0.012 mm | 內徑 bearing, 較低的公差 |
| BOT | 0 mm | 內圈寬度, 公差上限 |
| BUT | -0.12 mm | 內圈寬度, 較低的公差 |
| Grmax | 0.1 mm | 最大徑向間隙 |
| Grmin | 0.037 mm | 徑向間隙,最小 |
| Tmin | -60 °C | 最低工作溫度 |
| Tmax | 200 °C | 最高操作溫度 |
| Sealing | 沒有 |