PRODUCTS
- 首頁
- 產品介紹
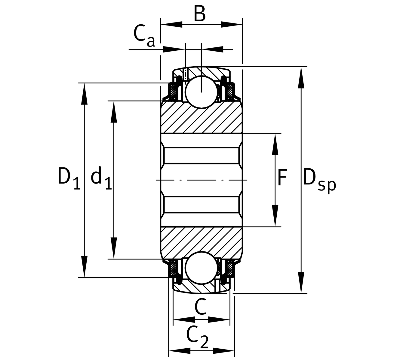
| DSP | 80 mm | 外徑 |
| B | 36.5 mm | 寬度 |
| Cr | 32,500 N | 基本額定動載荷,徑向 |
| C0r | 19,800 N | 基本額定靜態負荷,徑向 |
| ≈m | 0.697 kg | 重量 |
| D1 | 68.3 mm | 外徑密封 |
| C | 21 mm | 外圈寬度 |
| F | 35.4 mm | Maximum distance hexagonal bore |
| r | 2.5 mm | Radius hexagonal bore |
| C2 | 28.1 mm | 封口總寬度 |
| d1 | 52.3 mm | 內圈擋邊直徑 |
| d | 25.4 mm | 平面寬度 |
| Ca | 6.4 mm | 至潤滑孔距離 |
0.9 mm | 平面寬度s 公差上限 | |
| d | 25.4 mm | 平面寬度s (Inch) |
0.6 mm | 平面寬度s 較低的公差 |
| f0 | 13.6 | 計算參數 |
| Sealing | KTT | Triple 兩側唇形密封 |
| Shape of outer surface | B | 球形 |
| Deviating ballset | 208 | 208 |
| Deviating feature | AS2/V | AS2/V |