INA
LFE15-1
Journal track roller LFE15-1
加入詢價
主要尺寸與性能資料
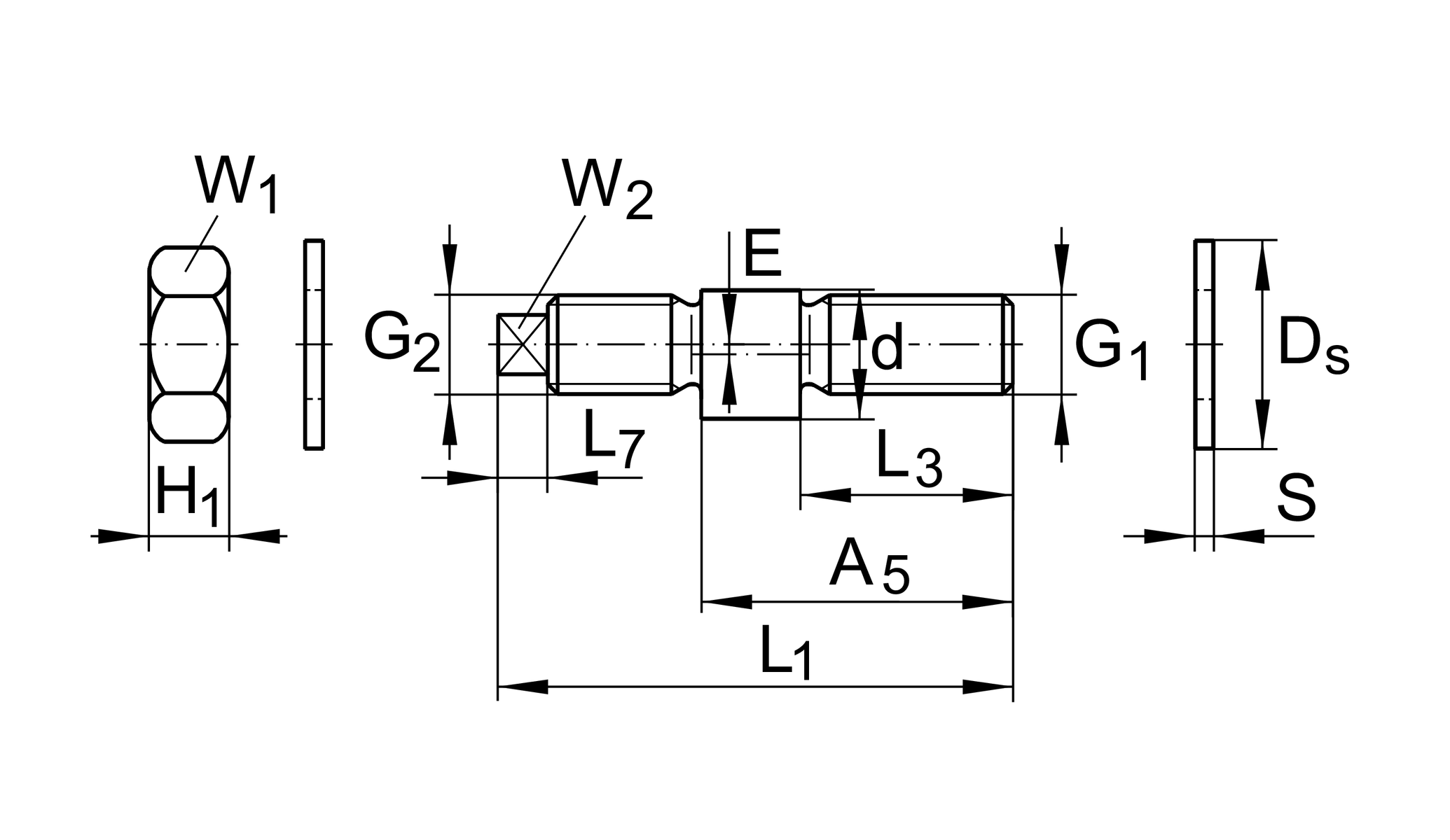
| BGR | 15 | Dimension PIN |
| G1 | M12 | |
| G2 | M12 | |
| L1 | 57 mm | |
| ≈m | 70 g | 重量 |
安裝尺寸
| A5 | 41 mm | |
| Ds | 21 mm | |
| d | 15 mm | |
| E | 1 mm | |
| H1 | 6.5 mm | |
| L3 | 24 mm | |
| L7 | 4 mm | |
| S | 2 mm | |
| W1 | 19 mm | |
| W2 | 6 mm | |
附加資訊
| LFR..-2Z | siehe Katalog: LF1 | possible track roller-pin combinations |
加入詢價
Journal track roller LFE15-1
已將您選擇的品項
加入詢價清單
非常感謝您!
選擇更多商品
瀏覽詢價清單