INA
LFE12X45-A1
Journal track roller LFE12X45-A1
加入詢價
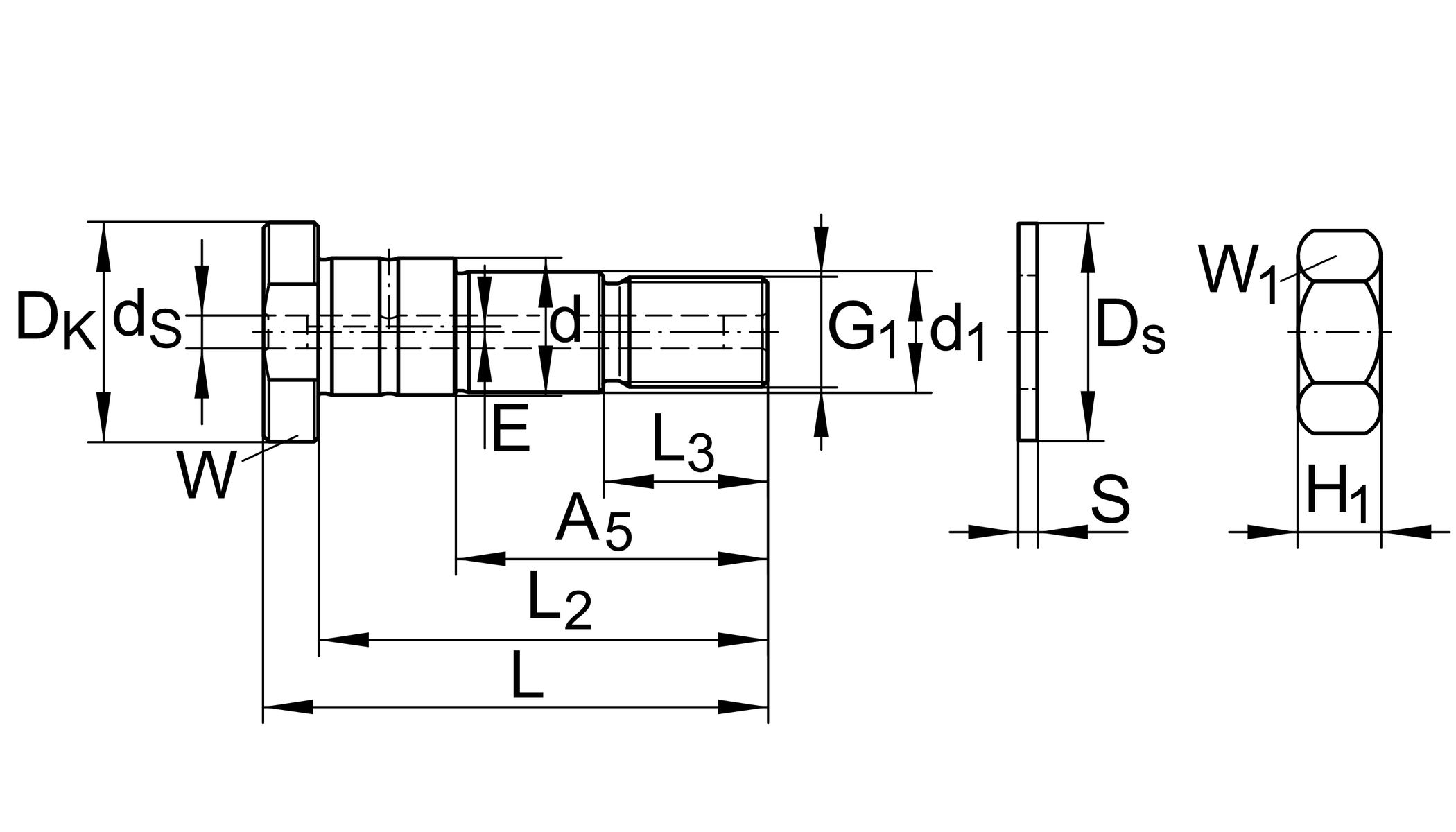
主要尺寸與性能資料
| BGR | 12 | Dimension PIN |
| G1 | M10x1,5 | |
| d1 | 10 mm | |
| L | 50 mm | |
| ≈m | 60 g | 重量 |
安裝尺寸
| A5 | 30 mm | |
| Dk | 20 mm | |
| Ds | 21 mm | |
| d | 12 mm | |
| ds | 0 mm | 1 |
| E | 0.75 mm | |
| H1 | 8 mm | |
| L2 | 45 mm | |
| L3 | 16 mm | |
| S | 2 mm | |
| W | 17 mm | |
| W1 | 17 mm | |
附加資訊
| LFR..-2Z | siehe Katalog: LF1 | possible track roller-pin combinations |
加入詢價
Journal track roller LFE12X45-A1
已將您選擇的品項
加入詢價清單
非常感謝您!
選擇更多商品
瀏覽詢價清單