PRODUCTS
- 首頁
- 產品介紹
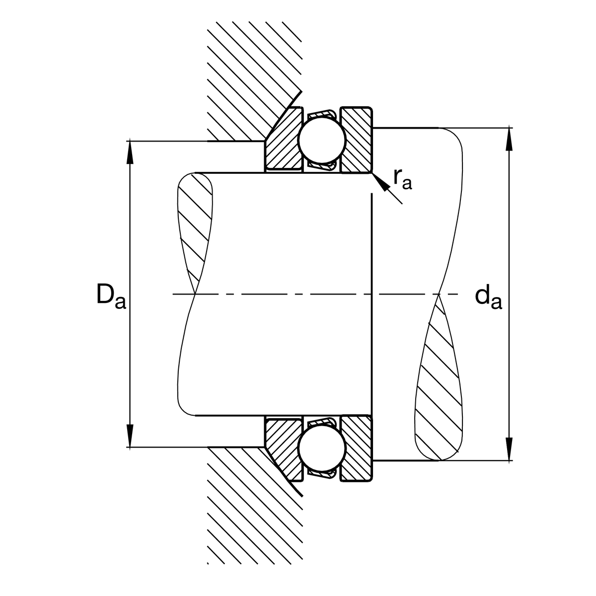
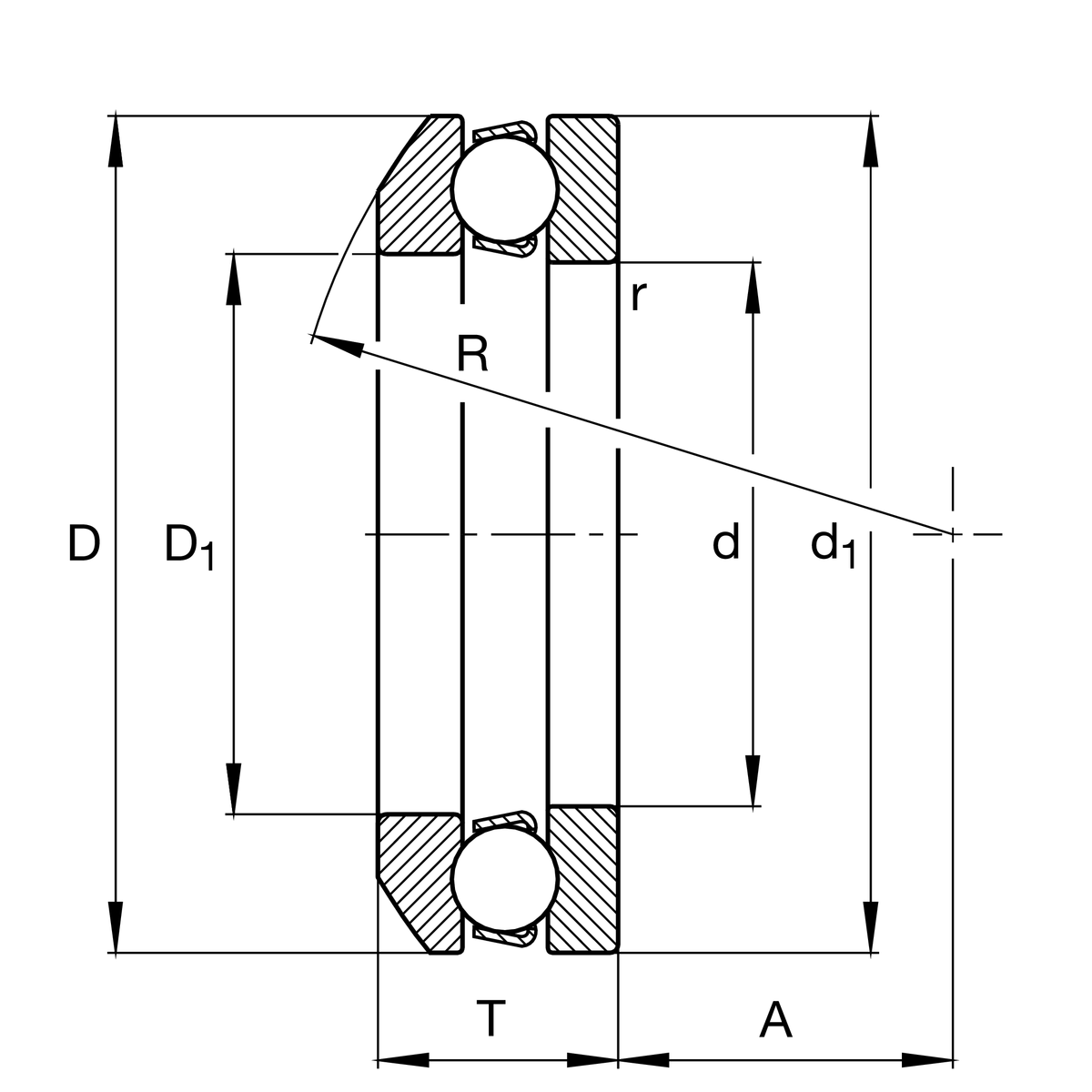
| d | 130 mm | 內徑 shaft washer |
| D | 190 mm | 外徑 軸承座 washer |
| T | 47.9 mm | 高度 |
| Ca | 184,000 N | 基本額定動載荷,軸向 |
| C0a | 540,000 N | 基本額定靜態載荷,軸向 |
| Cua | 19,500 N | 疲勞負荷極限,軸向 |
| nG | 2,210 1/min | 極限轉速 |
| nϑr | 2,850 1/min | 參考轉速 |
| ≈m | 3.888 kg | 重量 |
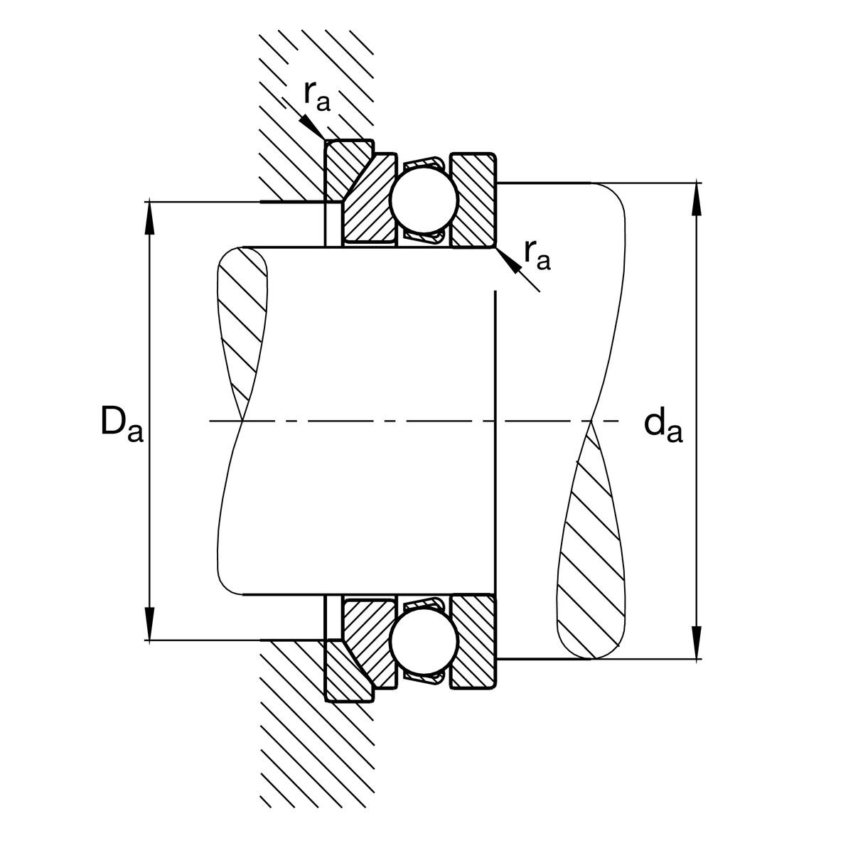
| da min | 166 mm | 軸肩最小直徑 |
| Da max | 160 mm | 殼肩最大直徑 |
| ra max | 1.5 mm | Maximum filled radius |
| rmin | 1.5 mm | 最小倒角尺寸 |
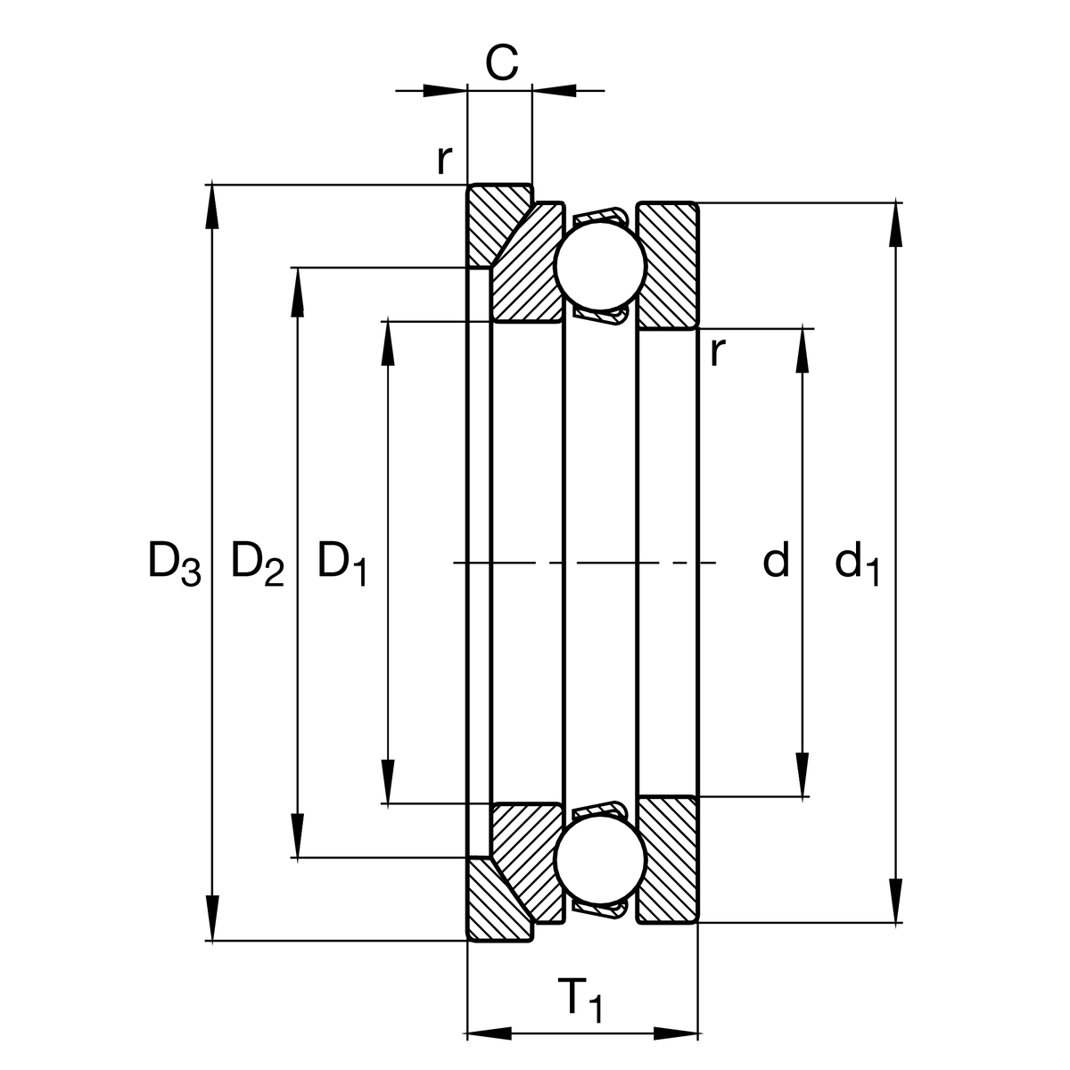
| D1 | 133 mm | 內徑 軸承座 washer |
| d1 | 187 mm | 外徑 shaft washer |
| R | 140 mm | Radius 球形 軸承座 washer |
| A | 67 mm | 中心點距離 |
| T1 | 53 mm | Height with seat washer |
| Tmin | -30 °C | 最低工作溫度 |
| Tmax | 150 °C | 最高操作溫度 |
| A | 1.7 | Minimum load factor |
U226 | Seat washer |
| Cage | JP | 沖壓鋼板 |
| Tolerance class | PN | 正常(PN) |