PRODUCTS
- 首頁
- 產品介紹
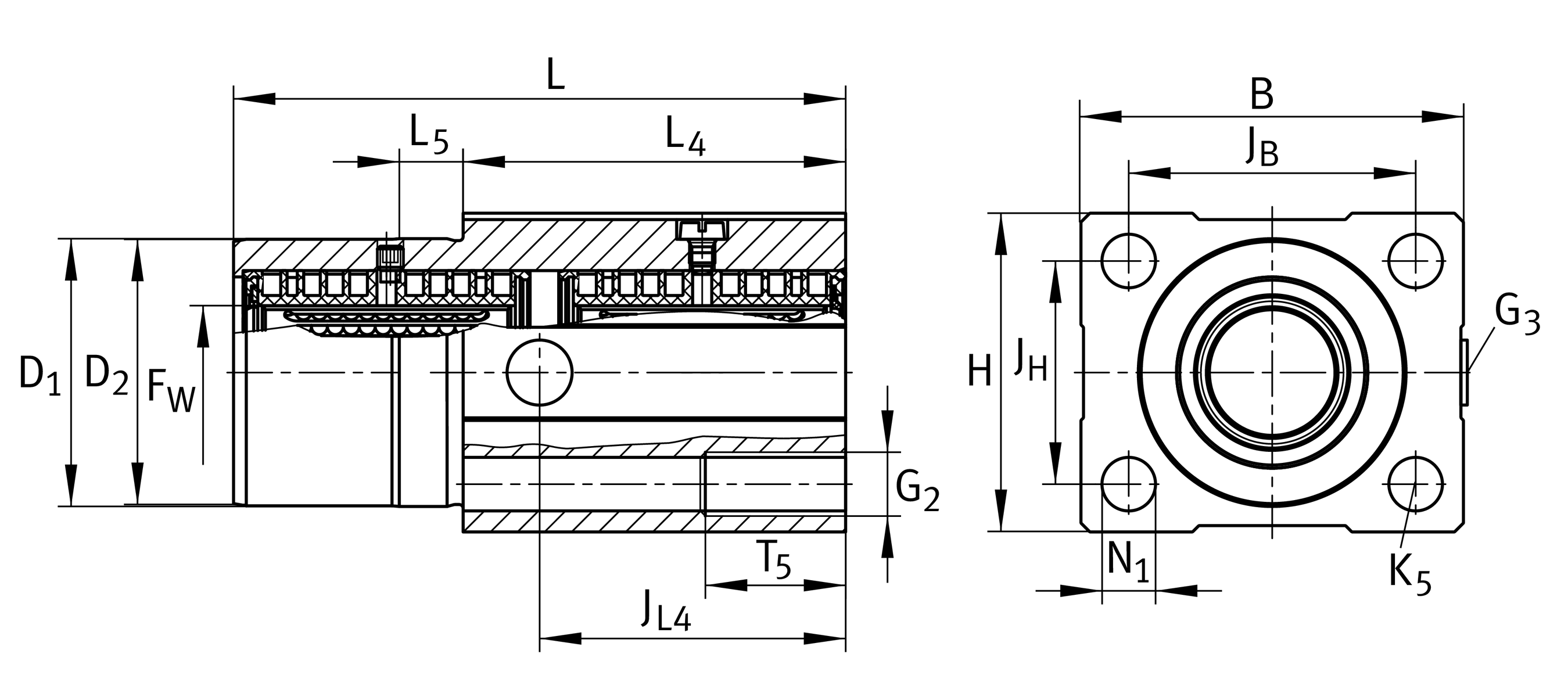
| FW | 12 mm | Diameter of ball complement |
| H | 34 mm | heigth |
| L | 70 mm | 長度 |
| B | 42 mm | 寬度 |
| Cmin | 1,020 N | load capacity dyn. C 1 |
| C0 min | 1,200 N | load capacity stat. C0 1 |
| ≈m | 0.2 kg | 重量 |
| JB | 32 mm | |
| Tol JB | +0,15 | 公差上限 |
| Tol JB | -0,15 | 較低的公差 |
| L4 | 46 mm | |
| L5 | 10 mm | |
| JL4 | 35 mm | Distance |
| D1 | 30 mm | diameter 2 |
| Tol D1 | g7 | Tolerance |
| D2 | 30 mm | diameter |
| Tol D2 | -0,1 | 公差上限 |
| Tol D2 | -0,3 | 較低的公差 |
| JH | 24 mm | |
| Tol JH | +0,15 | 公差上限 |
| Tol JH | -0,15 | 較低的公差 |
| T5 | 13 mm | Thread depth |
| G2 | M6 | 螺紋尺寸 |
| N1 | 5.3 mm | Diameter |
| K5 | M5 | |
| G3 | M8x1 | 螺紋尺寸 |
8 | Ball rows |
| Size code | 12 | |
| Seal | PP | |
| Relubrication feature | AS |