PRODUCTS
- 首頁
- 產品介紹
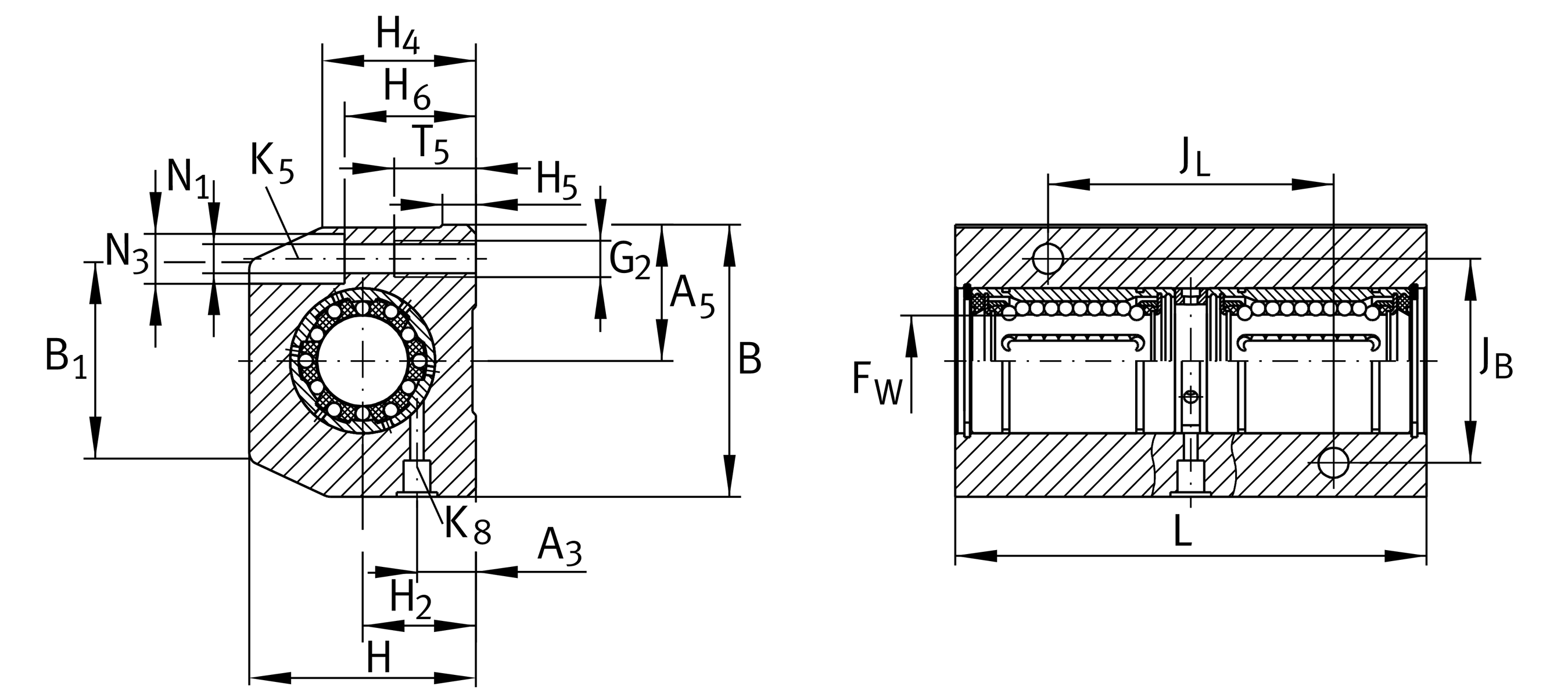
| FW | 25 mm | Diameter of ball complement |
| Tol FW | +0,011 | 公差上限 |
| Tol FW | -0,001 | 較低的公差 |
| H | 60 mm | heigth |
| L | 130 mm | 長度 |
| B | 78 mm | 寬度 |
| C | 4,550 N | load capacity dyn. C 1 |
| C0 | 4,450 N | load capacity stat. C0 1 |
| ≈m | 1.47 kg | 重量 |
| JB | 54 mm | |
| Tol JB | +0,15 | 公差上限 |
| Tol JB | -0,15 | 較低的公差 |
| A5 | 39 mm | |
| B1 | 60 mm | |
| JL | 70 mm | 2 |
| Tol JL | +0,15 | 公差上限 |
| Tol JL | -0,15 | 較低的公差 |
| H2 | 30 mm | Center height |
| Tol H2 | +0,015 | 公差上限 |
| Tol H2 | -0,015 | 較低的公差 |
| H4 | 40 mm | |
| A3 | 15 mm | |
| H5 | 8.3 mm | |
| T5 | 22 mm | |
| H6 | 49 mm | |
| N1 | 8.4 mm | |
| N3 | 15 mm | |
| G2 | M10 | 螺紋尺寸 |
| K8 | NIPA2 | Lubrication nipple |
| K5 | M8 | Screw ISO 4762 |
| Size code | 25 | |
| Seal | PP | |
| Relubrication feature | AS |