PRODUCTS
- 首頁
- 產品介紹
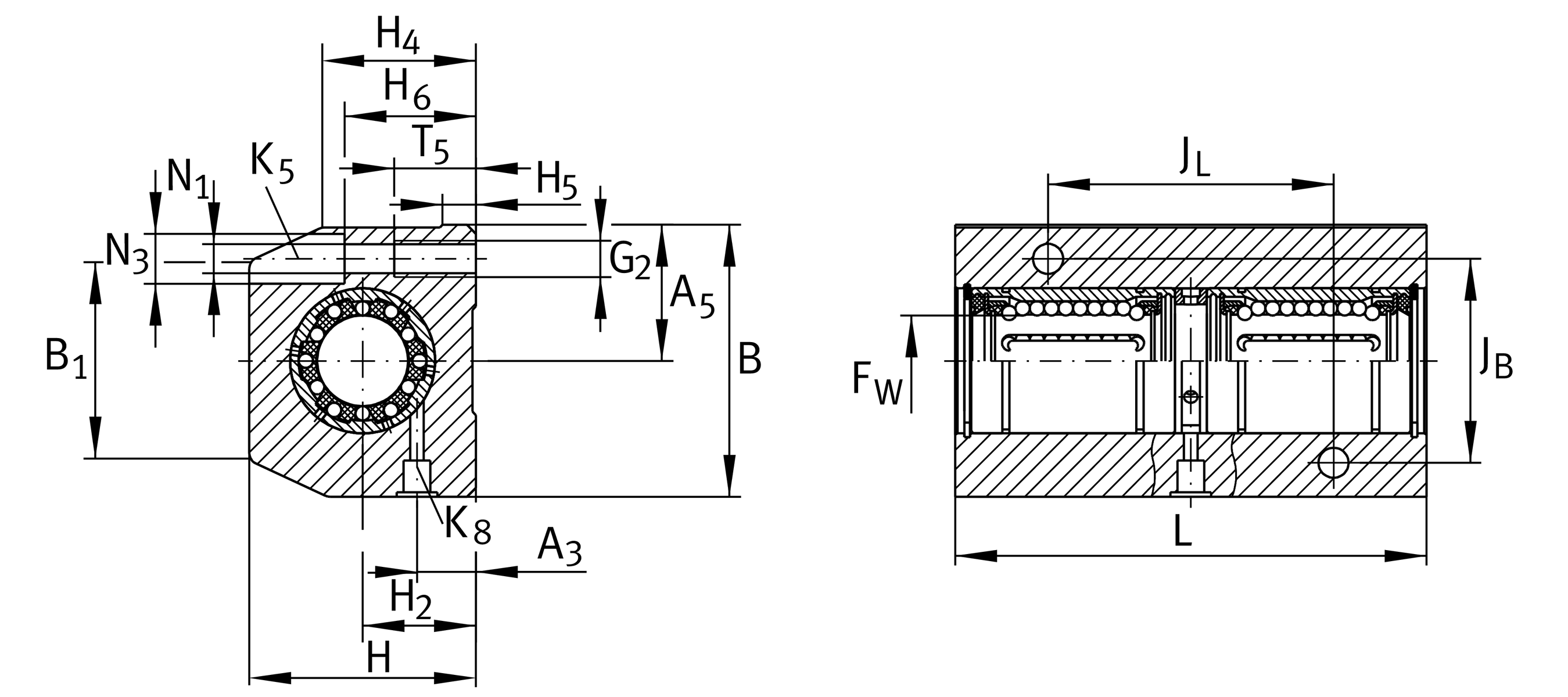
| FW | 20 mm | Diameter of ball complement |
| Tol FW | +0,009 | 公差上限 |
| Tol FW | -0,001 | 較低的公差 |
| H | 50 mm | heigth |
| L | 104 mm | 長度 |
| B | 60 mm | 寬度 |
| C | 2,550 N | load capacity dyn. C 1 |
| C0 | 2,450 N | load capacity stat. C0 1 |
| ≈m | 0.745 kg | 重量 |
| JB | 45 mm | |
| Tol JB | +0,15 | 公差上限 |
| Tol JB | -0,15 | 較低的公差 |
| A5 | 30 mm | |
| B1 | 44 mm | |
| JL | 55 mm | 2 |
| Tol JL | +0,15 | 公差上限 |
| Tol JL | -0,15 | 較低的公差 |
| H2 | 25 mm | Center height |
| Tol H2 | +0,015 | 公差上限 |
| Tol H2 | -0,015 | 較低的公差 |
| H4 | 33 mm | |
| A3 | 13 mm | |
| H5 | 7.4 mm | |
| T5 | 18 mm | |
| H6 | 37 mm | |
| N1 | 6.4 mm | |
| N3 | 11 mm | |
| G2 | M8 | 螺紋尺寸 |
| K8 | NIPA2 | Lubrication nipple |
| K5 | M6 | Screw ISO 4762 |
| Size code | 20 | |
| Seal | PP | |
| Relubrication feature | AS |