PRODUCTS
- 首頁
- 產品介紹
| FW | 20 mm | Diameter of ball complement |
| H | 42 mm | Heigth |
| L | 45 mm | 長度 |
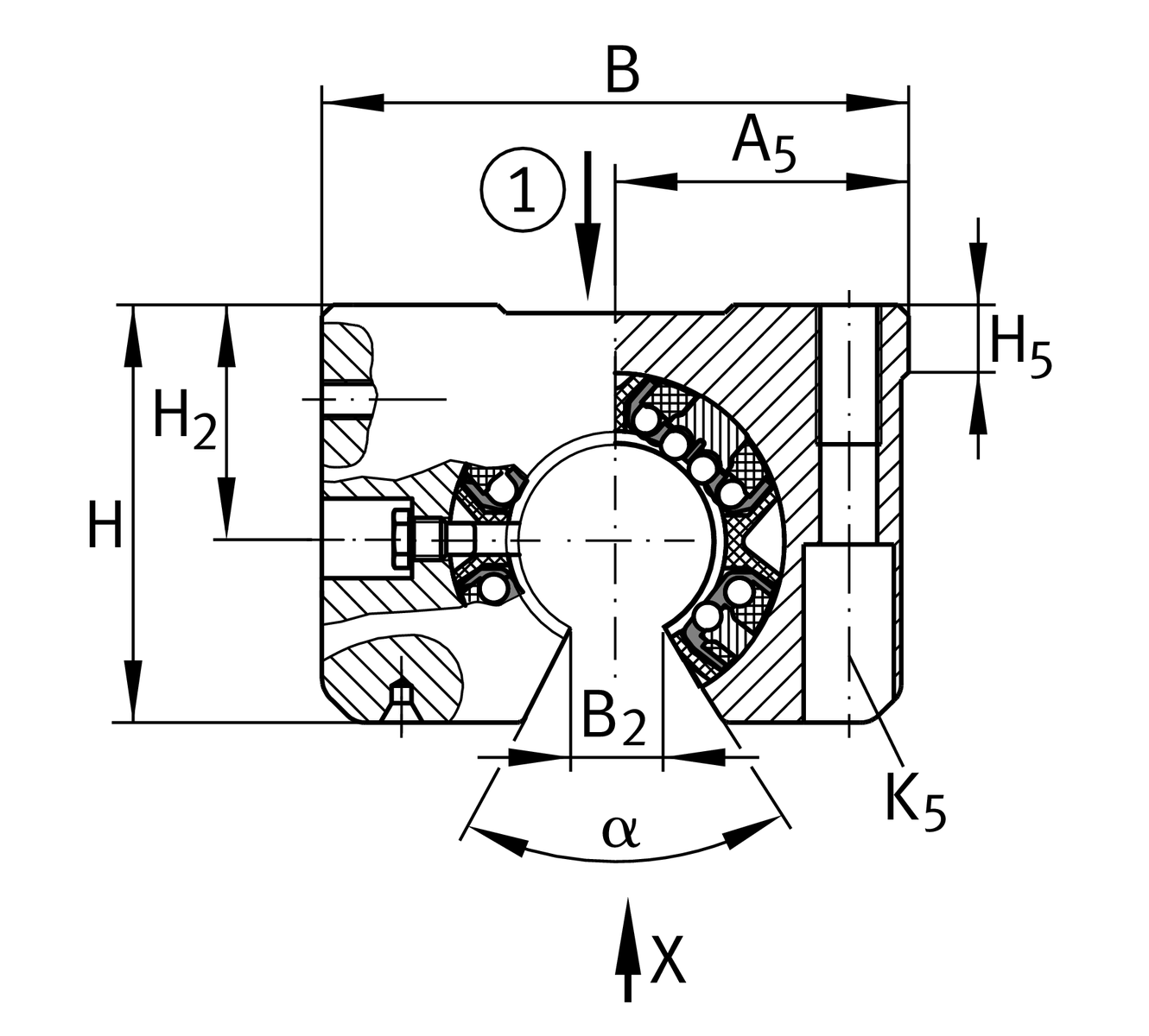
| B | 60 mm | 寬度 |
| Cmax | 2,200 N | load capacity dyn. 1 |
| C0 max | 2,310 N | load capacity stat. 1 |
| ≈m | 0.2 kg | 重量 |
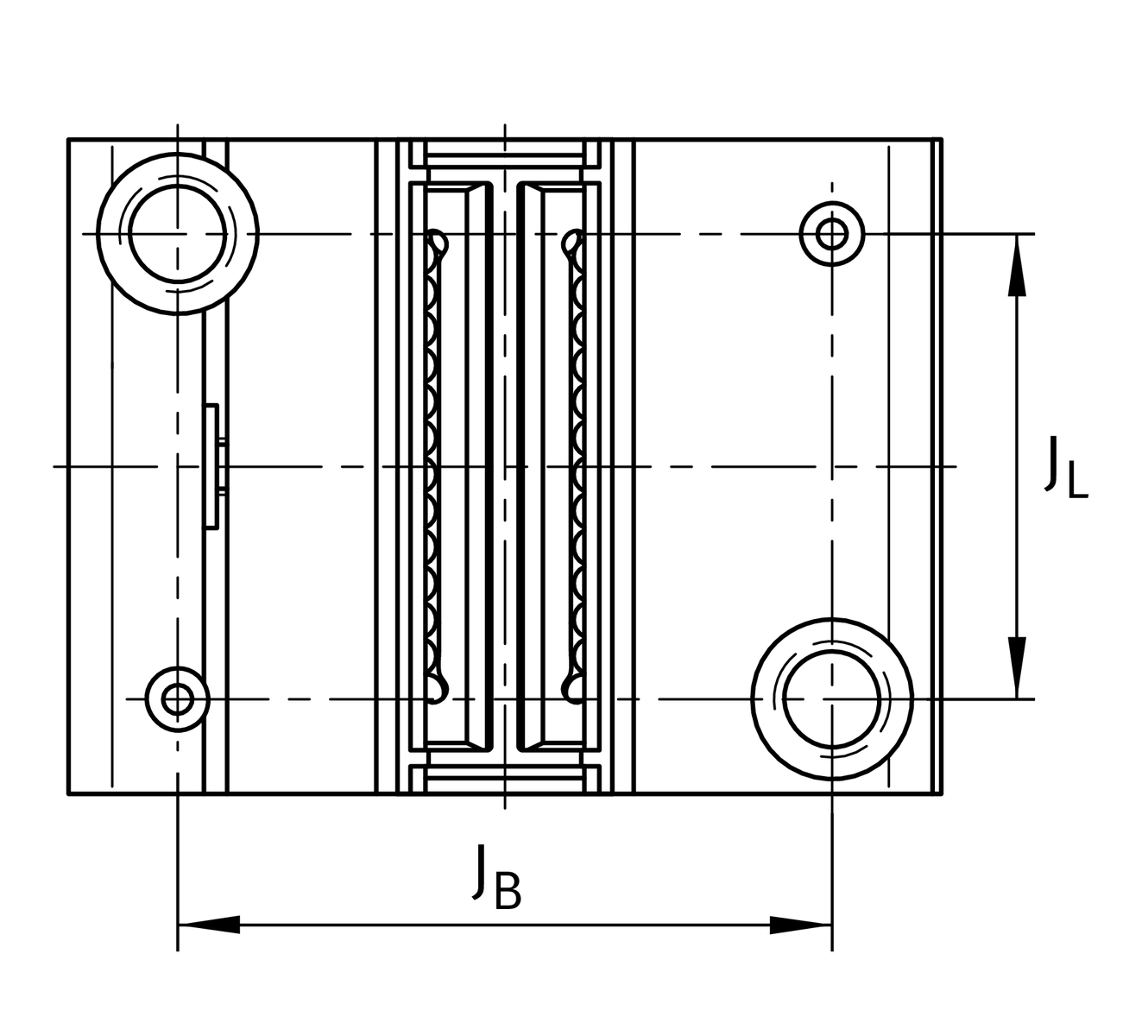
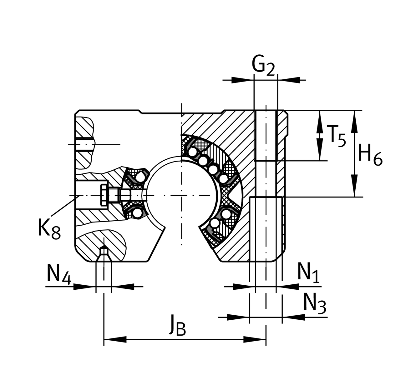
| JB | 45 mm | |
| Tol JB | +0,15 | 公差上限 |
| Tol JB | -0,15 | 較低的公差 |
| A5 | 30 mm | |
| Tol A5 | +0,01 | 公差上限 |
| Tol A5 | -0,01 | 較低的公差 |
| B2 | 10 mm | |
| JL | 32 mm | Distance 2 |
| Tol JL | +0,15 | 公差上限 |
| Tol JL | -0,15 | 較低的公差 |
| H2 | 25 mm | Center height |
| Tol H2 | +0,008 | 公差上限 |
| Tol H2 | -0,016 | 較低的公差 |
| H5 | 8 mm | |
| T5 | 18 mm | |
| H6 | 24 mm | |
| G2 | M8 | |
| N1 | 6.6 mm | |
| N4 | 2x4.25 | 3 |
| N3 | 11 mm | |
| K5 | M6 | 4 |
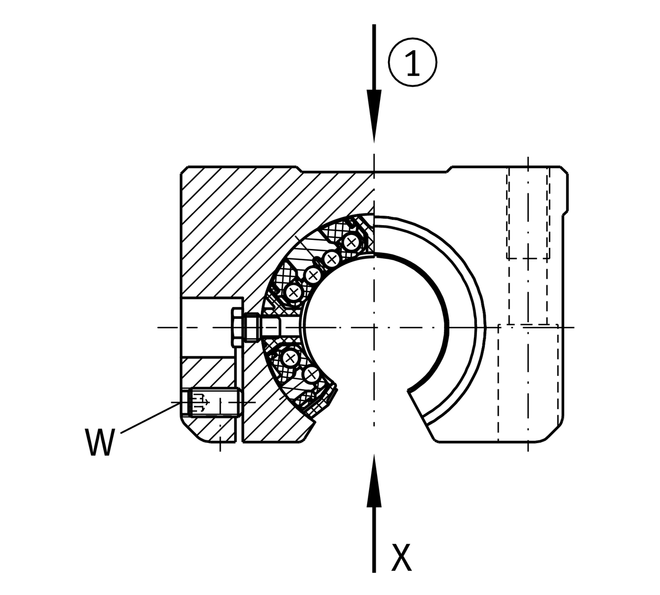
| K8 | NIP4MZ | Lubrication nipple 2 |
| W | 2.5 mm | 平面寬度s |
6 | Ball rows | |
| α | 55 ° | Angle |
| Size code | 20 | |
| Seal | PP | |
| Relubrication feature | AS |