PRODUCTS
- 首頁
- 產品介紹
| FW | 16 mm | Diameter of ball complement |
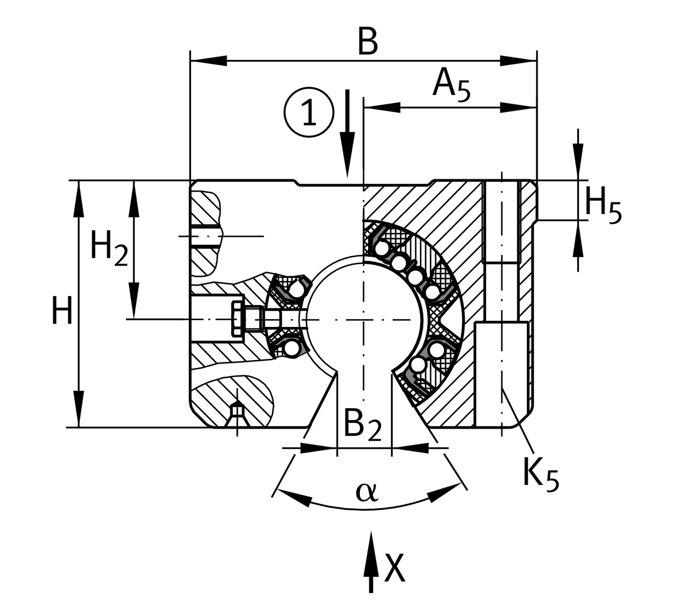
| H | 35 mm | Heigth |
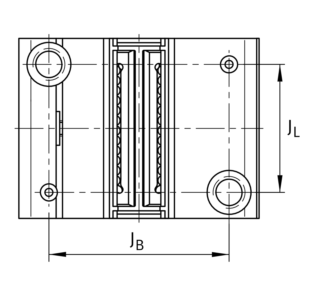
| L | 37 mm | 長度 |
| B | 53 mm | 寬度 |
| Cmax | 1,430 N | load capacity dyn. 1 |
| C0 max | 1,550 N | load capacity stat. 1 |
| ≈m | 0.15 kg | 重量 |
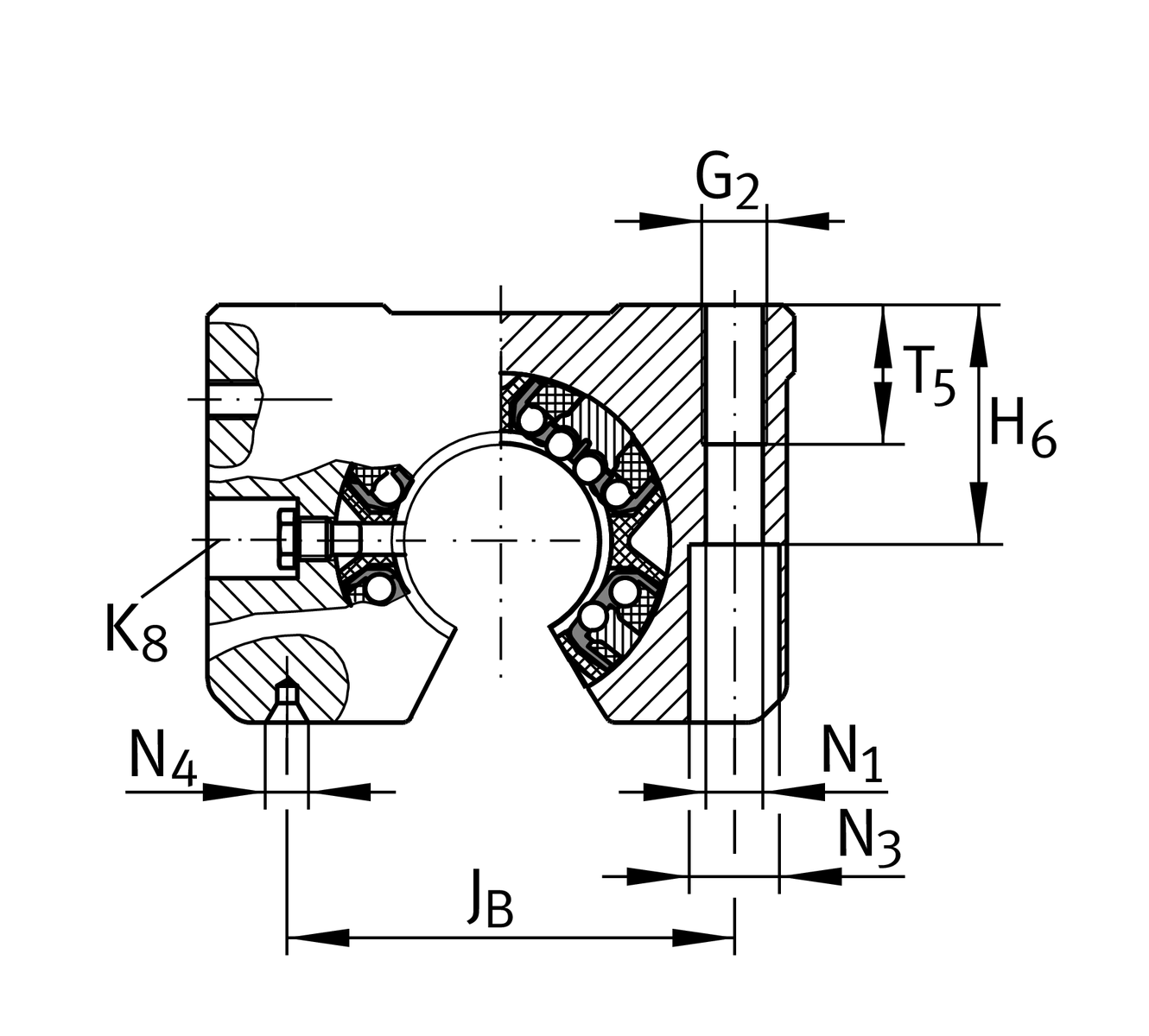
| JB | 40 mm | |
| Tol JB | +0,15 | 公差上限 |
| Tol JB | -0,15 | 較低的公差 |
| A5 | 26.5 mm | |
| Tol A5 | +0,01 | 公差上限 |
| Tol A5 | -0,01 | 較低的公差 |
| B2 | 10.1 mm | |
| JL | 26 mm | Distance 2 |
| Tol JL | +0,15 | 公差上限 |
| Tol JL | -0,15 | 較低的公差 |
| H2 | 22 mm | Center height |
| Tol H2 | +0,008 | 公差上限 |
| Tol H2 | -0,016 | 較低的公差 |
| H5 | 7.5 mm | |
| T5 | 13 mm | |
| H6 | 21 mm | |
| G2 | M6 | |
| N1 | 5.3 mm | |
| N4 | 1.6x3.35 | 3 |
| N3 | 10 mm | |
| K5 | M5 | 4 |
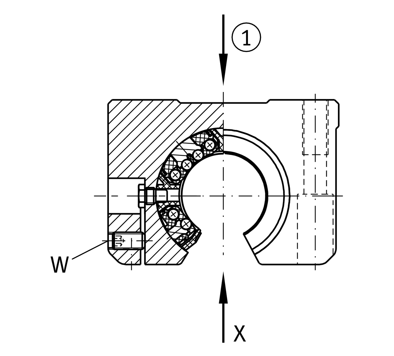
| K8 | NIP4MZ | Lubrication nipple 2 |
| W | 2.5 mm | 平面寬度s |
6 | Ball rows | |
| α | 68 ° | Angle |
| Size code | 16 | |
| Seal | PP | |
| Relubrication feature | AS |