PRODUCTS
- 首頁
- 產品介紹
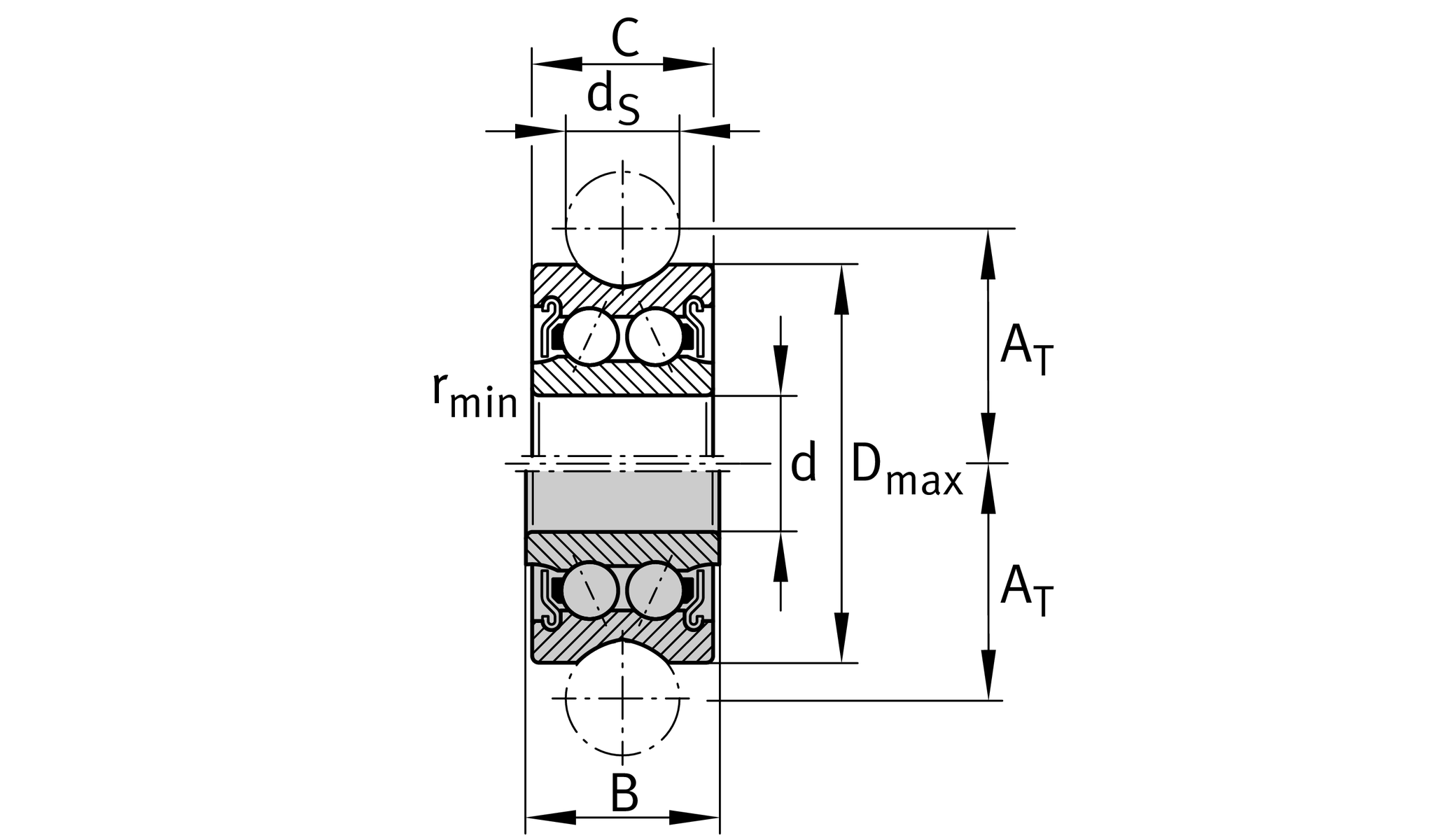
| d | 30 mm | |
| Dmax | 80 mm | |
| B | 29 mm | |
| ≈m | 0.6 kg | 重量 |
| AT | 51 mm | |
| C | 27 mm | |
| Da | 76.02 mm | Diameter of rolling |
| ds | 30 mm | |
| rmin | 1 mm |
| Cr w | 23,100 N | Effective dynamic load rating as track roller (radial) |
| C0r w | 16,400 N | Effective static load rating as track roller (radial) |
| Cur w | 1,100 N | Limit of fatigue load |
| Fr per | 18,500 N | Permissible dynamic limit load |
| F0r per | 41,500 N | Permissible static limit load |
| LFE/LFZ | siehe Katalog: LF1 | Possible roller-pin combination |
| Size code | 5207 | |
| Seal | 2Z | 兩側間隙密封 |