PRODUCTS
- 首頁
- 產品介紹
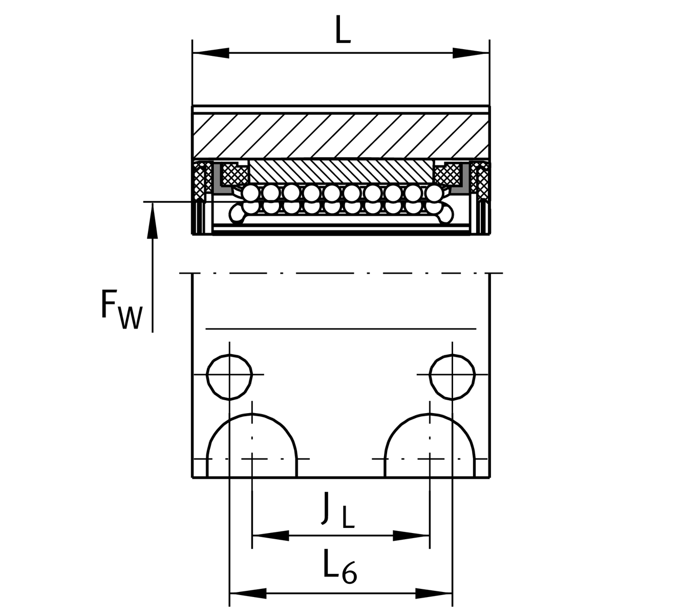
| FW | 50 mm | Diameter of ball complement |
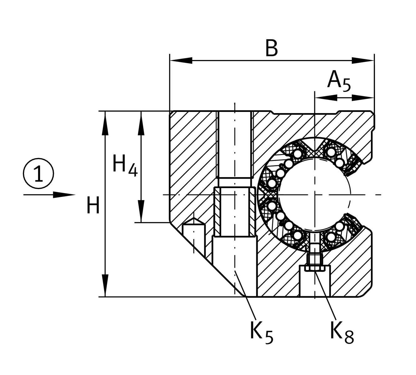
| H | 115 mm | heigth |
| L | 100 mm | 長度 |
| B | 127 mm | 寬度 |
| Cmax | 15,100 N | load capacity dyn. 1 |
| C0 max | 13,900 N | load capacity stat. C0max 1 |
| ≈m | 3 kg | 重量 |
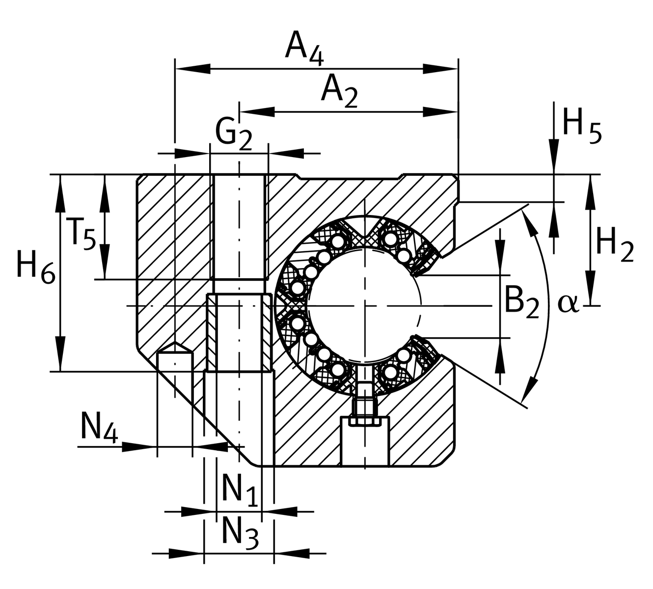
| A2 | 88 mm | |
| Tol A2 | +0,15 | 公差上限 |
| Tol A2 | -0,15 | 較低的公差 |
| A4 | 109 mm | |
| A5 | 38 mm | |
| Tol A5 | +0,01 | 公差上限 |
| Tol A5 | -0,01 | 較低的公差 |
| B2 | 22.7 mm | 2 |
| JL | 62 mm | Distance 3 |
| Tol JL | +0,15 | 公差上限 |
| Tol JL | -0,15 | 較低的公差 |
| L6 | 80 mm | Distance 3 |
| H2 | 50 mm | Center height |
| Tol H2 | +0,008 | 公差上限 |
| Tol H2 | -0,016 | 較低的公差 |
| H4 | 70 mm | |
| H5 | 8.6 mm | |
| T5 | 36 mm | |
| H6 | 78.8 mm | |
| G2 | M20 | |
| N1 | 17.5 mm | |
| N4 | 12 mm | 4 |
| N3 | 26 mm | |
| K5 | M16 | 5 |
| K8 | NIP6MZ | Lubrication nipple 3 |
| W | 5 mm | 平面寬度s |
| α | 54 ° | Angle |
6 | Ball rows |
| Size code | 50 | |
| Seal | PP | |
| Relubrication feature | AS |