PRODUCTS
- 首頁
- 產品介紹
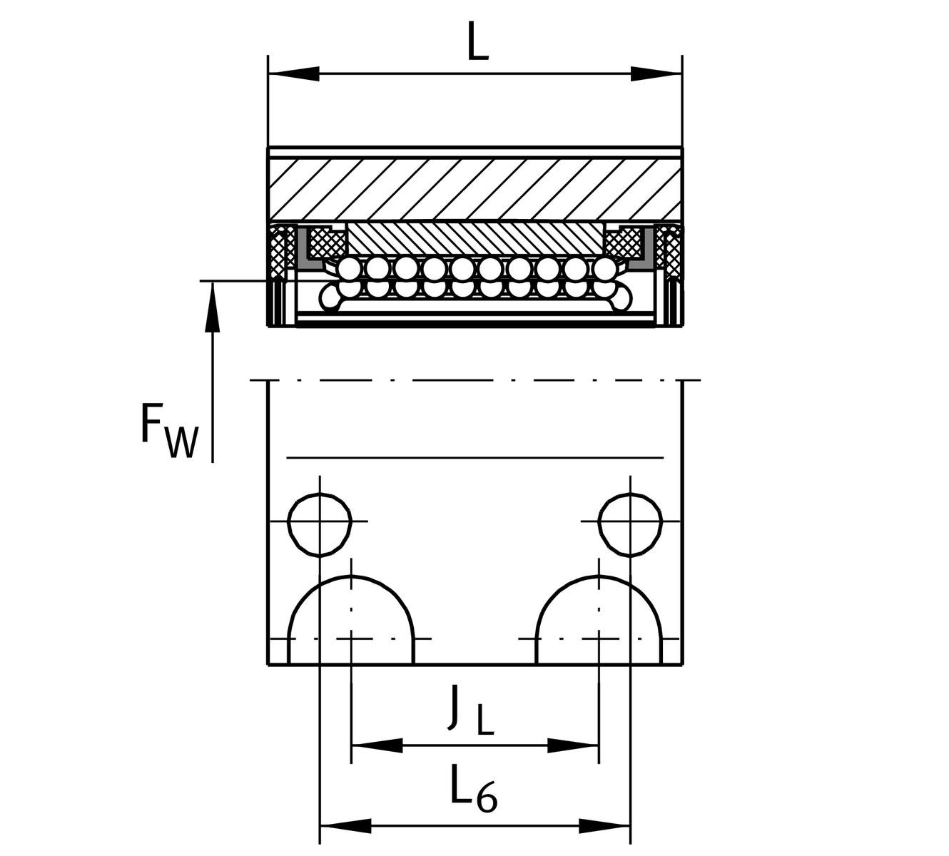
| FW | 30 mm | Diameter of ball complement |
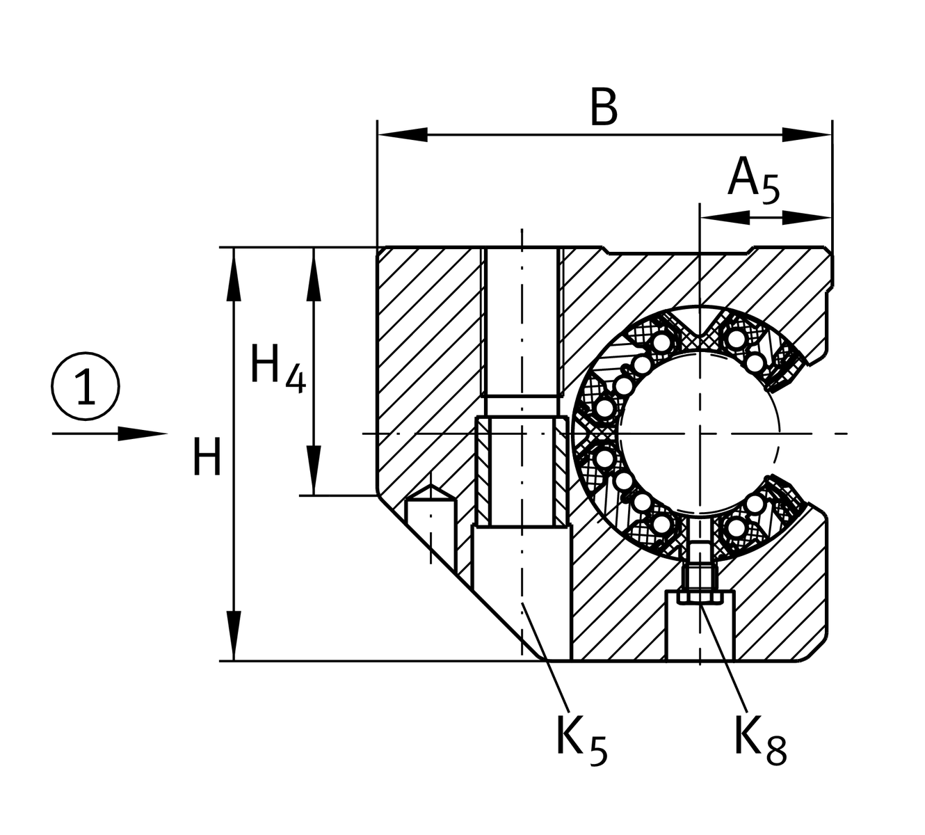
| H | 82 mm | heigth |
| L | 68 mm | 長度 |
| B | 86 mm | 寬度 |
| Cmax | 5,900 N | load capacity dyn. 1 |
| C0 max | 6,000 N | load capacity stat. 1 |
| ≈m | 0.95 kg | 重量 |
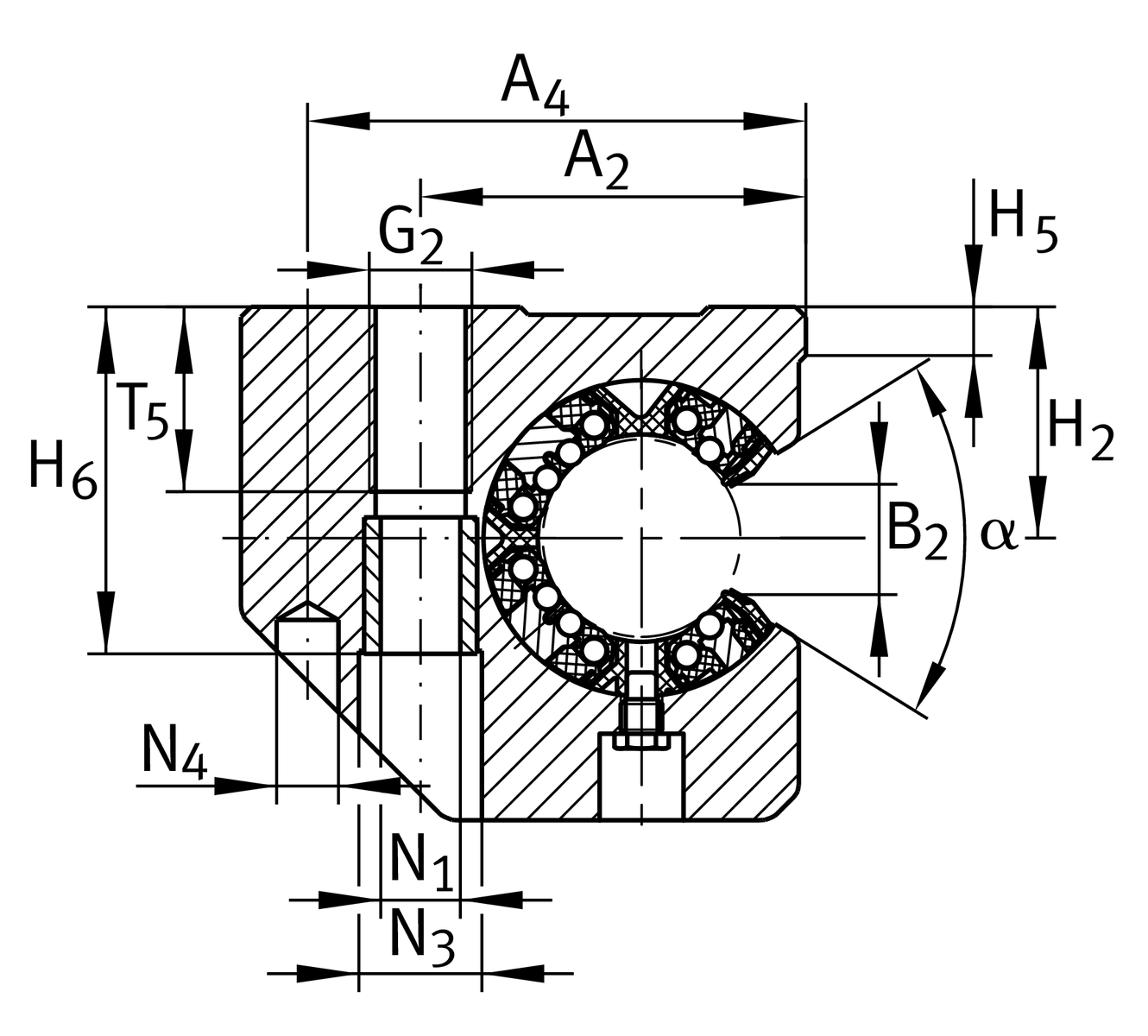
| A2 | 59 mm | |
| Tol A2 | +0,15 | 公差上限 |
| Tol A2 | -0,15 | 較低的公差 |
| A4 | 76 mm | |
| A5 | 25 mm | |
| Tol A5 | +0,01 | 公差上限 |
| Tol A5 | -0,01 | 較低的公差 |
| B2 | 14.3 mm | 2 |
| JL | 42 mm | Distance 3 |
| Tol JL | +0,15 | 公差上限 |
| Tol JL | -0,15 | 較低的公差 |
| L6 | 52 mm | Distance |
| H2 | 40 mm | Center height |
| Tol H2 | +0,008 | 公差上限 |
| Tol H2 | -0,016 | 較低的公差 |
| H4 | 52 mm | |
| H5 | 9 mm | |
| T5 | 29 mm | |
| H6 | 55.6 mm | |
| G2 | M16 | |
| N1 | 13.5 mm | |
| N4 | 10 mm | 4 |
| N3 | 20 mm | |
| K5 | M12 | 5 |
| K8 | NIP5MZ | Lubrication nipple 3 |
| α | 57 ° | Angle |
6 | Ball rows |
| Size code | 30 | |
| Seal | PP | |
| Relubrication feature | AS |