PRODUCTS
- 首頁
- 產品介紹
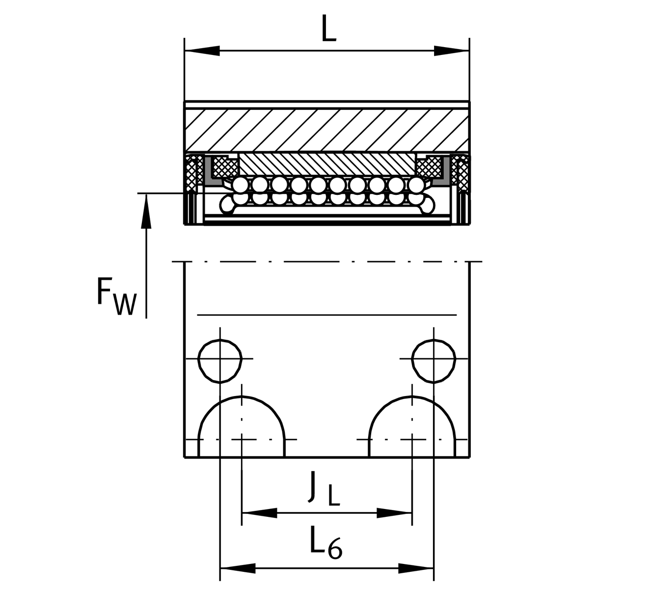
| FW | 25 mm | Diameter of ball complement |
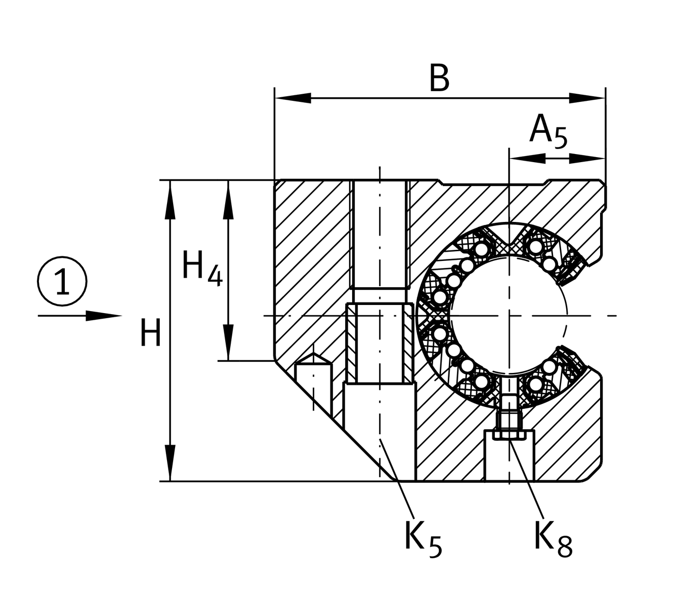
| H | 72 mm | heigth |
| L | 58 mm | 長度 |
| B | 75 mm | 寬度 |
| Cmax | 3,950 N | load capacity dyn. 1 |
| C0 max | 4,300 N | load capacity stat. 1 |
| ≈m | 0.7 kg | 重量 |
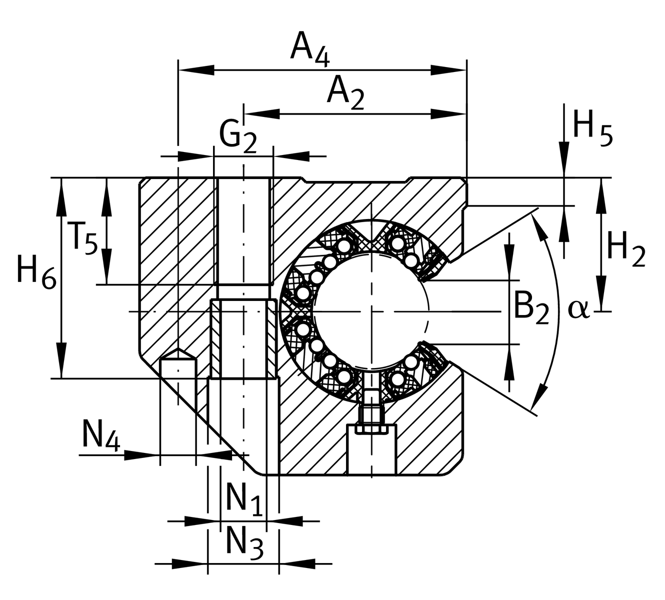
| A2 | 49 mm | |
| Tol A2 | +0,15 | 公差上限 |
| Tol A2 | -0,15 | 較低的公差 |
| A4 | 64 mm | |
| A5 | 21 mm | |
| Tol A5 | +0,01 | 公差上限 |
| Tol A5 | -0,01 | 較低的公差 |
| B2 | 12.5 mm | 2 |
| JL | 36 mm | Distance 3 |
| Tol JL | +0,15 | 公差上限 |
| Tol JL | -0,15 | 較低的公差 |
| L6 | 45 mm | Distance |
| H2 | 35 mm | Center height |
| Tol H2 | +0,008 | 公差上限 |
| Tol H2 | -0,016 | 較低的公差 |
| H4 | 45 mm | |
| H5 | 8.2 mm | |
| T5 | 22 mm | |
| H6 | 50.6 mm | |
| G2 | M12 | |
| N1 | 10.5 mm | |
| N4 | 8 mm | 4 |
| N3 | 18 mm | |
| K5 | M10 | 5 |
| K8 | NIP5MZ | Lubrication nipple 3 |
| α | 57 ° | Angle |
6 | Ball rows |
| Size code | 25 | |
| Seal | PP | |
| Relubrication feature | AS |