PRODUCTS
- 首頁
- 產品介紹
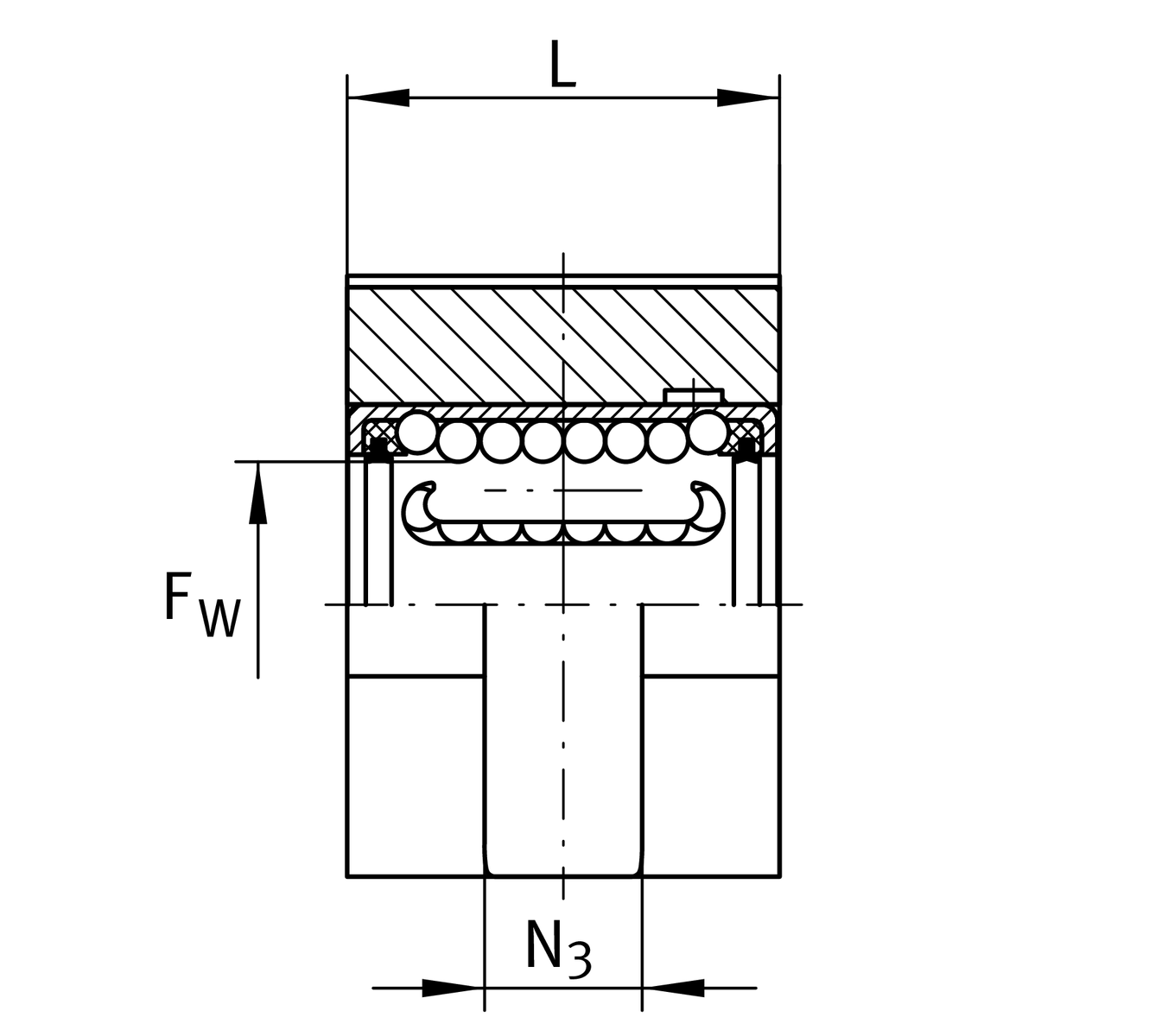
| FW | 30 mm | Diameter of ball complement |
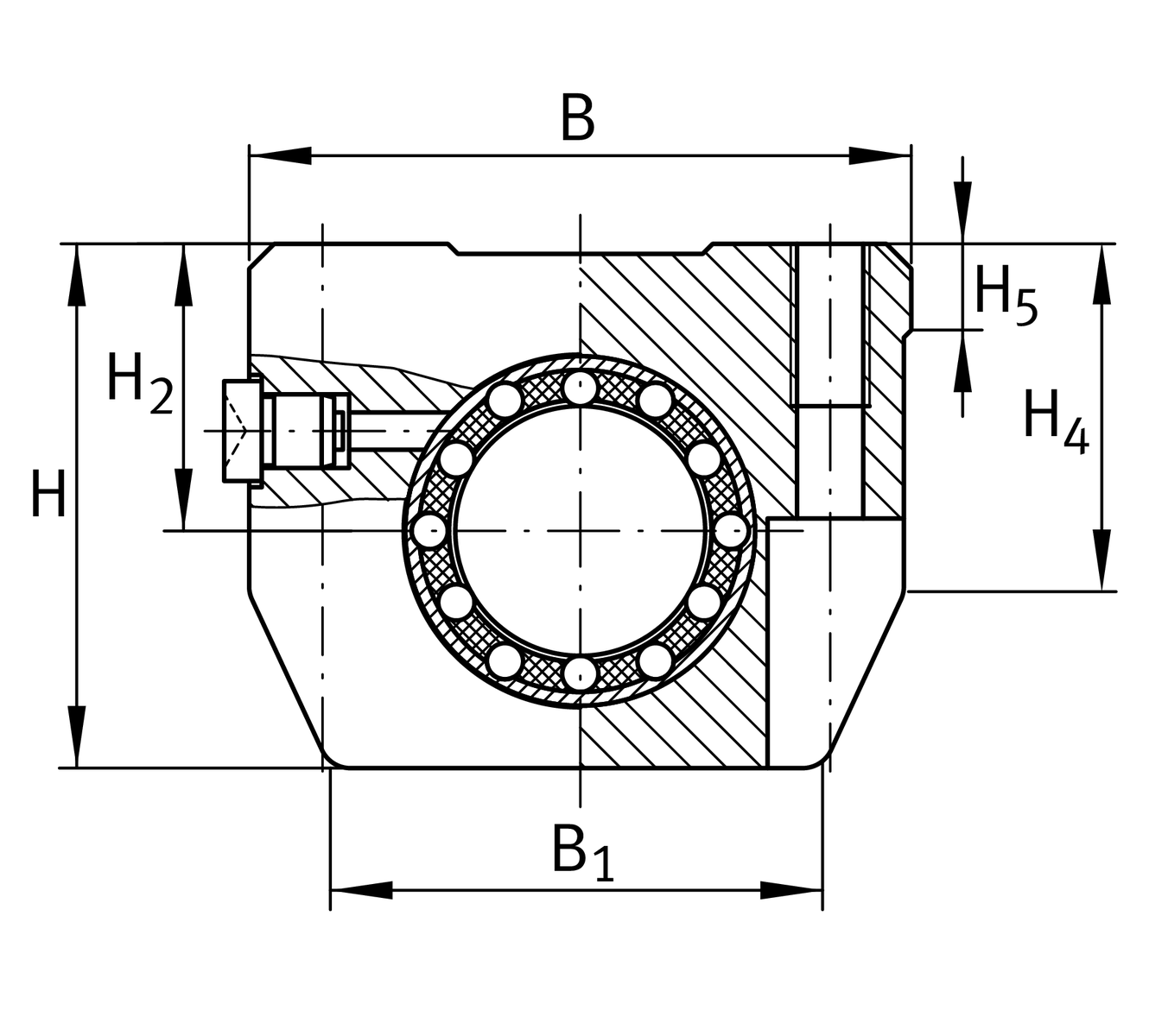
| H | 60 mm | 高度 |
| L | 50.2 mm | 長度 |
| B | 67 mm | 寬度 |
| C | 3,300 N | Load capacity dyn. C 1 |
| C0 | 2,700 N | Load capacity stat. C0 1 |
| ≈m | 0.419 kg | 重量 |
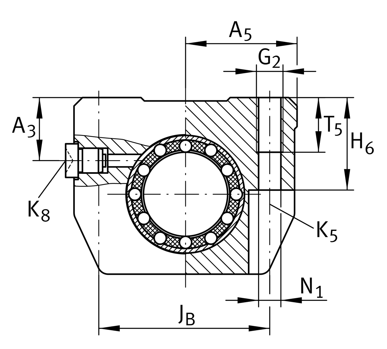
| JB | 53 mm | |
| Tol JB | +0,15 | 公差上限 |
| Tol JB | -0,15 | 較低的公差 |
| B1 | 49.6 mm | |
| A5 | 33.5 mm | |
| H2 | 30 mm | Center height |
| Tol H2 | +0,010 | 公差上限 |
| Tol H2 | -0,014 | 較低的公差 |
| H4 | 42.7 mm | |
| H5 | 8 mm | |
| T5 | 18 mm | |
| H6 | 29 mm | |
| A3 | 18 mm | |
| G2 | M8 | |
| N1 | 6.6 mm | |
| N3 | 15 mm | |
| K5 | M6 | 2 |
| K8 | NIPA2 | Lubrication nipple |
| Size code | 30 | |
| Version | B | |
| Seal | PP | |
| Relubrication feature | AS |