PRODUCTS
- 首頁
- 產品介紹
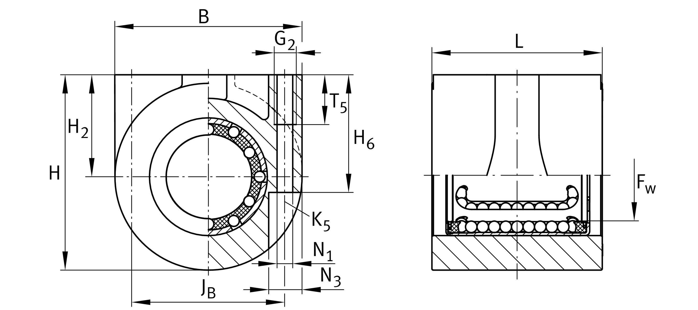
| H | 84 mm | 高度 |
| B | 78 mm | 寬度 |
| L | 71 mm | 長度 |
| Tol L | +0,5 | tolerance |
| C | 5,300 N | dynamic load rating 1 |
| C0 | 4,450 N | static load rating 1 |
| ≈m | 1.439 kg | 重量 |
| H6 | 49 mm | |
| T5 | 20 mm | |
| JB | 66 mm | |
| Tol JB | ±0,1 | tolerance |
| G2 | M8 | |
| N1 | 6.7 mm | |
| N3 | 11.1 mm | |
| K5 | M6 | 2 |
| FW | 40 mm | Diameter of ball complement |
| H2 | 45 mm | axis center |
| Tol H2 | ±0,015 | tolerance |
| Size code | 40 | |
| Seal | PP | 密封的 |