PRODUCTS
- 首頁
- 產品介紹
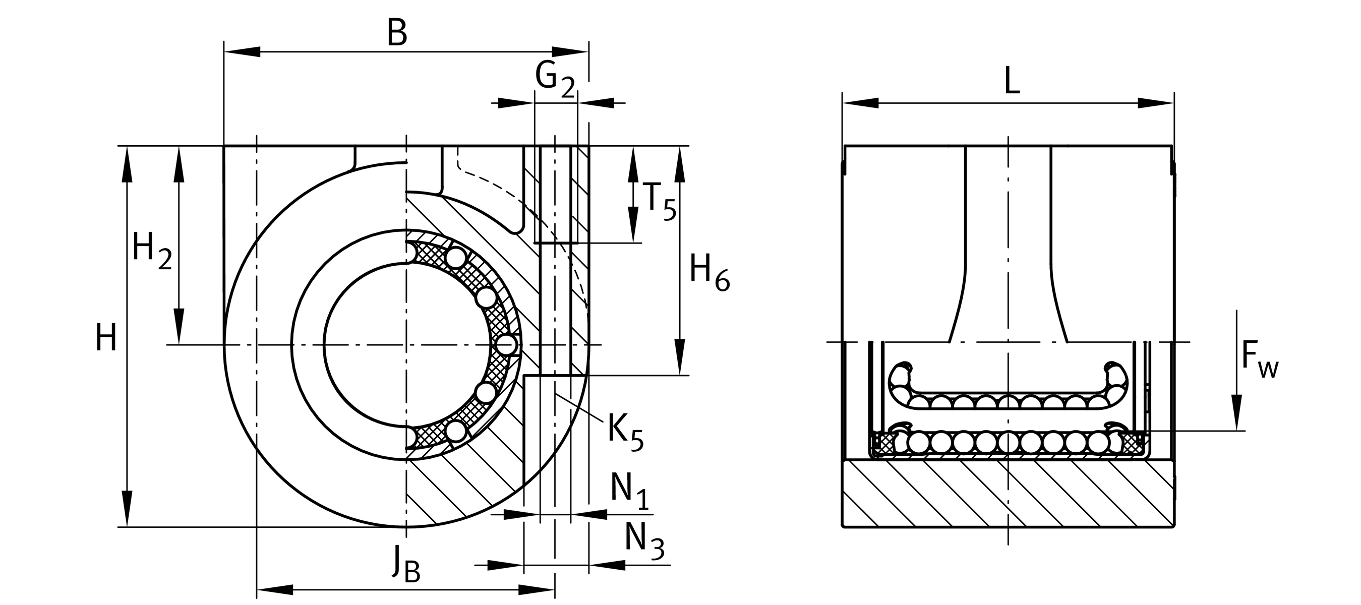
| H | 67.5 mm | 高度 |
| B | 65 mm | 寬度 |
| L | 59 mm | 長度 |
| Tol L | +0,5 | tolerance |
| C | 3,300 N | dynamic load rating 1 |
| C0 | 2,700 N | static load rating 1 |
| ≈m | 0.855 kg | 重量 |
| H6 | 39 mm | |
| T5 | 20 mm | |
| JB | 54 mm | |
| Tol JB | ±0,1 | tolerance |
| G2 | M8 | |
| N1 | 6.7 mm | |
| N3 | 11.1 mm | |
| K5 | M6 | 2 |
| FW | 30 mm | Diameter of ball complement |
| H2 | 35 mm | axis center |
| Tol H2 | ±0,015 | tolerance |
| Size code | 30 | |
| Seal | PP | 密封的 |