PRODUCTS
- 首頁
- 產品介紹
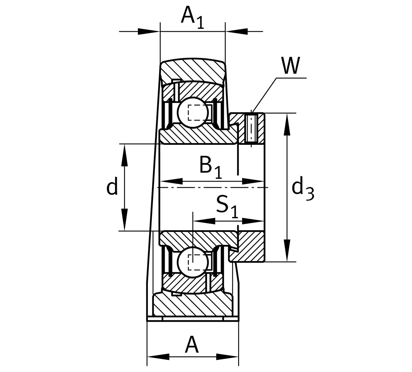
| d | 25 mm | 內徑 |
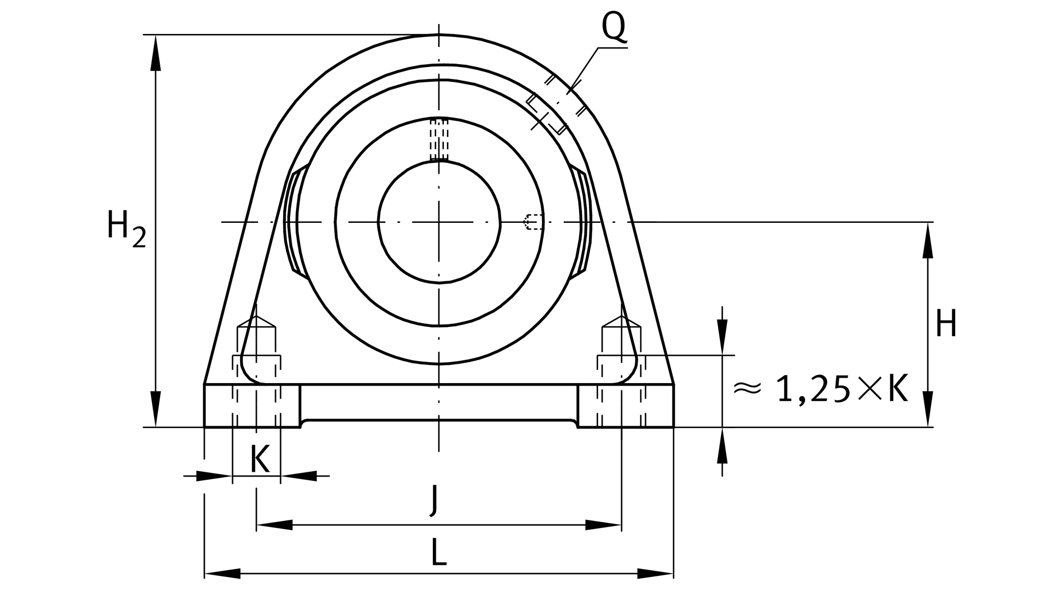
| L | 70 mm | Length total |
| H2 | 70 mm | 高度 |
| ≈m | 0.55 kg | 重量 |
| J | 50.8 mm | 固定內孔距離 |
| K | M10 | Thread 固定內徑 |
| H | 36.5 mm | Distance shaft axis |
| A | 36 mm | Width (base) |
| A1 | 21 mm | Width (head) |
| Q | M6 | 用於潤滑的連接螺紋 |
| S1 | 23.5 mm | Distance of raceway to locking collar |
SHE05 | 軸承座 | |
GRAE25-XL-NPP-B | 軸承型號 | |
KASK05 | Protecting cap |
| Tmin | -20 °C | 最低工作溫度 |
| Tmax | 120 °C | 最高操作溫度 |
| Groove | N | Cast iron 軸承座 with undercut slot for end caps |
| Material | GG | 灰鑄鐵 |