PRODUCTS
- 首頁
- 產品介紹
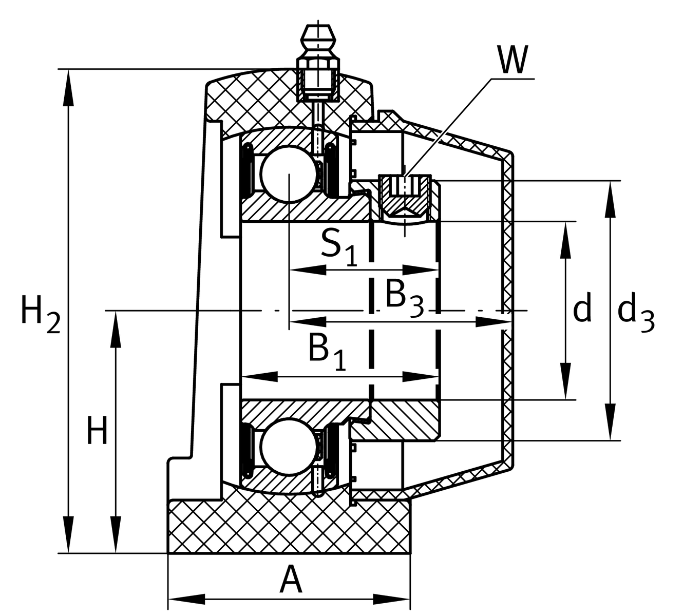
| d | 25 mm | 內徑 |
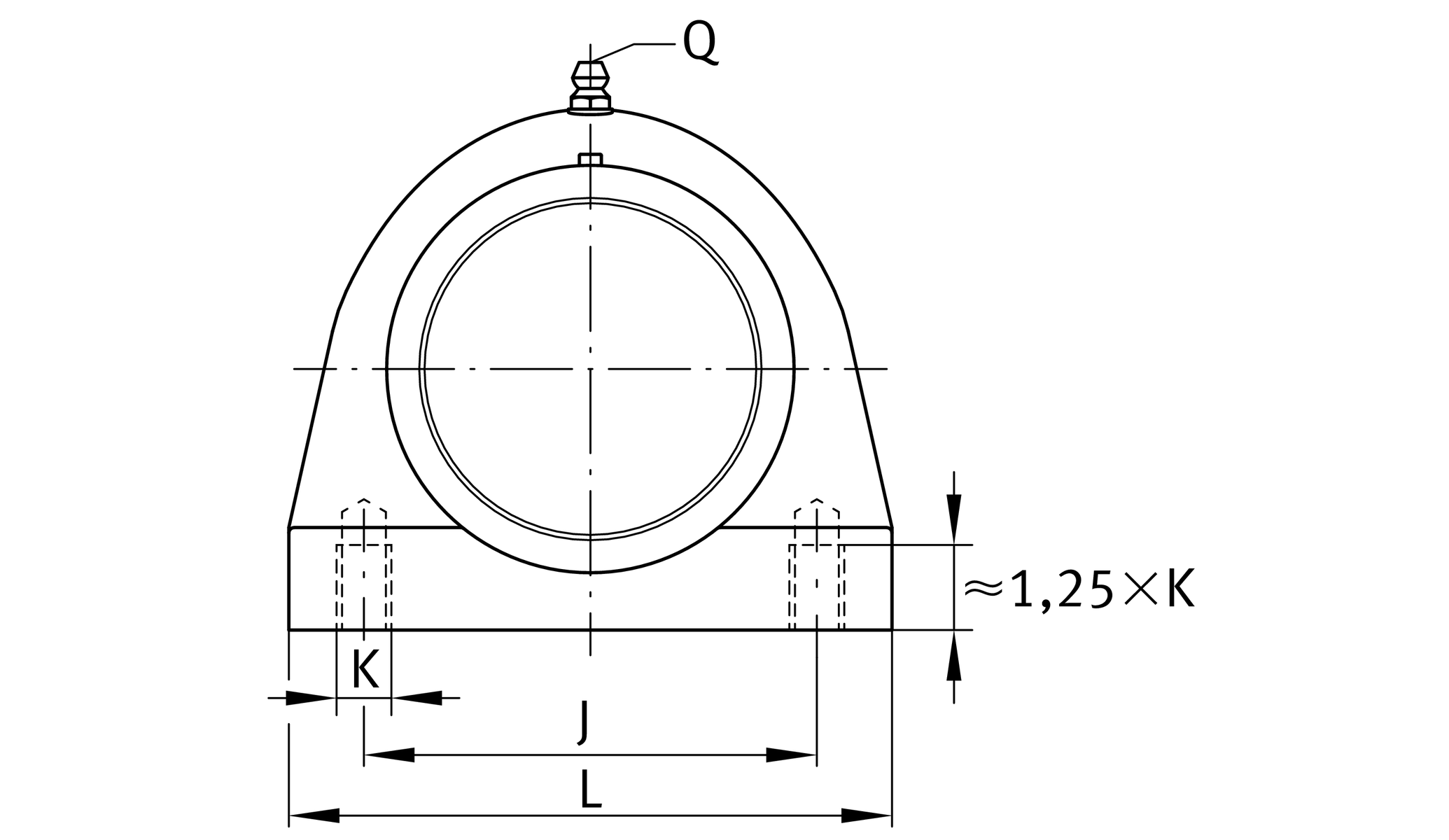
| L | 76.2 mm | 長度 |
| H2 | 73.5 mm | 高度 |
| ≈m | 0.35 kg | 重量 |
| J | 50.8 mm | 固定內孔距離 |
| H | 36.5 mm | Distance shaft axis |
| A | 39.5 mm | Width (base) |
| B1 | 31 mm | 鎖環總寬度 |
| S | 23.5 mm | 滾道距離 |
| Q | 1/4 - 28 UNF | 用於潤滑的連接螺紋 |
GEH-SHE05-TV | 軸承座 | |
GRAE25-NPP-B-FA107/125.5 | 軸承型號 | |
KASK05-S-G | End cap | |
KASK05-S-R-NBR | Open protecting cap |
| Tmin | -35 °C | 最低工作溫度 |
| Tmax | 100 °C | 最高操作溫度 |
| Special material | TV | Plastic 軸承座 |
| Material | TV | Plastic |
| Manufacturing instruction | FA125.5 | Bearing with Corrotect coating |