PRODUCTS
- 首頁
- 產品介紹
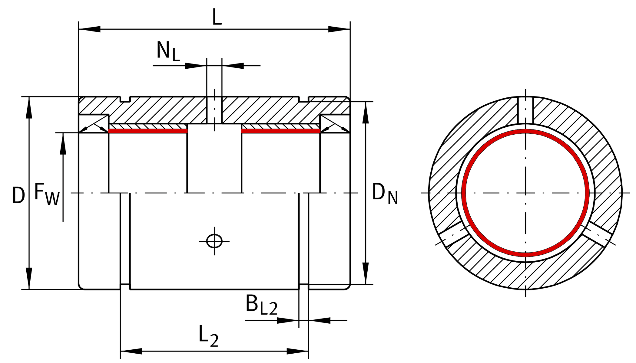
| FW | 25 mm | Diameter of ball complement |
| D | 40 mm | 外徑 |
| L | 58 mm | 長度 |
| Tol L | h12 | Tolerance |
| C0 | 250,000 N | load capacity stat. C0 1 |
| ≈m | 0.113 kg | 重量 |
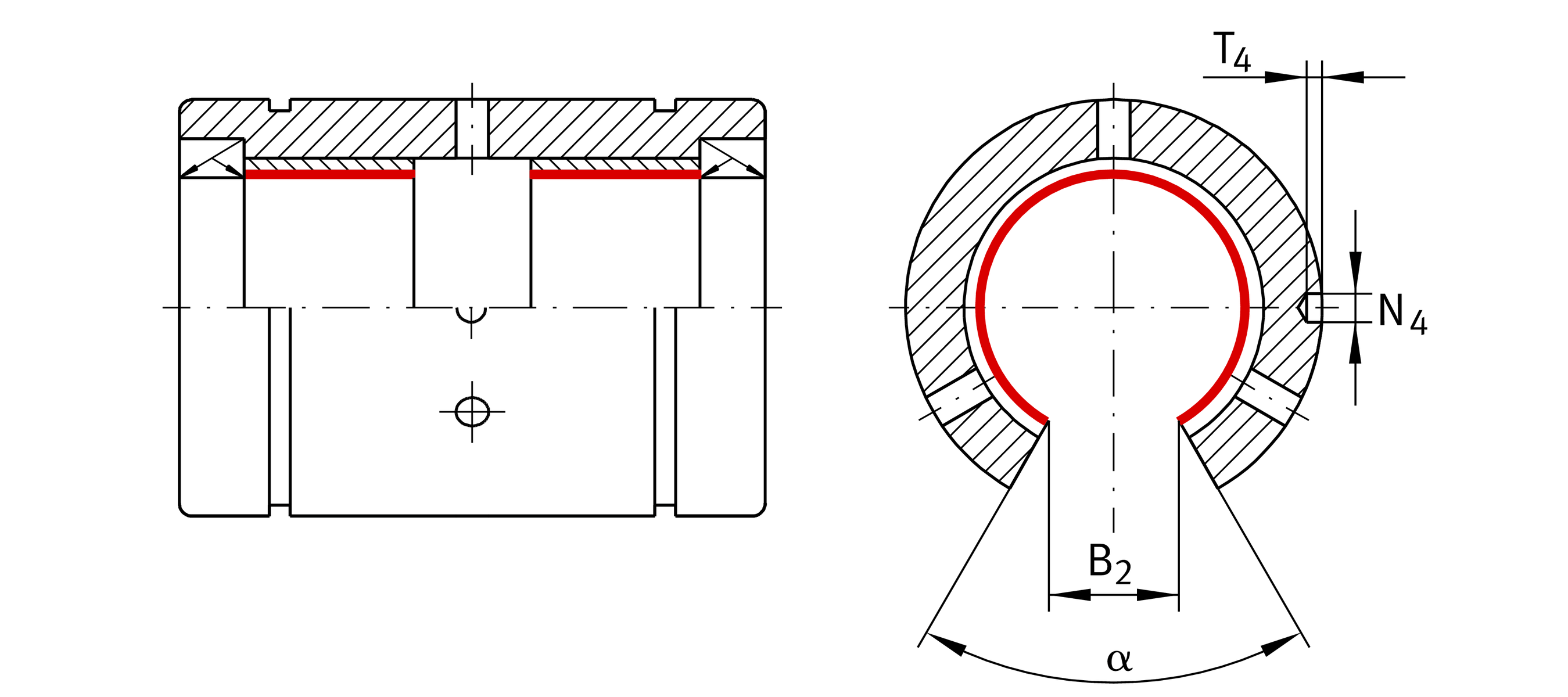
| L2 | 43.7 mm | Mounting Dimension 2 |
| Tol L2 | H13 | Tolerance |
| BL2 | 1.85 mm | 3 |
| Tol BL2 | H13 | Tolerance |
| DN | 37.5 mm | |
| B2 | 12.5 mm | 4 |
| T4 | 1.5 mm | |
| N4 | 3 mm | |
| NL | 2.5 mm | |
| Tol NL | H13 | Tolerance |
| a | 60 ° | Angle |
| Size code | 25 | |
| Seal | PP | |
| Relubrication feature | AS |