PRODUCTS
- 首頁
- 產品介紹
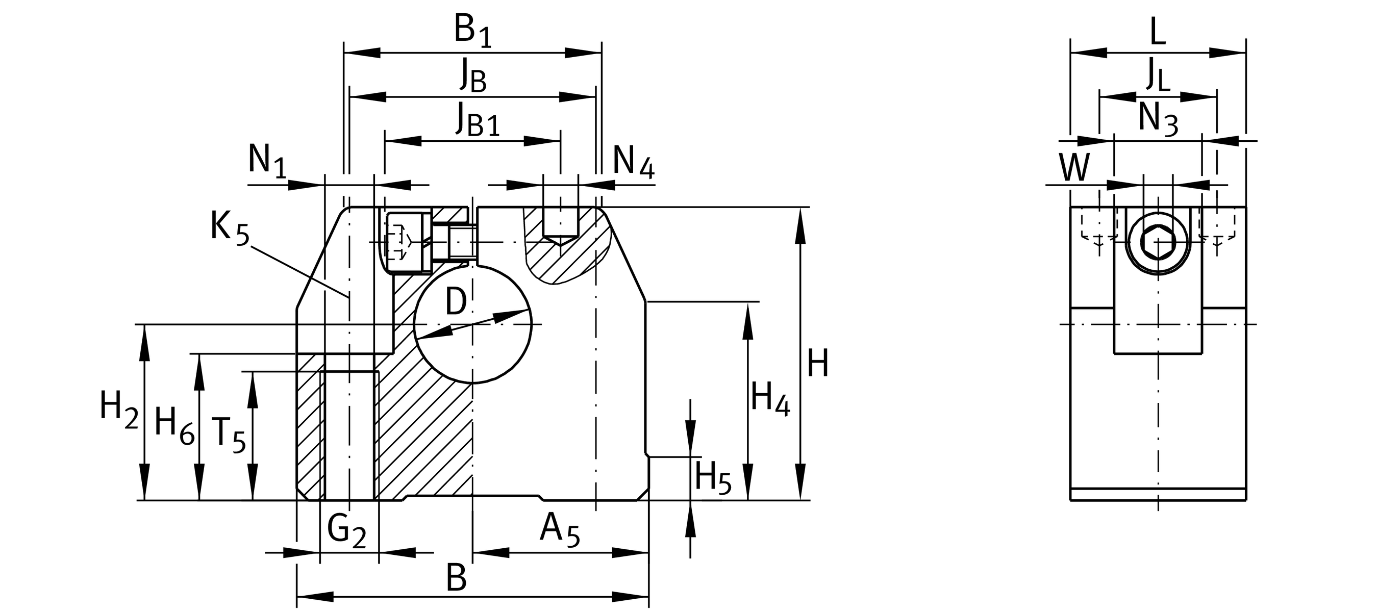
| D | 50 mm | Diameter |
| Tol D | H8 | Tolerance |
| B | 132 mm | 寬度 |
| L | 58 mm | 長度 |
| H | 105 mm | 高度 |
| ≈m | 1.36 kg | 重量 |
| JB | 100 mm | Mounting Dimension |
| Tol JB | ±0,2 | Tolerance |
| JB1 | 70 mm | Mounting Dimension |
| B1 | 90 mm | Mounting Dimension |
| A5 | 66 mm | Mounting Dimension |
| Tol A5 | +0,01 | 公差上限 |
| JL | 36 mm | Mounting Dimension |
| H2 | 60 mm | Mounting Dimension |
| Tol H2 | +0,01 | 公差上限 |
| Tol H2 | -0,01 | 較低的公差 |
| H4 | 62 mm | Mounting Dimension |
| H5 | 10.6 mm | Mounting Dimension |
| Tol A5 | -0,01 | 較低的公差 |
| T5 | 43 mm | Mounting Dimension |
| H6 | 49 mm | Mounting Dimension |
| G2 | M20 | Mounting thread below |
| N1 | 17.5 mm | Mounting Dimension 1 |
| N3 | 26 mm | Mounting Dimension |
| N4 | 12 mm | Mounting Dimension |
| K5 | M16 | Size thread fixing screws above 2 |
| W | 10 mm | 平面寬度 |
| Size code | 50 | |
| Version | B |