PRODUCTS
- 首頁
- 產品介紹
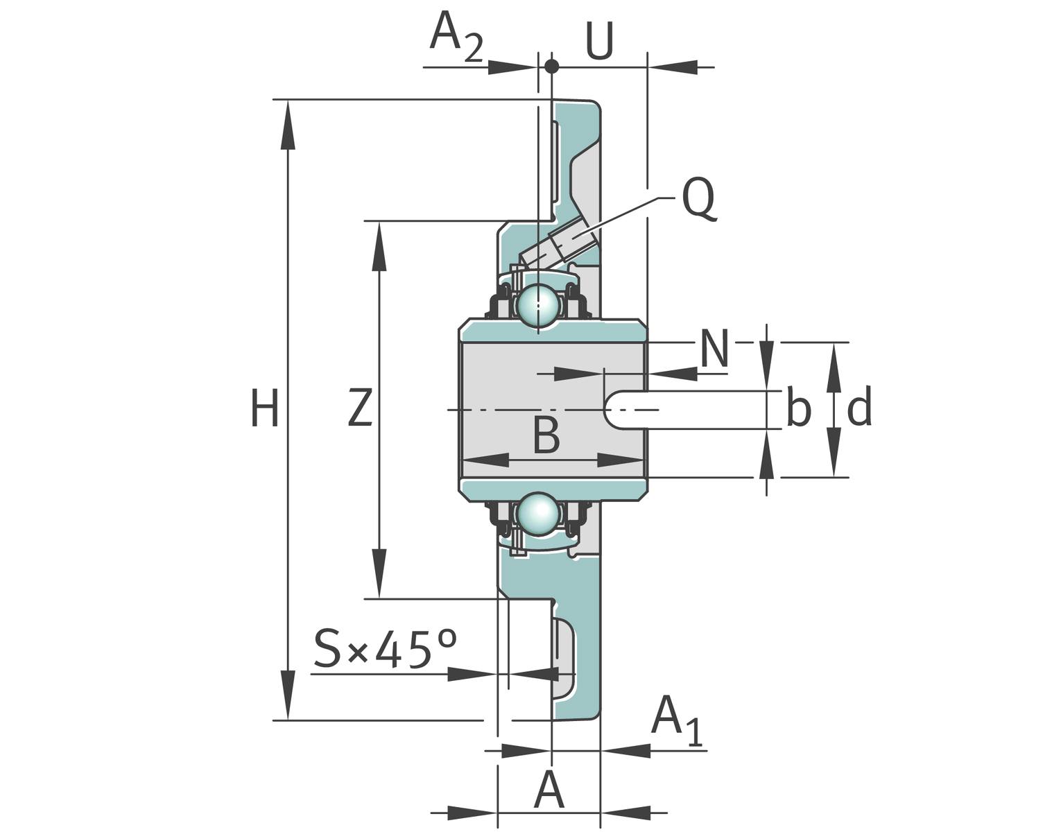
| d | 20 mm | 內徑 |
| H | 100 mm | Height flange |
| U | 34.1 mm | 總高度單位 |
| Cr | 13,600 N | 基本額定動載荷,徑向 |
| C0r | 6,600 N | 基本額定靜態負荷,徑向 |
| Cur | 335 N | 疲勞負載極限,徑向 |
| ≈m | 0.51 kg | 重量 |
| J | 78 mm | Pitch circle diameter (holes) |
| N | 9 mm | 固定內徑 |
| Z | 62 mm | Diameter spigot |
| n | 4 | 螺絲孔數 |
| A | 17 mm | 外殼高度 |
| A1 | 8 mm | 厚度 of flange |
| A2 | 2 mm | 滾道距離 |
| B | 34.1 mm | 寬度 |
| Q | M6 | 用於潤滑的連接螺紋 |
1 | 外殼數量 | |
ME04-N | 軸承座 | |
GLE20-XL-KRR-B | 軸承型號 |
| Tmin | -40 °C | 最低工作溫度 |
| Tmax | 180 °C | 最高操作溫度 |
| Groove | N | Cast iron 軸承座 with undercut slot for end caps |
| Material | GG | 灰鑄鐵 |