PRODUCTS
- 首頁
- 產品介紹
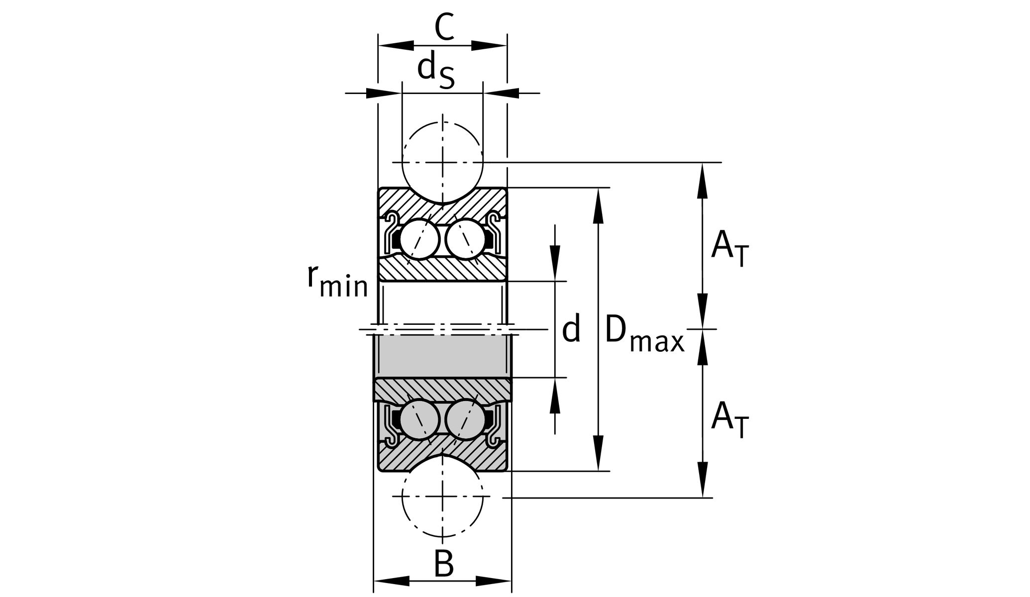
| d | 20 mm | |
| Dmax | 52 mm | |
| B | 22.6 mm | |
| ≈m | 0.177 kg | 重量 |
| AT | 31.5 mm | |
| C | 20.6 mm | |
| Da | 49.14 mm | Diameter of rolling |
| ds | 16 mm | |
| rmin | 1 mm |
| Cr w | 15,300 N | Effective dynamic load rating as track roller (radial) |
| C0r w | 10,100 N | Effective static load rating as track roller (radial) |
| Cur w | 520 N | Limit of fatigue load |
| Fr per | 10,500 N | Permissible dynamic limit load |
| F0r per | 20,200 N | Permissible static limit load |
| LFE/LFZ | siehe Katalog: LF1 | Possible roller-pin combination |
| Size code | 5204 | |
| Seal | 2Z | 兩側間隙密封 |