PRODUCTS
- 首頁
- 產品介紹
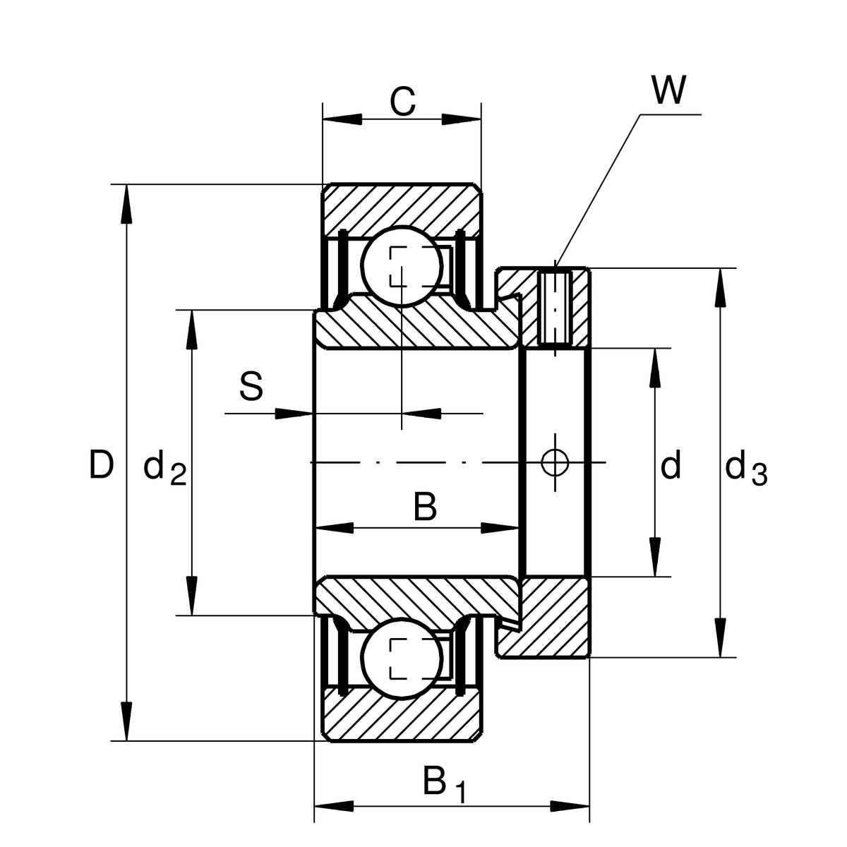
| d | 19.05 mm | 內徑 |
| d | 19.05 mm | 內徑,英寸 |
| D | 42 mm | 外徑 |
| B | 16.7 mm | 寬度 |
| B1 | 24.6 mm | 鎖環總寬度 |
| Cr | 9,400 N | 基本額定動載荷,徑向 |
| C0r | 5,000 N | 基本額定靜態負荷,徑向 |
| Cur | 231 N | 疲勞負載極限,徑向 |
| ≈m | 104.17 g | 重量 |
| C | 12 mm | 外圈寬度 |
| S | 6 mm | 滾道距離 |
| d2 | 25.4 mm | 密封內圈擋邊直徑 |
| d3 | 30 mm | 鎖緊環/鎖緊螺帽外徑 |
| W | 3.175 mm | 平面寬度s (Inch) |
| f0 | 13.8 | 計算參數 |
| Sealing | NPP | 兩側唇形密封 |
| Manufacturing instruction | FA106 | Bearing subjected to special noise testing |