INA
RAE60-XL-NPP
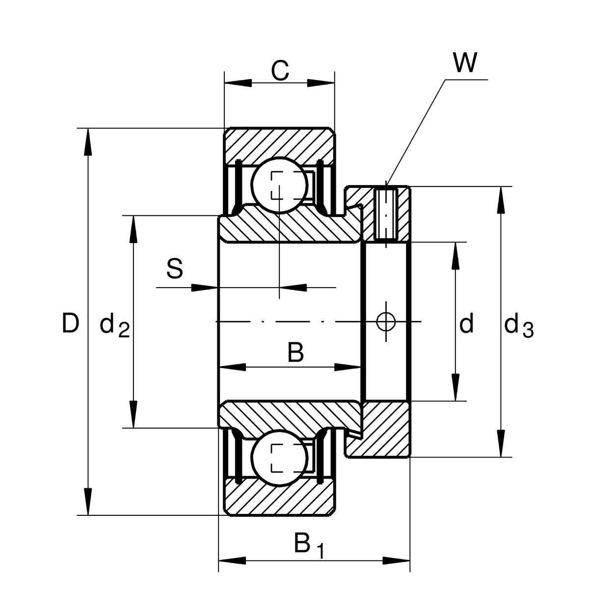
Radial insert ball bearing RAE60-XL-NPP
加入詢價
主要尺寸與性能資料
| d | 60 mm | 內徑 |
| D | 110 mm | 外徑 |
| B | 37.1 mm | 寬度 |
| B1 | 53.1 mm | 鎖環總寬度 |
| Cr | 52,000 N | 基本額定動載荷,徑向 |
| C0r | 36,000 N | 基本額定靜態負荷,徑向 |
| Cur | 1,710 N | 疲勞負載極限,徑向 |
| ≈m | 1.419 kg | 重量 |
尺寸
| C | 24 mm | 外圈寬度 |
| S | 13.5 mm | 滾道距離 |
| d2 | 72 mm | 密封內圈擋邊直徑 |
| d3 | 84 mm | 鎖緊環/鎖緊螺帽外徑 |
| W | 5 mm | 平面寬度 |
加入詢價
Radial insert ball bearing RAE60-XL-NPP
已將您選擇的品項
加入詢價清單
非常感謝您!
選擇更多商品
瀏覽詢價清單