PRODUCTS
- 首頁
- 產品介紹
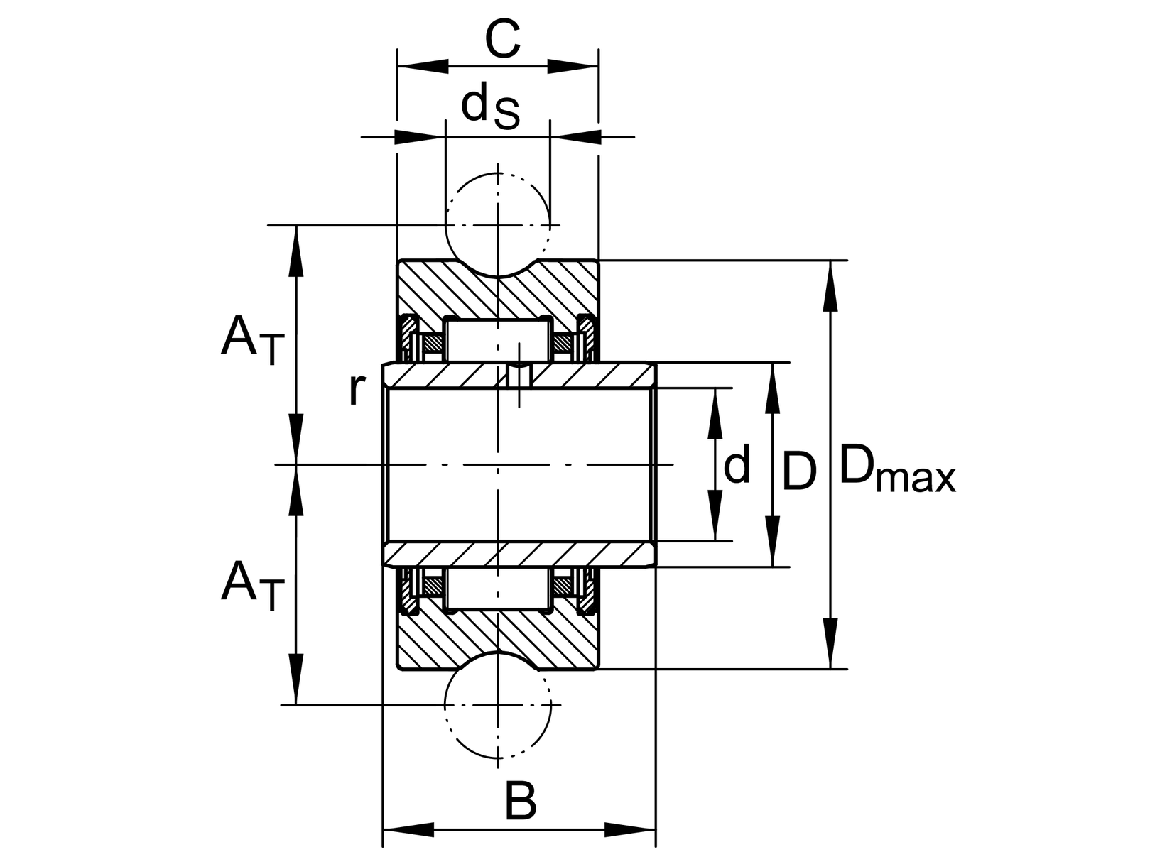
| d | 15 mm | |
| Dmax | 35 mm | |
| B | 16 mm | |
| BTol | 0 | |
| BTol | -0.12 | |
| ≈m | 67.71 g | 重量 |
| AT | 20.63 mm | |
| C | 13.8 mm | |
| D | 20 mm | |
| ds | 10 mm | |
| rmin | 0.3 mm |
| Cr w | 6,500 N | Effective dynamic load rating as track roller (radial) |
| C0r w | 9,300 N | Effective static load rating as track roller (radial) |
| Cur w | 1,310 N | Limit of fatigue load |
| Size code | 2202 | |
| Seal | 2RSR | double-sided sliding seal |
| Code | NA | with inner ring |
| Inner ring | IR15X20X16 |