PRODUCTS


FAG
MHA325-0-2-3-4-N-1302-01,0M-8-1-A
sensing head MHA325-0-2-3-4-N-1302-01,0M-8-1-A
加入詢價
Digital Output
Drive CLiQ (DQ)
Electronic interface
≈m
136.28 g
重量

主要尺寸與性能資料
D
450 mm
Diameter bearing outer ring
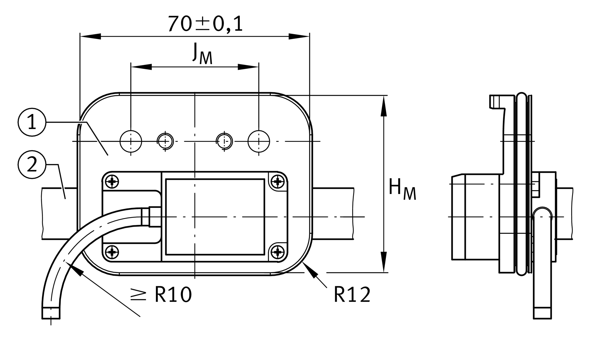
HM
54 mm
高度

安裝尺寸
JM
39 mm
Bore distance
T
238.2 mm
Distance bearing center measuring head

附加資訊
5 Nm
Tightening torque
0.5 Nm
Tightening torque 公差上限
-0.5 Nm
Tightening torque 較低的公差
2x ISO4762-M6x20-8.8
Cylinder head screws

Cable
M12x1
Thread plug connector
8
Pins plug connector

您目前的產品型號
Cable length1 m
加入詢價