中軸事業
關於我們
最新消息
技術專欄
產品介紹
型號搜尋
聯絡我們
繁體中文
English
Tiếng Việt
繁體中文
English
Tiếng Việt
PRODUCTS
首頁
產品介紹
FAG
INA
Schaeffler
INA
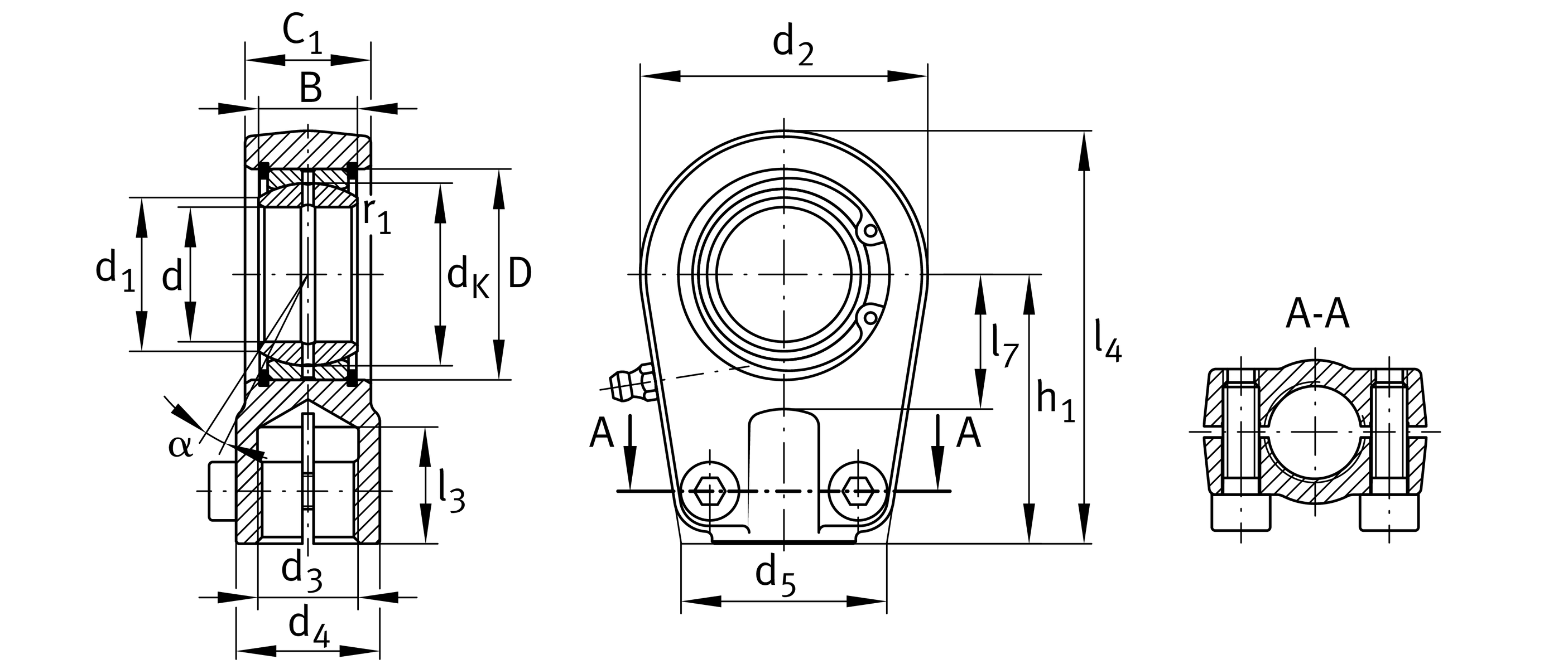
KO.GIHRK30-0860
Rod end housing KO.GIHRK30-0860
加入詢價
加入詢價
上一項產品
回到列表
下一項產品
Rod end housing KO.GIHRK30-0860
已將您選擇的品項
加入詢價清單
非常感謝您!
選擇更多商品
瀏覽詢價清單