PRODUCTS
- 首頁
- 產品介紹
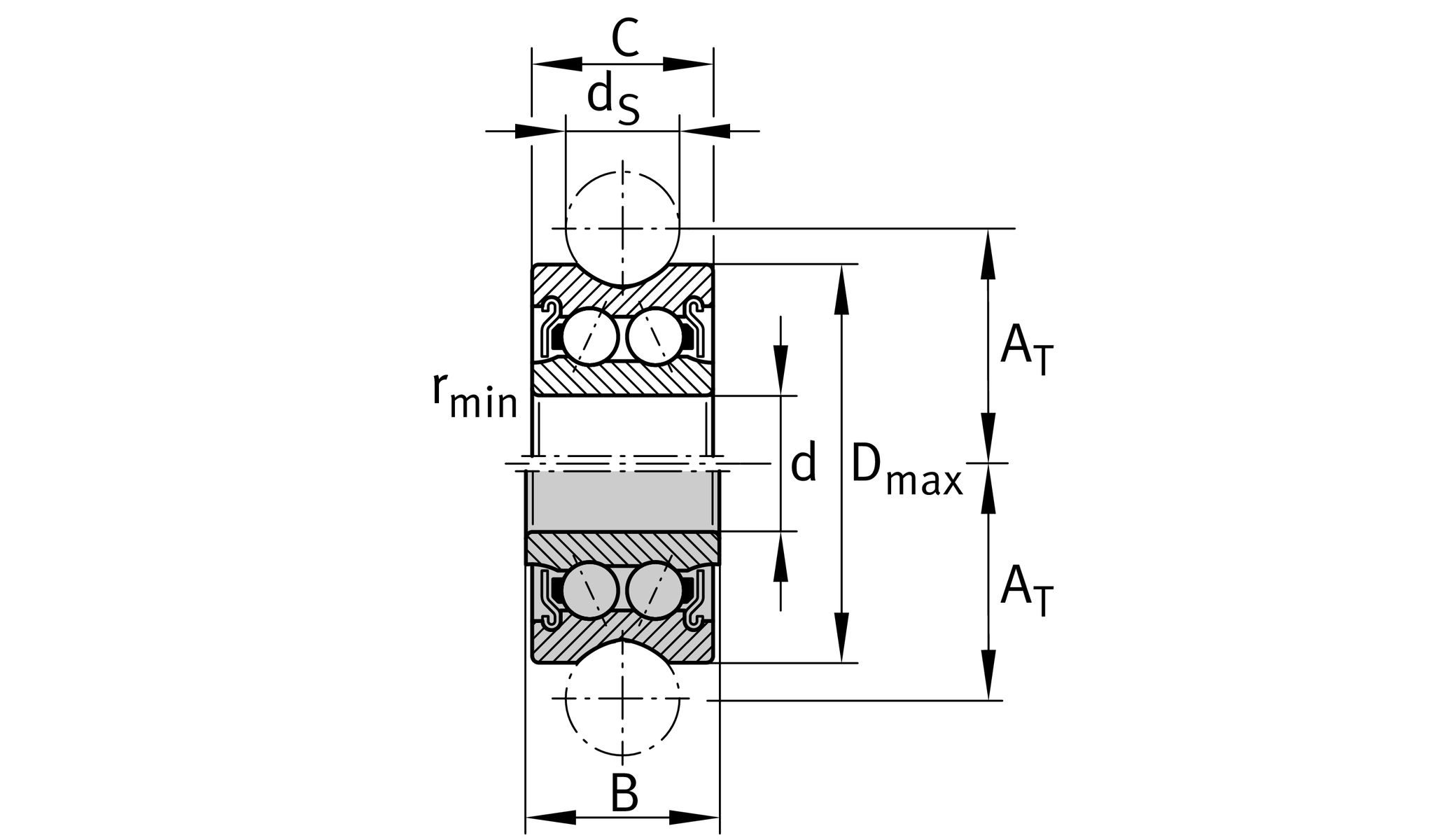
| d | 5 mm | |
| Dmax | 17 mm | |
| B | 8 mm | |
| ≈m | 0.01 kg | 重量 |
| AT | 10.5 mm | |
| C | 7 mm | |
| Da | 15.8 mm | Diameter of rolling |
| ds | 6 mm | |
| rmin | 0.2 mm |
| Cr w | 1,630 N | Effective dynamic load rating as track roller (radial) |
| C0r w | 900 N | Effective static load rating as track roller (radial) |
| Cur w | 44.5 N | Limit of fatigue load |
| Fr per | 2,270 N | Permissible dynamic limit load |
| F0r per | 1,800 N | Permissible static limit load |
| LFE/LFZ | siehe Katalog: LF1 | Possible roller-pin combination |
| Size code | 50/5 | |
| Seal | 2Z | 兩側間隙密封 |
| Code | HLC |