PRODUCTS
- 首頁
- 產品介紹
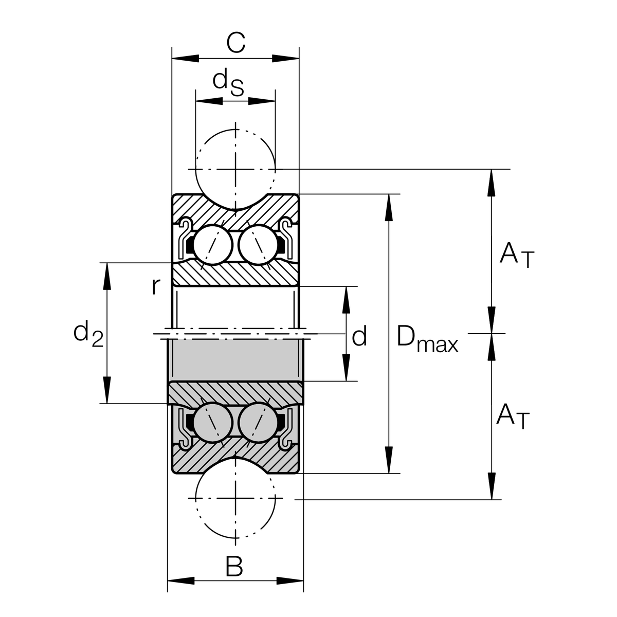
| d | 8 mm | |
| Dmax | 24 mm | |
| B | 11 mm | |
| ≈m | 21 g | 重量 |
| AT | 14 mm | |
| C | 11 mm | |
| Da | 22.8 mm | Diameter of rolling |
| ds | 6 mm | |
| rmin | 0.3 mm |
| Cr w | 4,100 N | Effective dynamic load rating as track roller (radial) |
| C0r w | 2,300 N | Effective static load rating as track roller (radial) |
| Cur w | 115 N | Limit of fatigue load |
| Fr per | 2,550 N | Permissible dynamic limit load |
| F0r per | 4,600 N | Permissible static limit load |
| LFE/LFZ | siehe Katalog: LF1 | Possible roller-pin combination |
| Size code | 50/8 | |
| Seal | 2RS | double-sided sliding seal |
| Coating | RB | rustproof design |